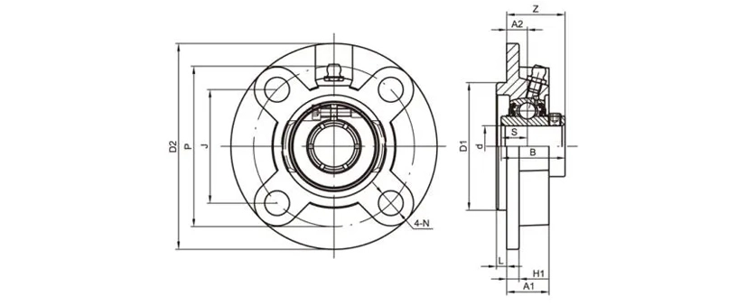
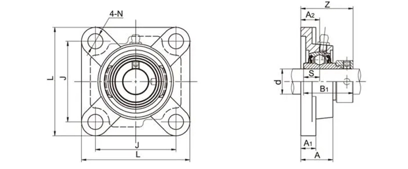
UCFX16-50 Flange Bearing Units 4 Bolt Bearing Housing
Dimensions (mm)L214J171A240A124A70N23B85.7S34.1Z91.6
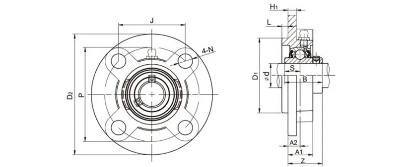
NAFS214-44 Flange Bearing Units 4 Bolt Bearing Housing
Dimensions (mm)L188J152A238A123A60N18B185.7S34.1Z89.6
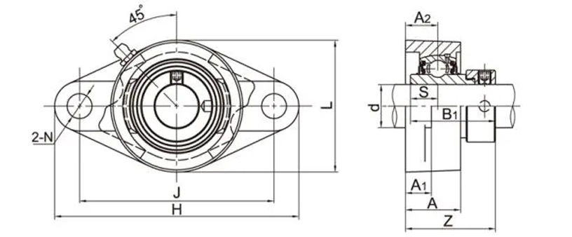
NAFL214-44 Flange Bearing Units 2-Bolt Bearing Housing
Dimensions (mm)H265J216A231A122A54N23L160B185.7S34.1Z82.6F91
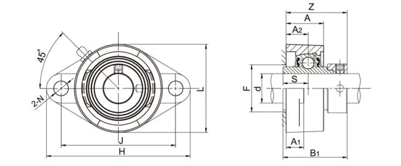
NAFLU214-44 Flange Bearing Units 2 Bolt Bearing Housing
Dimensions (mm)H264J216L157A238A123A58N21B185.7S34.1Z89.6
SALF208 Flange Bearing Units 2 Bolt Bearing Housing
Dimensions(mm)H150J119A213.5A113A25N14L106B143.7B30.2s9Z48.2d160.3
SAFW208 Flange Bearing Units 2 Bolt Bearing Housing
Dimensions(mm)H148J119A214.5A25N13.5L104B143.7B30.2S9Z49.2
SAFD208-24 Flange Bearing Units 2 Bolt Bearing Housing
Dimensions(mm)H148J119A214.5A25N13.5L104B143.7B30.2S9Z49.2
UCT215 Take Up Bearing Units Bearing Housing
Dimensions(mm)N132L221H2111N270N41L3121A126H1151H167L232A70A248L1140B77.8S33.3A397
NAT215 Take Up Bearing Units Bearing Housing
Dimensions (mm)N132L221H2111N270N41L3121A126H1151H167L232A70A248L1140B192.1s37.3
UCTX16-50 Take Up Bearing Units Bearing Housing
Dimensions (mm)N138L230H2124N273N48L3157A128H1173H198L260A73A254L1162B85.7s34.1
UCFC216 Flange Cartridge Bearing Units 4 Bolt Bearing Housing
Dimensions(mm)D2240P200J141.4A218N23L16H118A142D1170B82.6S33.3Z67.3
NAFC215 Flange Cartridge Bearing Units 4 Bolt Bearing Housing
Dimensions (mm)D2220P184J130.1A218N19L16H118A139D1160S37.3z72.8
UCFCX16-50 Flange Cartridge Bearing Units 4 Bolt Bearing Housing
Dimensions (mm)D2260P219J154.8A210N23L25H119A136D1186B85.7S34.1Z61.6
UCFCSX20-63 Flange Cartridge Bearing Units 4 Bolt Bearing Housing
Dimensions (mm)D2276P238J168.29A222N23L28H122A166D1206.375S79.2B117.5Z90.3
UCSB216 Pillow Block bearings 2 Bolt Bearing Housing
Dimensions (mm)H82.55L238J191A86A164H1127Ho168N21B82.6s33.3