How Does a Spherical Ball Joint Work?
A spherical ball joint is a crucial component in various mechanical systems, allowing for articulation and movement in multiple axes. This article aims to provide a comprehensive understanding of the ...
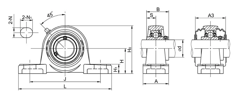
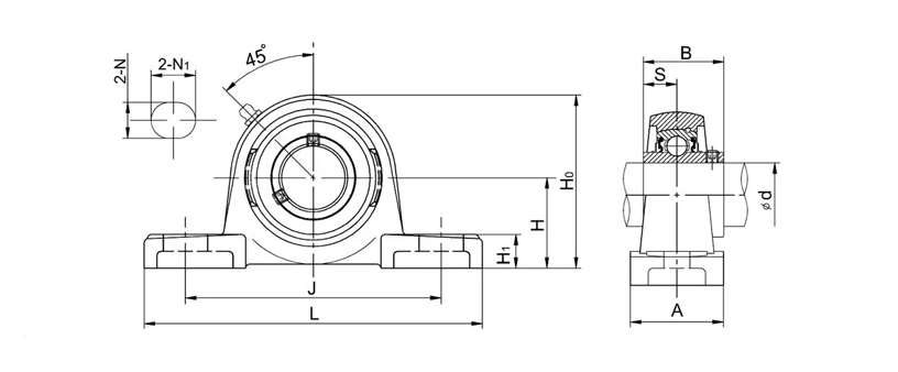
UCP215-48 Pillow Block Bearings 2 Bolt Bearing Housing
Dimensions (mm)H82.6L274J217A74N25N130H128Ho162B77.8S33.3A397
UCPX17-53 Pillow Pillow Block Bearings 2 Bolt Bearing Housing
Dimensions (mm)H101.6L384J283A102N27N130H140Ho202B96S39.7
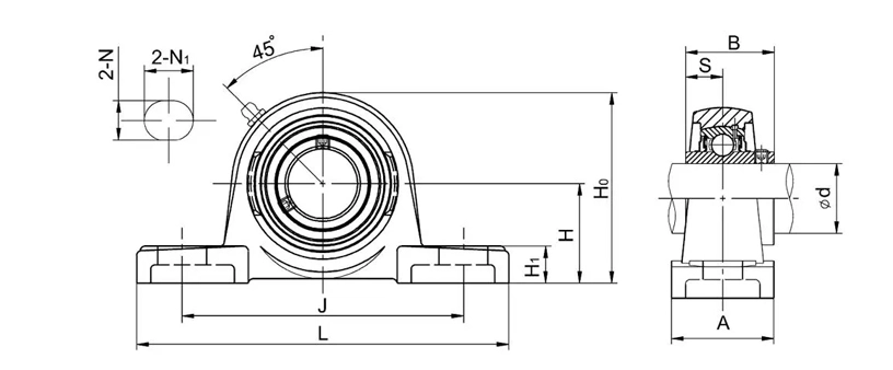
UCAK215-46 Pillow Block Bearings 2 Bolt Bearing Housing
Dimensions (mm)H84.1L304J241A74N22N132H132Ho165B77.8S33.3
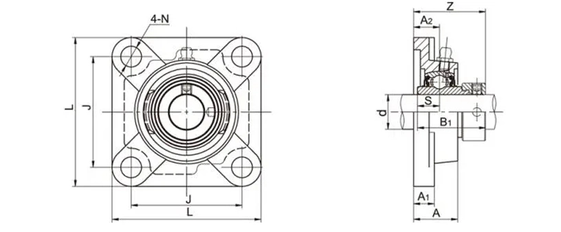
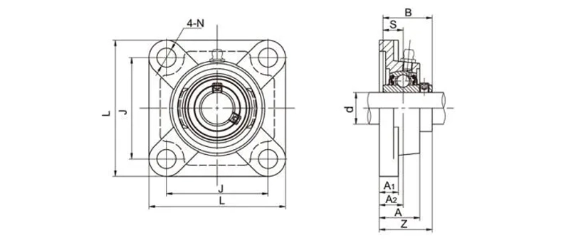
UCF217 Flange Bearing Units 4 Bolt Bearing Housing
Dimensions (mm)L220J175A236A124A63N23B85.7S34.1BZ87.6A392.1
UCFX17-53 Flange Bearing Units 4 Bolt Bearing Housing
Dimensions (mm)L214J171A240A124A70N23B96S39.7Z96.3
NAFS216 Flange Bearing Units 4 Bolt Bearing Housing
Dimensions (mm)L207J165A242A125A63N22B195.2S37.3Z99.9
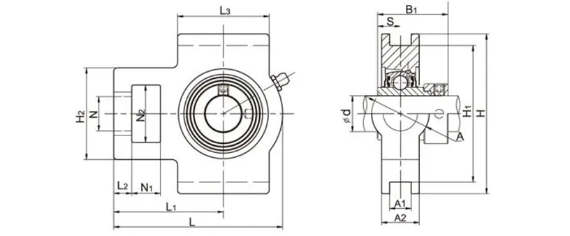
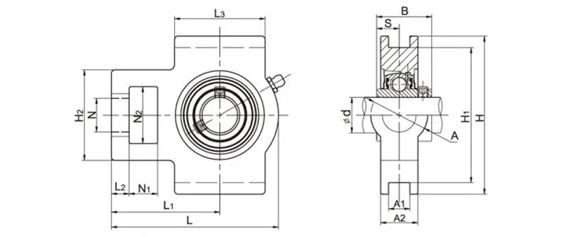
UCT217 Take Up Bearing Units Bearing Housing
Dimensions(mm)N138L229H2124N273N48L3157A130H1173H198L260A73A254L1162B85.7S34.1A3114.2
NAT217 Take Up Bearing Units Bearing Housing
Dimensions (mm)N138L229H2124N273N48L3157A130H1173H198L260A73A254L1162B173.2s23.4
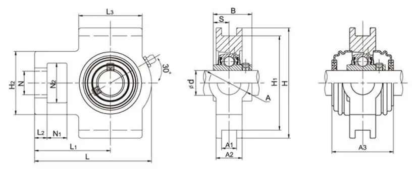
UCTX17-53 Take Up Bearing Units Bearing Housing
Dimensions (mm)N138L230H2124N273N48L3157A128H1173H198L260A73A254L1162B96s39.7