How do Stainless Steel Rod Ends Differ From Other Materials?
Stainless steel rod ends are specialized mechanical components commonly used in a variety of systems and machinery to facilitate articulating joints. These versatile parts play a crucial role in enabl...
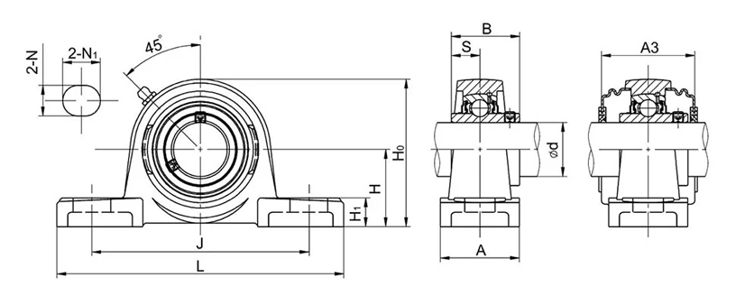
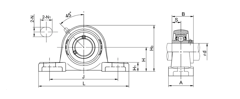
UCP216 Pillow Block Bearings 2 Bolt Bearing Housing
Dimensions (mm)H88.9L292J232A78N25N130H130Ho174B82.6S33.3A3110
UCPX17-55 Pillow Pillow Block Bearings 2 Bolt Bearing Housing
Dimensions (mm)H101.6L384J283A102N27N130H140Ho202B96S39.7
UCAK215-47 Pillow Block Bearings 2 Bolt Bearing Housing
Dimensions (mm)H84.1L304J241A74N22N132H132Ho165B77.8S33.3
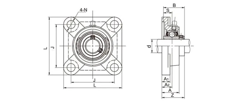
UCF217-52 Flange Bearing Units 4 Bolt Bearing Housing
Dimensions (mm)L220J175A236A124A63N23B85.7S34.1BZ87.6A392.1
UCFX17-55 Flange Bearing Units 4 Bolt Bearing Housing
Dimensions (mm)L214J171A240A124A70N23B96S39.7Z96.3
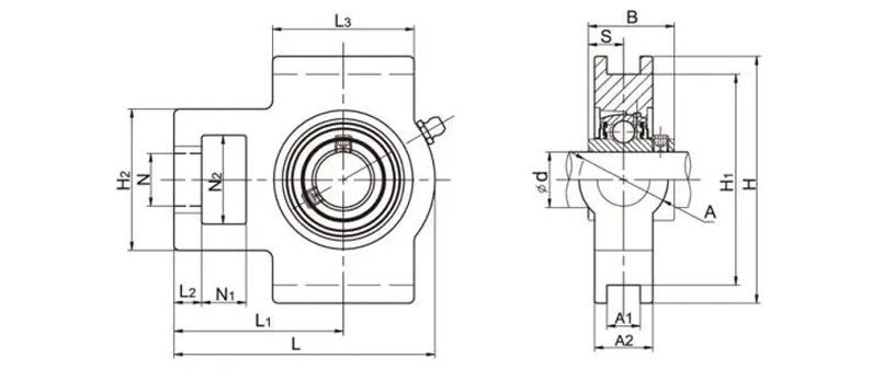
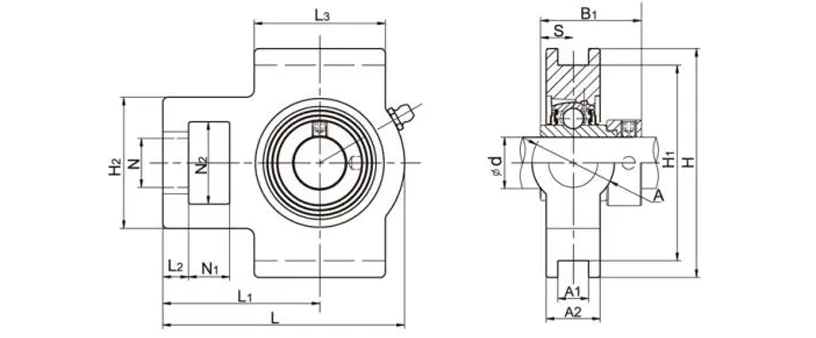
UCT217-52 Take Up Bearing Units Bearing Housing
Dimensions(mm)N138L229H2124N273N48L3157A130H1173H198L260A73A254L1162B85.7S34.1A3114.2
NAT217-52 Take Up Bearing Units Bearing Housing
Dimensions (mm)N138L229H2124N273N48L3157A130H1173H198L260A73A254L1162B173.2s23.4
UCTX17-55 Take Up Bearing Units Bearing Housing
Dimensions (mm)N138L230H2124N273N48L3157A128H1173H198L260A73A254L1162B96s39.7
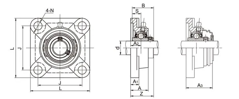
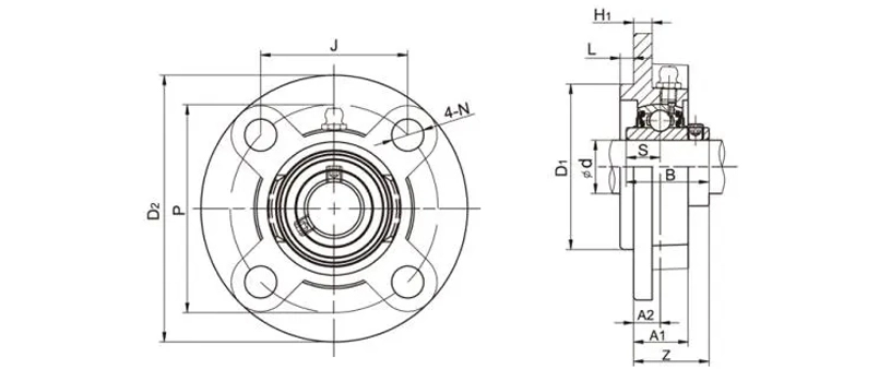
UCFCX17-55 Flange Cartridge Bearing Units 4 Bolt Bearing Housing
Dimensions (mm)D2260P219J154.8A210N23L25H119A136D1186B96S39.7Z66.3
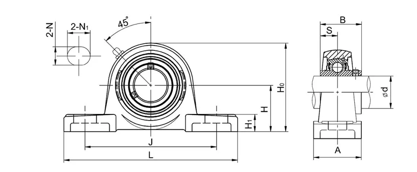
UCSB218-56 Pillow Block bearings 2 Bolt Bearing Housing
Dimensions (mm)H98.4L273J222A92A167H1152Ho200N25B96s39.7
SSUEFL209ESB Stainless Mounted Bearing
Dimensions(mm)H179J148A222A115A38N16L108Z53.2B150.2S19
SSUCF209ESB Stainless Mounted Bearing
Dimensions(mm)L137J105A222A116.7A38N16z52.2B49.2S19