Interchange Table for Rod End Bearing & Spherical Bearings
INTERCHANGE TABLE 1LDKFKALINABALAURORAHEIM/BOSTONMORSE/SPHERCOTUTHILLNMB/NHBBMALE ROD ENDSCMCMAM-GPCMM-CRCFMMSMAHM/LSPLCM-TCM-TAM-T-GPVCMCFM-TMSM-TCM-YCM-YAM-S-GPCM-SM-CRYCFM-YMSM-SCM-ZCM-ZAM-8C...
Bicycle Cranksets – The Anatomy of a Typical Crankset Assembly?
The Crankset is the key bicycle part that converts human physical motion into the rotational power you need to get your bicycle moving. Your success and enjoyment will be a function of its performance...
PTC ASIA-2019
LDK exhibits at 2019 PTC-ASIA from Oct 23rd to Oct 26th in Shanghai.Booth numbers: G4-4, Hall E6.Shanghai New International Expo Centre( SNIEC)Company name: Deyuan Bearing Manufacturing Co.,Ltd.Email ...
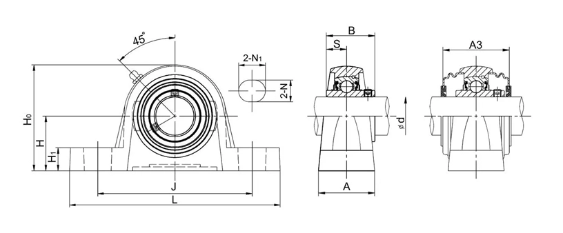
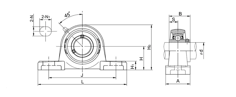
UCWP201 Pillow Block Bearings 2 Bolt Bearing Housing
Unit No.Shaft DiaDimensions (mm)Bolt SizeWeightdHLJANN1H1HoBSA3(mm)(kg)(in)(mm)UCWP2011230.212595321318135727.411.5–M100.72Notes:Bearing housing solid base optional, add suffix SB as the designation....
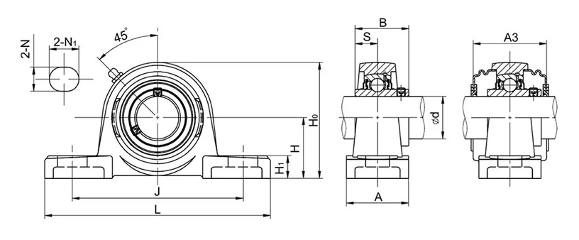
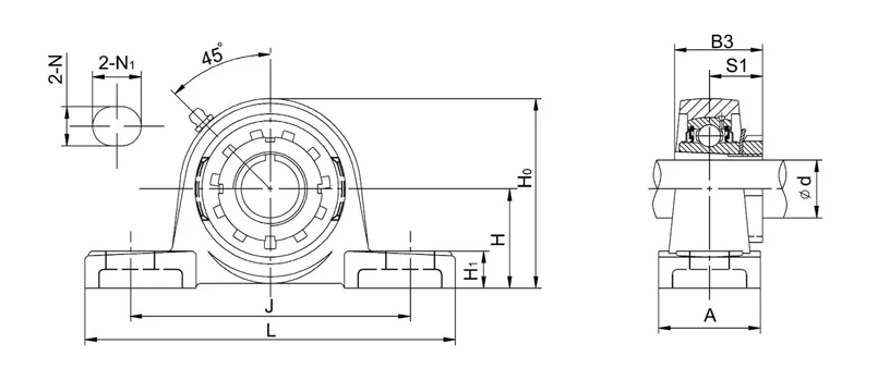
NAP202 Pillow Block Bearings 2 Bolt Bearing Housing
Dimensions (mm)H30.2L127J95A38N13N119H114Ho61B143.7S17.1
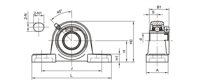
UEP205 Pillow Block Bearings 2 Bolt Bearing Housing
Dimensions (mm)H36.5L140J105A38N13N119H115Ho71B135.4S14.3
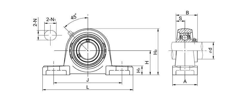
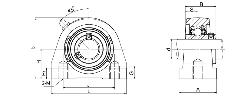
UKP206+H2306 Pillow Block bearings 2 Bolt Bearing Housing
Dimensions (mm)H42.9L160J121A44N17N121H16Ho82B338S120.5
UCPX05-14 Pillow Pillow Block Bearings 2 Bolt Bearing Housing
Dimensions (mm)H44.4L159J119A51N17N120H118Ho85B38.1S15.9
UCP307 Pillow Pillow Block Bearings 2 Bolt Bearing Housing
Dimensions (mm)H56L210J160A56N17N125H120Ho106B48S19
UCPE202 Pillow Block Bearings 2 Bolt Bearing Housing
Dimensions (mm)H30.2L124J95A31N11N115H114Ho57.1B26S10A3
UCAK202 Pillow Block Bearings 2 Bolt Bearing Housing
Dimensions (mm)H27L121J89A35N12N116H113Ho54B26S10
SALP202 SBLP2 Pillow Block bearings 2 Bolt Bearing Housing
Dimensions (mm)H30.2L114J87A25N11N116H112Ho57B128.6S6.5
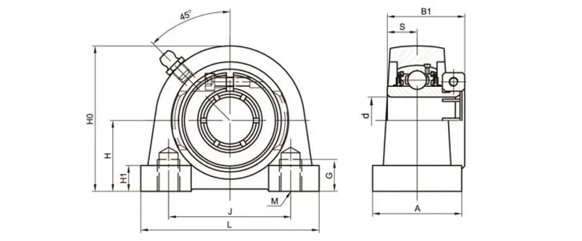
UCWPA203 Pillow Block Bearings 2 Bolt Bearing Housing Tapped Base
Dimensions (mm)H30.2L71J48A36G9H110Ho57MM10B27.4S11.5
UEPA205 Pillow Block Bearings 2 Bolt Bearing Housing Tapped Base
Dimensions (mm)H36.5L84J56A38G15H112Ho72MM10B135.4S14.3
UCPW202 Pillow Block Bearings 2 Bolt Bearing Housing Tapped Base
Dimensions (mm)H33.3L65J50.8A32MM8G13Ho64H113B31S12.7