UCPG202 Pillow Block Bearings 2 Bolt Bearing Housing Tapped Base
Dimensions (mm)H33.3L70J49A38MM8G14H111Ho64B31S12.7
UCTB202 Pillow Block Bearings 2 Bolt Bearing Housing Tapped Base
Dimensions (mm)H33.3L73J50.8A38H110.9H065G13M3/8-16UNCS12.7B31
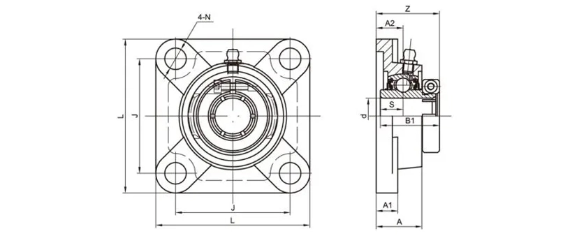
UCWF203 Flange Bearing Units 4 Bolt Bearing Housing
Dimensions (mm)L76J54A215A111A25.5N12B27.4S11.5BZ30.9A3
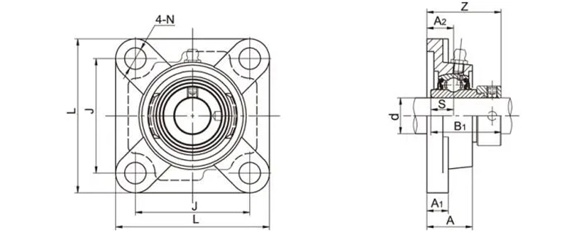
NAF202S Flange Bearing Units 4 Bolt Bearing Housing
Dimensions (mm)L76J54kz15A111A25.5N12S13.9Z38.4F—
UEF205 Flange Bearing Units 4 Bolt Bearing Housing
Dimensions(mm)L95J70A216A114A27N12B135.4S14.3Z37.1
UKF206+H2306 Flange Bearing Units 4 Bolt Bearing Housing
Dimensions (mm)L108J83A218A114A31N12S120.5Z38.5
UCFX05-14 Flange Bearing Units 4 Bolt Bearing Housing
Dimensions (mm)L108J83A218A113A30N12B38.1S15.9Z40.2
UCF307 Flange Bearing Units 4 Bolt Bearing Housing
Dimensions(mm)L135J100A220A116A36N19B48S19Z49
UCFS305-15 Flange Bearing Units 4 Bolt Bearing Housing
Dimensions (mm)L110J80A29A122A29H7H113N16D180S15Z32
NAFS202S Flange Bearing Units 4 Bolt Bearing Housing
Dimensions (mm)L76J54A215A111A24.5N11.5B137.3S13.9Z38.4
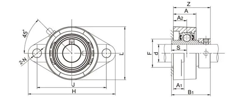
UCWFL203 Flange Bearing Units 2 Bolt Bearing Housing
Dimensions(mm)H97J76.5A215A111A25.5N11.5L55B27.4S11.5Z30.9A3-
NAFL202S Flange Bearing Units 2-Bolt Bearing Housing
Dimensions (mm)H97J76.5A215A111A25.5N11.5L55B137.3S13.9Z38.2F-
UEFL205 Flange Bearing Units 2 Bolt Bearing Housing
Dimensions(mm)H130J99A216A113A27N16L68B135.4S14.3Z37.1
UKFL206+H2306 Flange Bearing Units 2 Bolt Bearing Housing
Dimensions (mm)H148J117A218A113A31N16L80S120.5Z38.5
UCFLX05-15 Flange Bearing Units 2 Bolt Bearing Housing
Dimensions (mm)H141J117A218A113A30N12L83B38.1S15.9Z40.2