Golf Cart Wheel and Tire Alignment Reference Guide
The Golf Cart Wheel and Tire Alignment ReferenceKeeping your golf cart wheels and tires aligned is important for ride performance, ride quality, tire wear and ease of use. Your alignment gets thrown o...
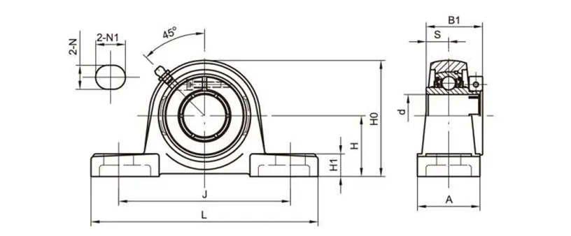
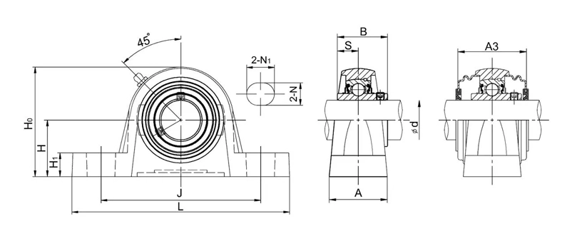
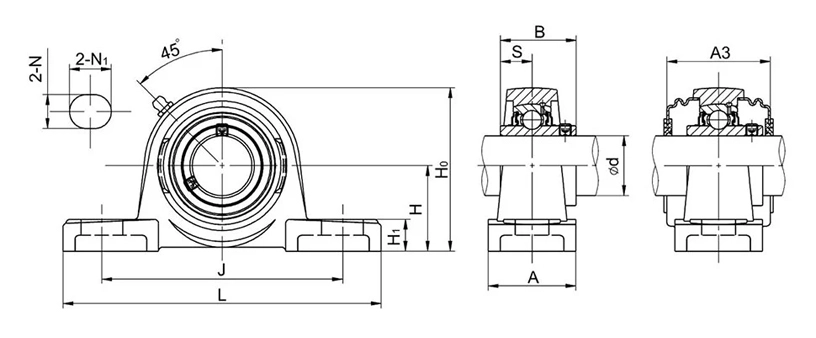
UCWP202 Pillow Block Bearings 2 Bolt Bearing Housing
Dimensions (mm)H30.2L125J95A32N13N118H113Ho57B27.4S11.5A3–
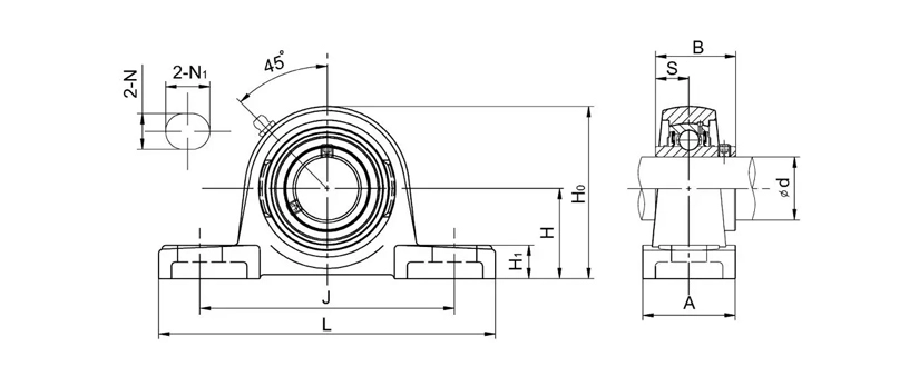
NAP202-9 Pillow Block Bearings 2 Bolt Bearing Housing
Dimensions (mm)H30.2L127J95A38N13N119H114Ho61B143.7S17.1
UEP205-14 Pillow Block Bearings 2 Bolt Bearing Housing
Dimensions (mm)H36.5L140J105A38N13N119H115Ho71B135.4S14.3
UKP206+HS2306 Pillow Block bearings 2 Bolt Bearing Housing
Dimensions (mm)H42.9L160J121A44N17N121H16Ho82B338S120.5
UCPX05-15 Pillow Pillow Block Bearings 2 Bolt Bearing Housing
Dimensions (mm)H44.4L159J119A51N17N120H118Ho85B38.1S15.9
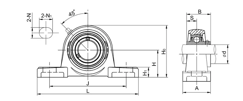
UCP308 Pillow Pillow Block Bearings 2 Bolt Bearing Housing
Dimensions (mm)H60L220J170A60N17N125H124Ho116B52S19
UCPE202-9 Pillow Block Bearings 2 Bolt Bearing Housing
Dimensions (mm)H30.2L124J95A31N11N115H114Ho57.1B26S10A3
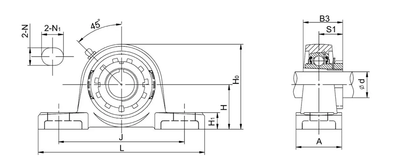
UCAK202-10 Pillow Block Bearings 2 Bolt Bearing Housing
Dimensions (mm)H27L121J89A35N12N116H113Ho54B26S10
SALP202-9 SBLP2 Pillow Block bearings 2 Bolt Bearing Housing
Dimensions (mm)H30.2L114J87A25N11N116H112Ho57B128.6S6.5
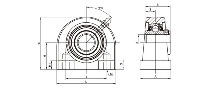
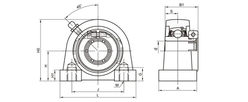
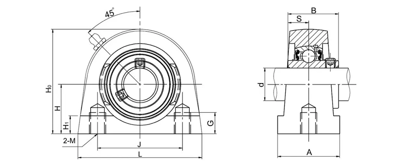
UCPA201 Pillow Block Bearings 2 Bolt Bearing Housing Tapped Base
Dimensions (mm)H30.2L76J52A38G13H111Ho62MM10B31S12.7
UEPA205-14 Pillow Block Bearings 2 Bolt Bearing Housing Tapped Base
Dimensions (mm)H36.5L84J56A38G15H112Ho72MM10B135.4S14.3
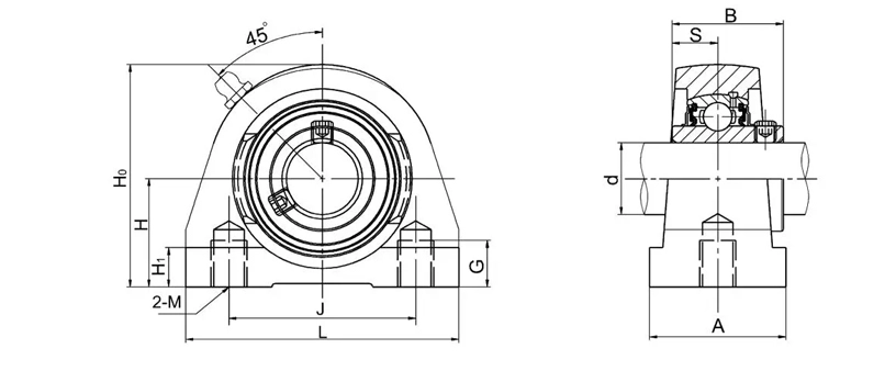
UCPW202-9 Pillow Block Bearings 2 Bolt Bearing Housing Tapped Base
Dimensions (mm)H33.3L65J50.8A32MM8G13Ho64H113B31S12.7
UCPG202-9 Pillow Block Bearings 2 Bolt Bearing Housing Tapped Base
Dimensions (mm)H33.3L70J49A38MM8G14H111Ho64B31S12.7
UCTB202-9 Pillow Block Bearings 2 Bolt Bearing Housing Tapped Base
Dimensions (mm)H33.3L73J50.8A38H110.9H065G13M3/8-16UNCS12.7B31