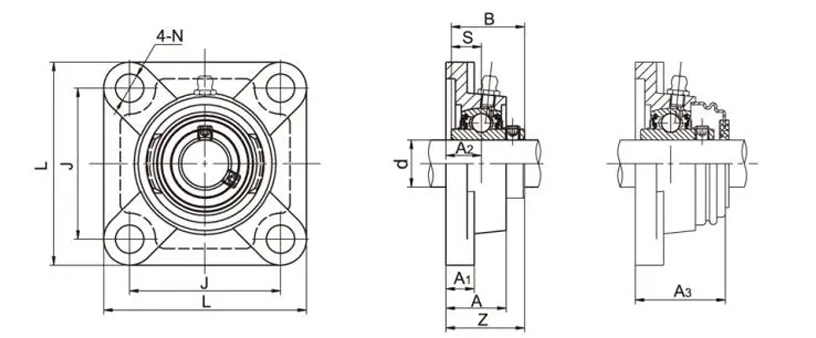
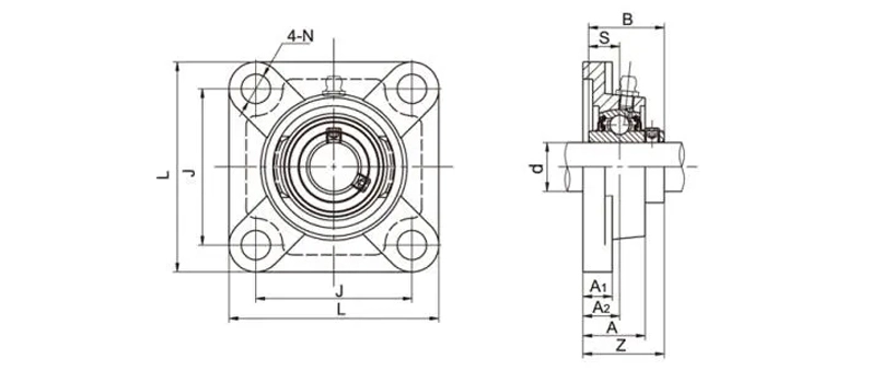
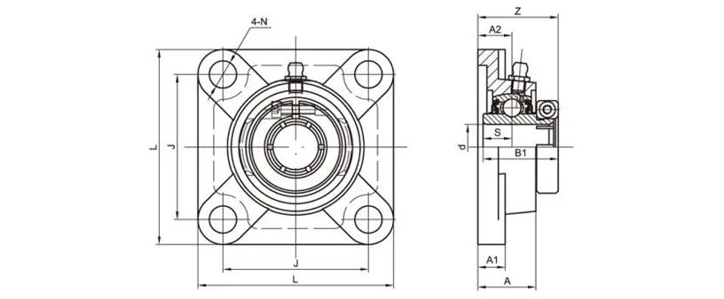
UCF201 Flange Bearing Units 4 Bolt Bearing Housing
Dimensions (mm)L86J64A215A112A25.5N12B31S12.7BZ33.3A3
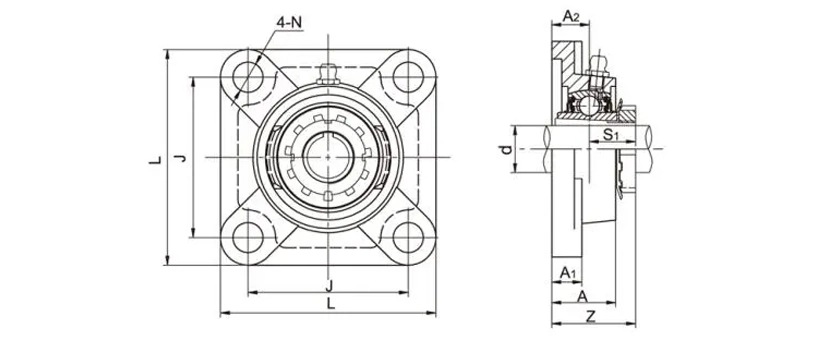
NAF202-10S Flange Bearing Units 4 Bolt Bearing Housing
Dimensions (mm)L76J54kz15A111A25.5N12S13.9Z38.4F—
UEF205-14 Flange Bearing Units 4 Bolt Bearing Housing
Dimensions(mm)L95J70A216A114A27N12B135.4S14.3Z37.1
UKF206+HS2306 Flange Bearing Units 4 Bolt Bearing Housing
Dimensions (mm)L108J83A218A114A31N12S120.5Z38.5
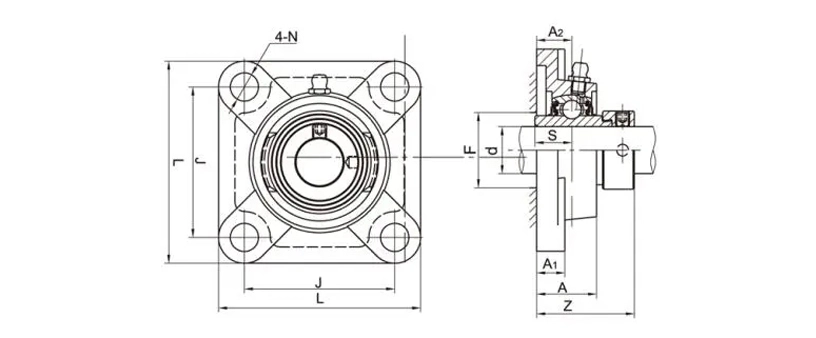
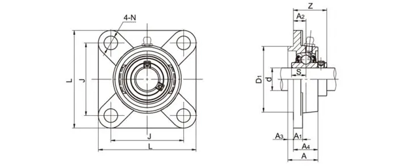
UCFX05-15 Flange Bearing Units 4 Bolt Bearing Housing
Dimensions (mm)L108J83A218A113A30N12B38.1S15.9Z40.2
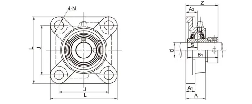
UCF308 Flange Bearing Units 4 Bolt Bearing Housing
Dimensions(mm)L150J112A223A117A40N19B52S19Z56
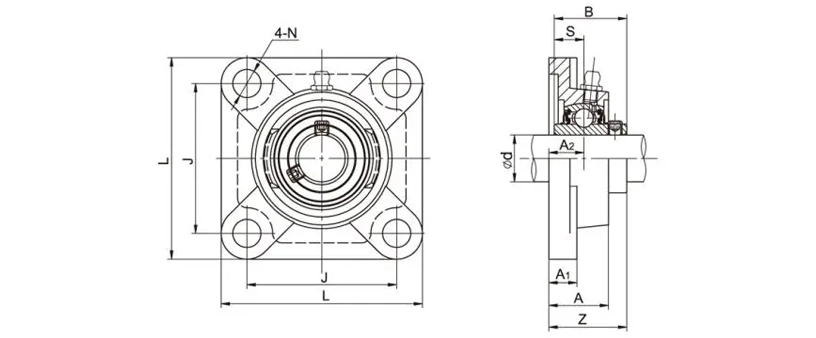
UCFS305-16 Flange Bearing Units 4 Bolt Bearing Housing
Dimensions (mm)L110J80A29A122A29H7H113N16D180S15Z32
NAFS202-1OS Flange Bearing Units 4 Bolt Bearing Housing
Dimensions (mm)L76J54A215A111A24.5N11.5B137.3S13.9Z38.4
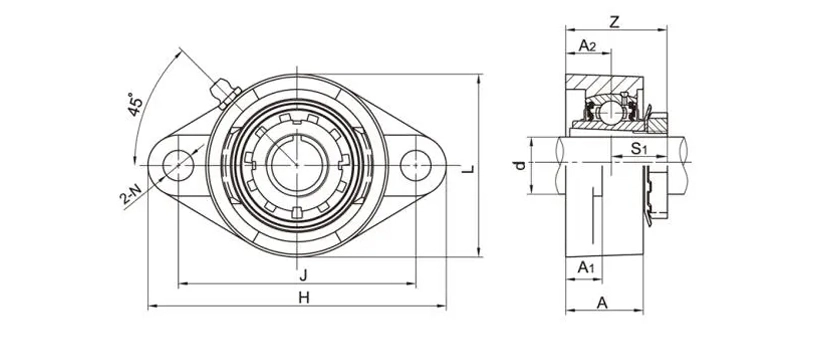
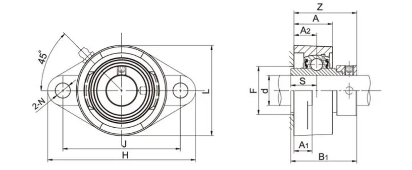
UCFL201 Flange Bearing Units 2 Bolt Bearing Housing
Dimensions(mm)H113J90A215A111A25.5N12L60B31S12.7Z33.3A3-
NAFL202-10S Flange Bearing Units 2-Bolt Bearing Housing
Dimensions (mm)H97J76.5A215A111A25.5N11.5L55B137.3S13.9Z38.2F-
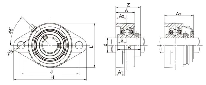
UEFL205-14 Flange Bearing Units 2 Bolt Bearing Housing
Dimensions(mm)H130J99A216A113A27N16L68B135.4S14.3Z37.1
UKFL206+HS2306 Flange Bearing Units 2 Bolt Bearing Housing
Dimensions (mm)H148J117A218A113A31N16L80S120.5Z38.5
UCFLX05-16 Flange Bearing Units 2 Bolt Bearing Housing
Dimensions (mm)H141J117A218A113A30N12L83B38.1S15.9Z40.2
UCFL308 Flange Bearing Units 2 Bolt Bearing Housing
Dimensions(mm)H200J158A223A117A40N23L112B52S19Z56
NAFLU202-10S Flange Bearing Units 2 Bolt Bearing Housing
Dimensions (mm)H99J76.5L57A215A111A24.5N11.5B137.3S13.9Z38.4