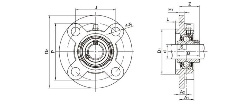
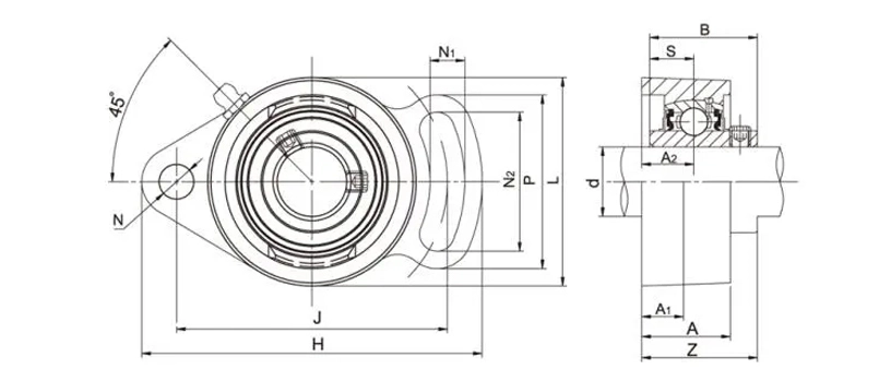
UCFA202-9 Adjustable Flange Bearings
Dimensions (mm)H98J78A215A112A25.5N10N110N240L60P50B31S12.7Z33.3
UCC202-9 Cylindrical Cartridge Bearings
Dimensions(mm)D167A20B27.4s11.5
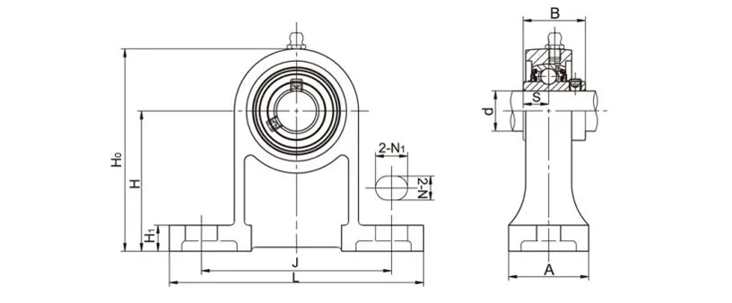
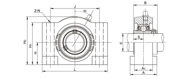
UCSB205-15 Pillow Block bearings 2 Bolt Bearing Housing
Dimensions (mm)H31.7L92J70A38A125H158Ho67N12B34.1s14.3
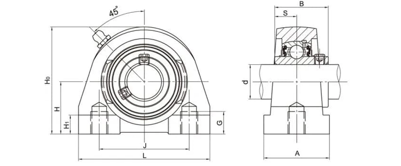
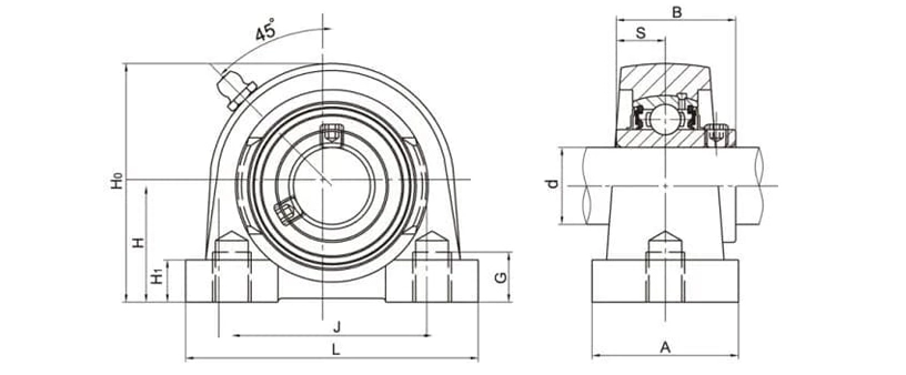
UCPH202-9 Pillow BLock Bearings 2 Bolt Bearing Housing Pedestal Base
Dimensions(mm)H70L127J95A40N13N119H115Ho101B31s12.7
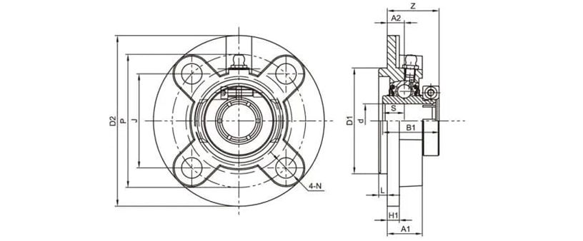
SSUCF205-14A Stainless Mounted Bearing
Dimensions(mm)L95J70A216A113A28N12z35.8B34.1S14.3
SSUEFL205-14EHB Stainless Mounted Bearing
Dimensions(mm)H130J99A216A113A28N12.5L68Z37.1B135.4S14.3
SSUCFL205-14EHB Stainless Mounted Bearing
Dimensions(mm)H130J99A216A113A28N12.5L68z35.8B34.1S14.3
SSUEF205-14EHB Stainless Mounted Bearing
Dimensions(mm)L95J70A216A114.3A27N12Z37.1B135.4S14.3
SSUCFL205-14A Stainless Mounted Bearing
Dimensions(mm)H130J99A216A113A28N12.5L68z35.8B34.1S14.3
SSUCT205-14 Stainless Mounted Bearing
Dimensions(mm)N116L210H251N232N19L351A112H176H89L97A32A224L162B34.1s14.3
SSUET205-14 Stainless Mounted Bearing
Dimensions(mm)N116L210H251N232N19L351A112H176H89L97A32A224L162B135.4S14.3
SSUCFC205-14 Stainless Mounted Bearing
Dimensions(mm)D2115P90J63.6A210N12L6H17A121D170B34.1S14.3z29.7
SSUEFC205-14 Stainless Mounted Bearing
Dimensions(mm)D2115P90J63.6A210N12L6H17A121D170B135.4S14.3z31
SSUCPA205-14 Stainless Mounted Bearing
Dimensions(mm)H36.5L84J56A38G15H112Ho72B34.1s14.3
SSUCPA205-14A Stainless Mounted Bearing
Dimensions(mm)H36.5L76J50.8A38G13H112Ho71B34.1s14.3