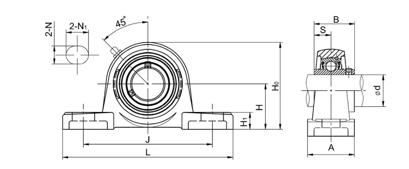
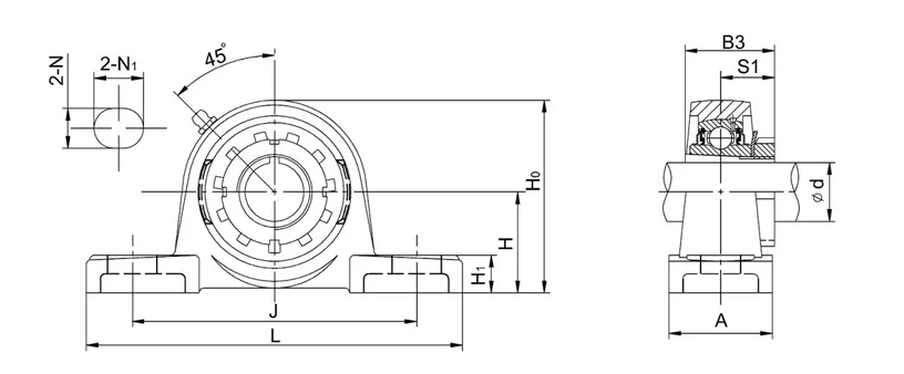
UKP206+HA2306 Pillow Block bearings 2 Bolt Bearing Housing
Dimensions (mm)H42.9L160J121A44N17N121H16Ho82B338S120.5
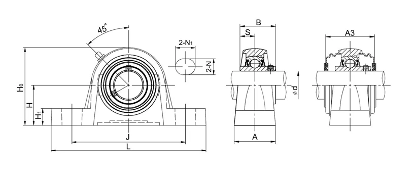
UCPX05-16 Pillow Pillow Block Bearings 2 Bolt Bearing Housing
Dimensions (mm)H44.4L159J119A51N17N120H118Ho85B38.1S15.9
UCP309 Pillow Pillow Block Bearings 2 Bolt Bearing Housing
Dimensions (mm)H67L245J190A67N20N130H125Ho129B57S22
UCPE203-10 Pillow Block Bearings 2 Bolt Bearing Housing
Dimensions (mm)H30.2L124J95A31N11N115H114Ho57.1B26S10A3
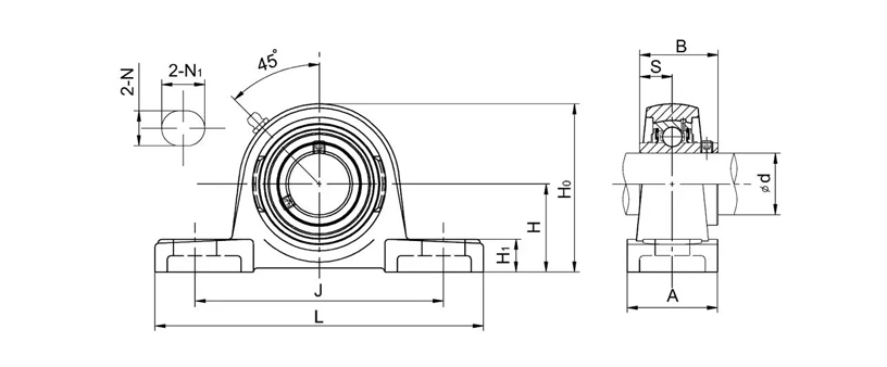
UCAK203 Pillow Block Bearings 2 Bolt Bearing Housing
Dimensions (mm)H27L121J89A35N12N116H113Ho54B26S10
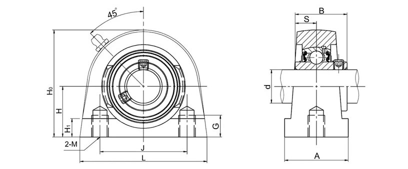
SALP202-10 SBLP2 Pillow Block bearings 2 Bolt Bearing Housing
Dimensions (mm)H30.2L114J87A25N11N116H112Ho57B128.6S6.5
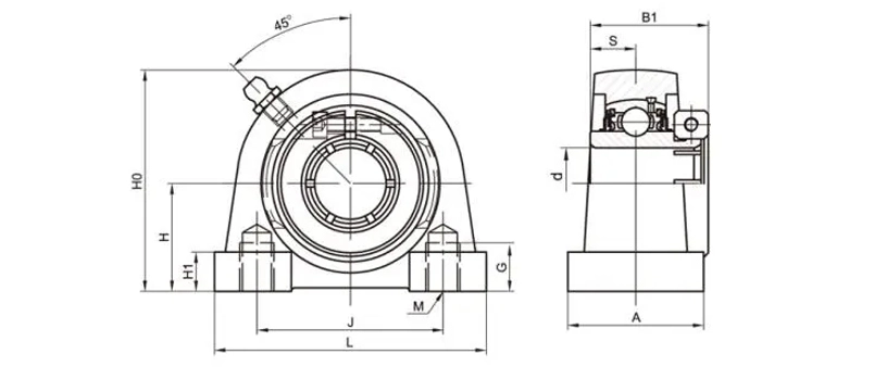
UCPA201-8 Pillow Block Bearings 2 Bolt Bearing Housing Tapped Base
Dimensions (mm)H30.2L76J52A38G13H111Ho62MM10B31S12.7
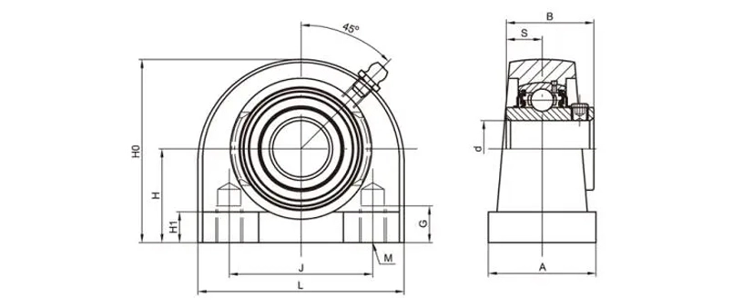
UEPA205-15 Pillow Block Bearings 2 Bolt Bearing Housing Tapped Base
Dimensions (mm)H36.5L84J56A38G15H112Ho72MM10B135.4S14.3
UCPW202-10 Pillow Block Bearings 2 Bolt Bearing Housing Tapped Base
Dimensions (mm)H33.3L65J50.8A32MM8G13Ho64H113B31S12.7
UCPG202-10 Pillow Block Bearings 2 Bolt Bearing Housing Tapped Base
Dimensions (mm)H33.3L70J49A38MM8G14H111Ho64B31S12.7
UCTB202-10 Pillow Block Bearings 2 Bolt Bearing Housing Tapped Base
Dimensions (mm)H33.3L73J50.8A38H110.9H065G13M3/8-16UNCS12.7B31
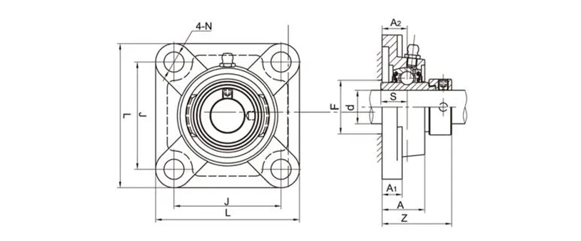
UCF201-8 Flange Bearing Units 4 Bolt Bearing Housing
Dimensions (mm)L86J64A215A112A25.5N12B31S12.7BZ33.3A3
NAF203S Flange Bearing Units 4 Bolt Bearing Housing
Dimensions (mm)L76J54kz15A111A25.5N12S13.9Z38.4F—
UEF205-15 Flange Bearing Units 4 Bolt Bearing Housing
Dimensions(mm)L95J70A216A114A27N12B135.4S14.3Z37.1
UKF206+HA2306 Flange Bearing Units 4 Bolt Bearing Housing
Dimensions (mm)L108J83A218A114A31N12S120.5Z38.5