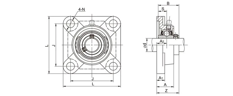
UCFX05-16 Flange Bearing Units 4 Bolt Bearing Housing
Dimensions (mm)L108J83A218A113A30N12B38.1S15.9Z40.2
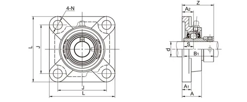
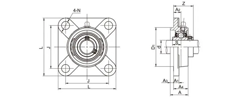
UCF309 Flange Bearing Units 4 Bolt Bearing Housing
Dimensions(mm)L160J125A225A118A44N19B57S22Z61
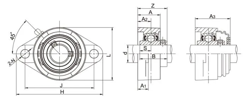
UCFS306 Flange Bearing Units 4 Bolt Bearing Housing
Dimensions (mm)L125J95A210A124A32H8H115N16D190S17Z36
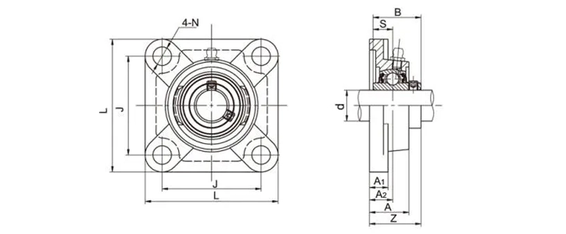
NAFS203S Flange Bearing Units 4 Bolt Bearing Housing
Dimensions (mm)L76J54A215A111A24.5N11.5B137.3S13.9Z38.4
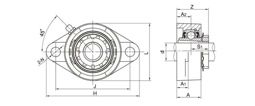
UCFL201-8 Flange Bearing Units 2 Bolt Bearing Housing
Dimensions(mm)H113J90A215A111A25.5N12L60B31S12.7Z33.3A3-
NAFL203S Flange Bearing Units 2-Bolt Bearing Housing
Dimensions (mm)H97J76.5A215A111A25.5N11.5L55B137.3S13.9Z38.2F-
UEFL205-15 Flange Bearing Units 2 Bolt Bearing Housing
Dimensions(mm)H130J99A216A113A27N16L68B135.4S14.3Z37.1
UKFL206+HA2306 Flange Bearing Units 2 Bolt Bearing Housing
Dimensions (mm)H148J117A218A113A31N16L80S120.5Z38.5
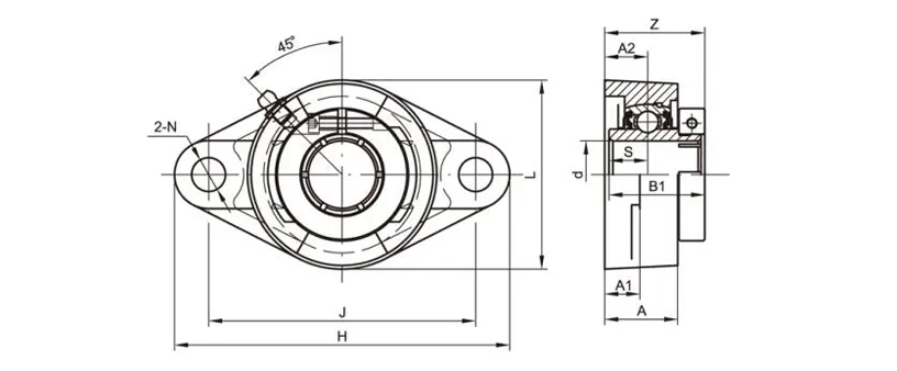
UCFLX06 Flange Bearing Units 2 Bolt Bearing Housing
Dimensions (mm)H156J130A219A115A34N16L95B42.9S17.5Z44.4
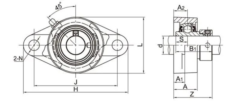
UCFL309 Flange Bearing Units 2 Bolt Bearing Housing
Dimensions(mm)H230J177A225A118A44N25L125B57S22Z60
NAFLU203S Flange Bearing Units 2 Bolt Bearing Housing
Dimensions (mm)H99J76.5L57A215A111A24.5N11.5B137.3S13.9Z38.4
UCFT202-10 Flange Bearing Units 2 Bolt Bearing Housing
Dimensions (mm)H99J76.2A215.1A111A25N10.5L54B27.4s11.5z31
UEFT205-14 Flange Bearing Units 2 Bolt Bearing Housing
Dimensions (mm)H124J98.8A215.9A113A27N12.5L70B135.4S14.3Z36.9
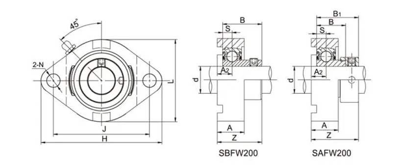
SBLF202-10 Flange Bearing Units 2 Bolt Bearing Housing
Dimensions(mm)H81J63.5A29.5A19.5A18N8L56B22s6z25.5
SBFW202-10 Flange Bearing Units 2 Bolt Bearing Housing
Dimensions(mm)H81J63.5A28.5A15N7L59B22S6z24.5