Stainless Steel Mounted Bearing Units
MATERIAL AND OPERATION TEMPERATUREDESCRIPTIONMATERIALSHOUSING:SUS 304BEARING INSERTSET SCREWSUS 304RETAINERSUS 201SLINGER &FRAMESUS 304NNER &OUTER RINGSSUS 440BALLSSUS 440GREASE NIPPLESUS 304G...
Common Anti-epidemic Deyuan Bearings in Action: An Introduction to the FFP2 Mask
About FFP2 standard masksEuropean standard EN 149:2001 defines three levels of dust mask protection: FFP1, FFP2 and FFP3.FFP1: minimum filtering effect > 80%FFP2: minimum filtering effect > 94%F...
Interchange Table
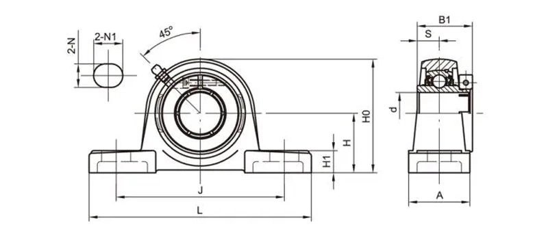
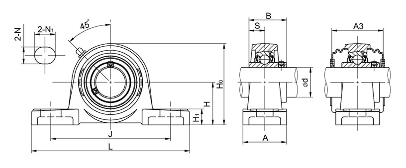
UCP201 Pillow Block Bearings 2 Bolt Bearing Housing
Dimensions (mm)H30.2L127J95A38N13N119H114Ho61B31S12.7A3–
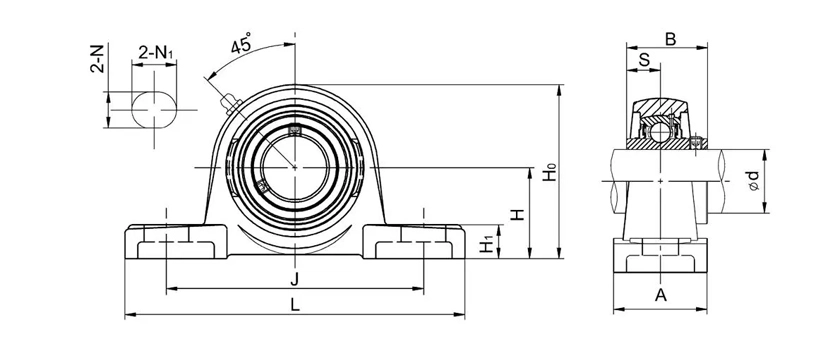
NAP203 Pillow Block Bearings 2 Bolt Bearing Housing
Dimensions (mm)H30.2L127J95A38N13N119H115Ho71B144.4S17.5
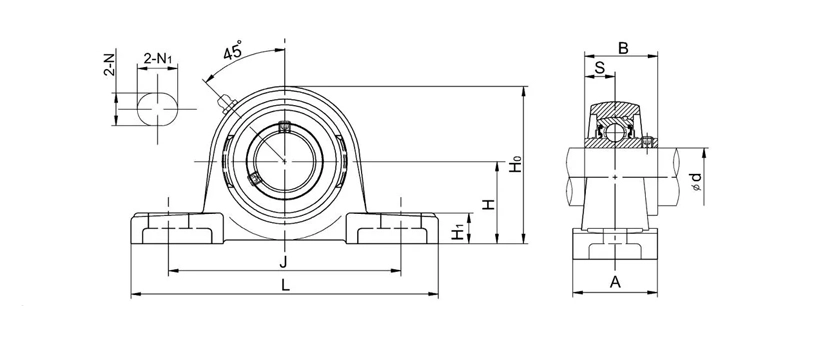
UEP205-16 Pillow Block Bearings 2 Bolt Bearing Housing
Dimensions (mm)H36.5L140J105A38N13N119H115Ho71B135.4S14.3
UKP206+HE2306 Pillow Block bearings 2 Bolt Bearing Housing
Dimensions (mm)H42.9L160J121A44N17N121H16Ho82B338S120.5
UCPX06 Pillow Pillow Block Bearings 2 Bolt Bearing Housing
Dimensions (mm)H47.6L175J127A57N17N120H120Ho93B42.9S17.5
UCP310 Pillow Pillow Block Bearings 2 Bolt Bearing Housing
Dimensions (mm)H75L275J212A75N20N135H127Ho143B61S22
UCPE203 Pillow Block Bearings 2 Bolt Bearing Housing
Dimensions (mm)H30.2L124J95A31N11N115H114Ho57.1B26S10A3
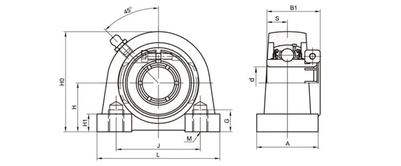
UCAK204 Pillow Block Bearings 2 Bolt Bearing Housing
Dimensions (mm)H31.8L133J98A41N12N116H114.3Ho64B31S12.7
SALP203 SBLP2 Pillow Block bearings 2 Bolt Bearing Housing
Dimensions (mm)H30.2L114J87A25N11N116H112Ho57B128.6S6.5
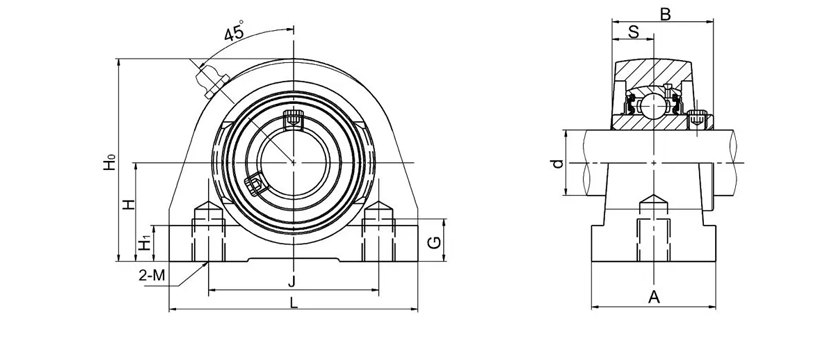
UCPA202 Pillow Block Bearings 2 Bolt Bearing Housing Tapped Base
Dimensions (mm)H30.2L76J52A38G13H111Ho62MM10B31S12.7
UEPA205-16 Pillow Block Bearings 2 Bolt Bearing Housing Tapped Base
Dimensions (mm)H36.5L84J56A38G15H112Ho72MM10B135.4S14.3
UCPW203 Pillow Block Bearings 2 Bolt Bearing Housing Tapped Base
Dimensions (mm)H33.3L65J50.8A32MM8G13Ho64H113B31S12.7