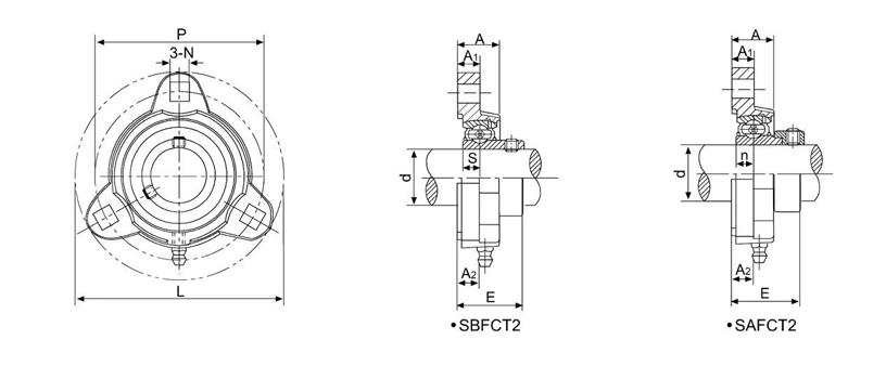
SBFCT204 Flange Mounted Bearings 3 Bolt Bearing Housing
Dimensions (mm)L90.5P71.4A111.1A19.8A211.1N8.7s7E29.1
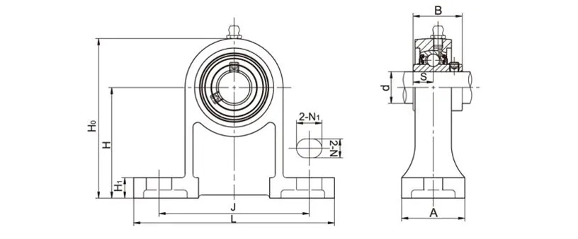
UCHA206-17 Hanger Bearing Units Bearing Housing
Dimensions(mm)L78Ho103H64A40M(in)G3/4F19C0A128B38.1S15.9
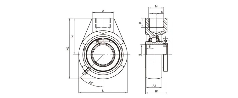
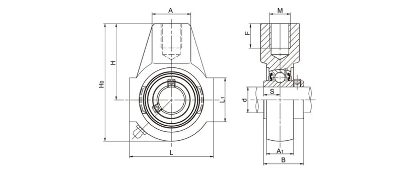
UEHA206-17 Hanger Bearing Units Bearing Housing
Dimensions(mm)L78H0103H64A40M(in)G3/4F19C0A128B139.8S15.9
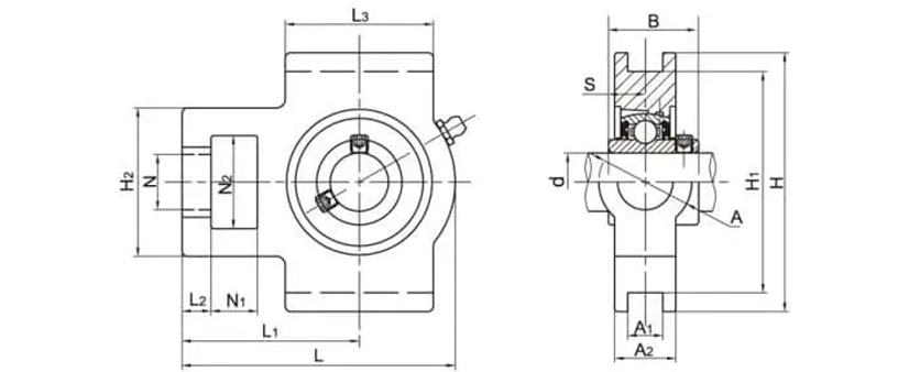
UCHE204 Hanger Bearing Units Bearing Housing
Dimensions(mm)L65Ho91H58A30MM16F21L138A124B31S12.7
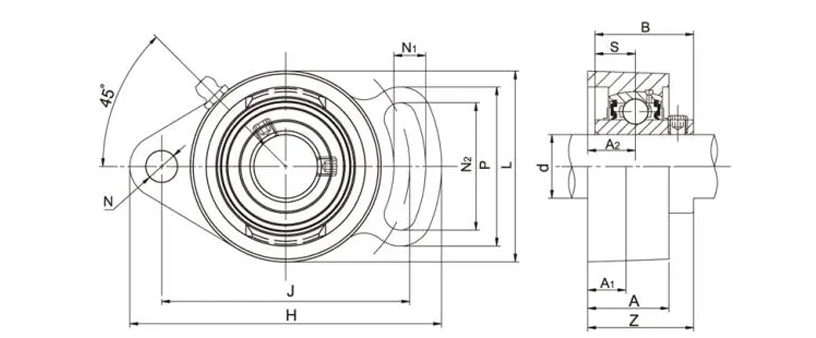
UCFA204 Adjustable Flange Bearings
Dimensions (mm)H98J78A215A112A25.5N10N110N240L60P50B31S12.7Z33.3
UCC204 Cylindrical Cartridge Bearings
Dimensions(mm)D172A20B31s12.7
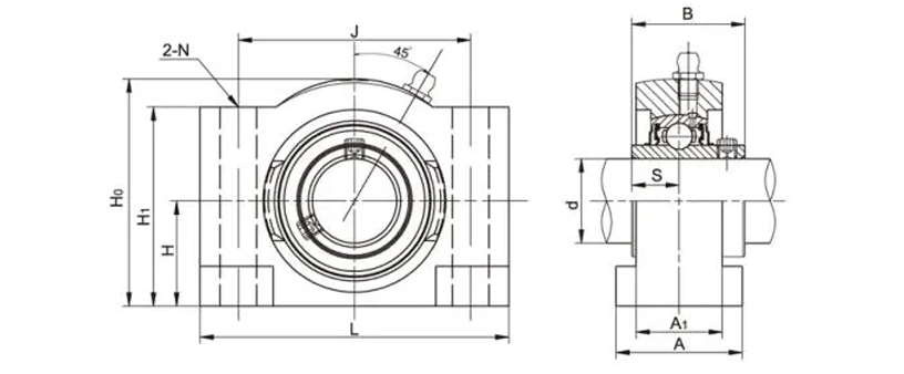
UCSB206-18 Pillow Block bearings 2 Bolt Bearing Housing
Dimensions (mm)H38.1L108J83A44A130H168Ho78N12B38.1s15.9
UCPH204 Pillow BLock Bearings 2 Bolt Bearing Housing Pedestal Base
Dimensions(mm)H70L127J95A40N13N119H115Ho101B31s12.7
SSUCF206-17A Stainless Mounted Bearing
Dimensions(mm)L108J83A218A113A31N12z40.2B38.1S15.9
SSUEFL206-17EHB Stainless Mounted Bearing
Dimensions(mm)H148J117A218A113A31N12.5L79Z41.9B139.8S15.9
SSUCFL206-17EHB Stainless Mounted Bearing
Dimensions(mm)H148J117A218A113A31N12.5L79z40.2B38.1S15.9
SSUEF206-17EHB Stainless Mounted Bearing
Dimensions(mm)L108J83A218A114A31N12Z41.9B139.8S15.9
SSUCFL206-17A Stainless Mounted Bearing
Dimensions(mm)H148J117A218A113A31N12.5L79z40.2B38.1S15.9
SSUCT206-17 Stainless Mounted Bearing
Dimensions(mm)N116L210H256N237N22L357A112H189H102L113A37A228L170B38.1s15.9
SSUET206-17 Stainless Mounted Bearing
Dimensions(mm)N116L210H256N237N22L357A112H189H102L113A37A228L170B139.8S15.9