SBPFTD205-14 Flange Bearing Units 2 Bolt Bearing Housing
Dimensions (mm)H96J76.2L69A210.5A19A18.7N8.7s7.5B27z28.2
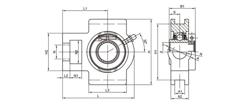
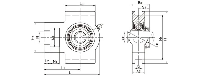
UCT203 Take Up Bearing Units Bearing Housing
Dimensions(mm)N116L210H251N232N19L351A112H176H89L94A32A221L161B31S12.7A3-
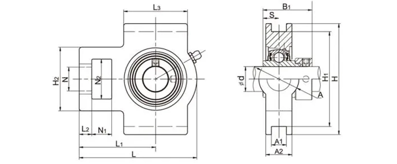
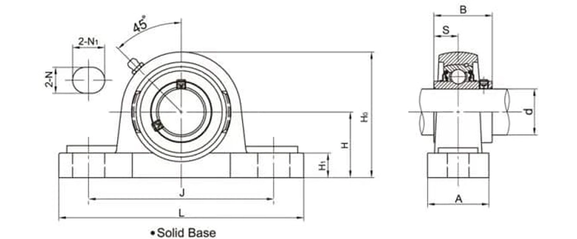
NAT202 Take Up Bearing Units Bearing Housing
Dimensions (mm)N116L210H251N232N19L351A112H176H89L94A32A221L161B143.5s17
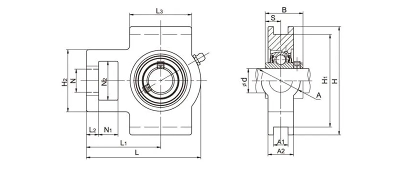
UET206-18 Take Up Bearing Units Bearing Housing
Dimensions(mm)N116L210H256N237N22L357A112H189H102L113A37A228L170B139.8S15.9
UKT208+HE2308 Take Up Bearing Units Bearing Housing
Dimensions (mm)N119L216H283N249N29L383A116H1102H114L144A49A233L188B346S124.5
UCTX06-19 Take Up Bearing Units Bearing Housing
Dimensions (mm)N116L215H264N237N22L364A112H189H102L129A37A230L178B42.9s17.5
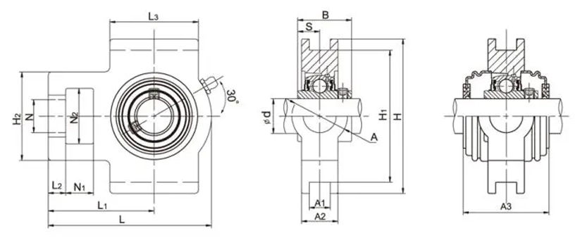
UCT313 Take Up Bearing Units Bearing Housing
Dimensions(mm)N132L225H2116N270N43L3134A126H1170H190L238A80A250L1146B75S30
UCST205 Take Up Bearing Units Bearing Housing
Dimensions (mm)N116L210H251N232N19L351A113.5H176H89L97A32A224L162B34S14.3
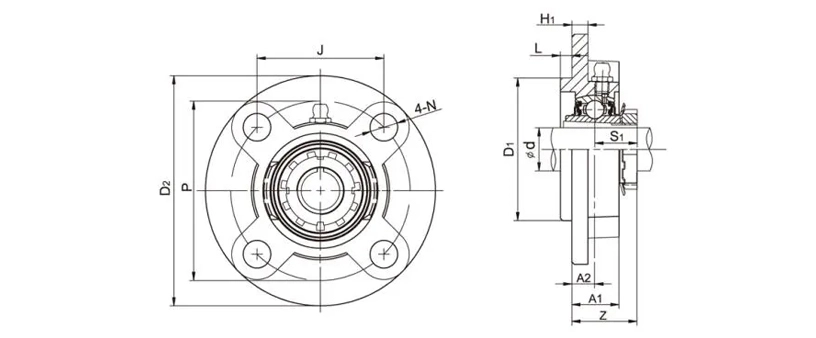
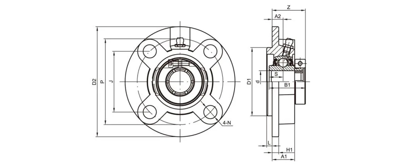
UCFC204-12 Flange Cartridge Bearing Units 4 Bolt Bearing Housing
Dimensions(mm)D2100P78J55.1A210N12L5H17A120.5D162B31S12.7Z28.3
NAFC202 Flange Cartridge Bearing Units 4 Bolt Bearing Housing
Dimensions (mm)D2100P78J55.1A210N12L5H17A120.5D162S17.1z36.5
SSUCP206-18ESB Stainless Mounted Bearing
Dimensions(mm)H42.9L165J121A48N17N121H118Ho82B38.1S15.9
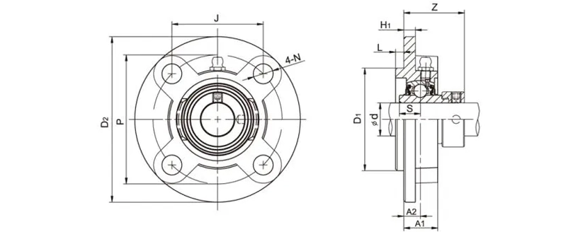
UEFC206-18 Flange Cartridge Bearing Units 4 Bolt Bearing Housing
Dimensions(mm)D2125P100J70.7A210N12L8H18A123D180B139.8S15.9Z33.9
UKFC207+HA2307 Flange Cartridge Bearing Units 4 Bolt Bearing Housing
Dimensions (mm)D2135P110J77.8A211N14L8H19A126D190S122.5Z33.5
SSUCP206-18A Stainless Mounted Bearing
Dimensions(mm)H42.9L165J121A36N17N121H116Ho82B38.1S15.9
SSUCF206-18EHB Stainless Mounted Bearing
Dimensions(mm)L108J83A218A114A31N12z40.2B38.1S15.9