WP-SSBP207 Waterproof Housing Units
Dimensions(mm)L167J126H47.6Ho98H120N14N124A38.6A121.3B32Z44.6A361
WP-SSBFL207 Waterproof Housing Units
Dimensions(mm)H163J130A219.5A126N11L93B32Z43A359
WP-SSBF207 Waterproof Housing Units
Dimensions(mm)H120J92A219.5A126N11B32Z45A359
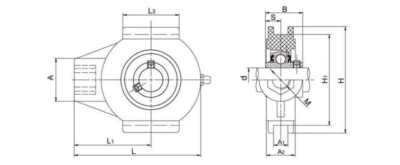
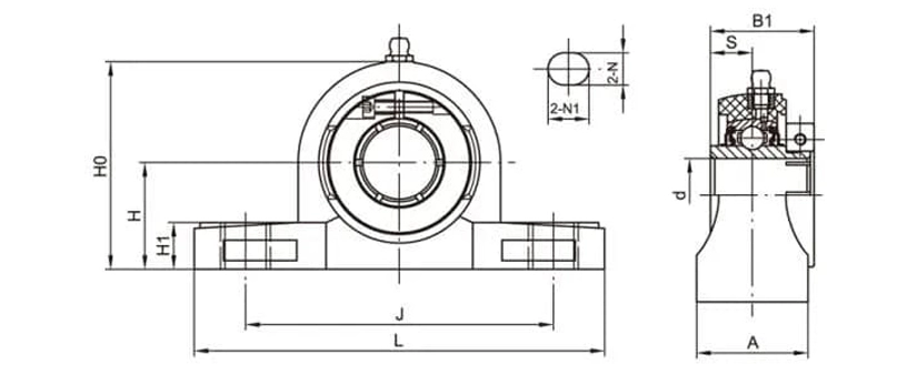
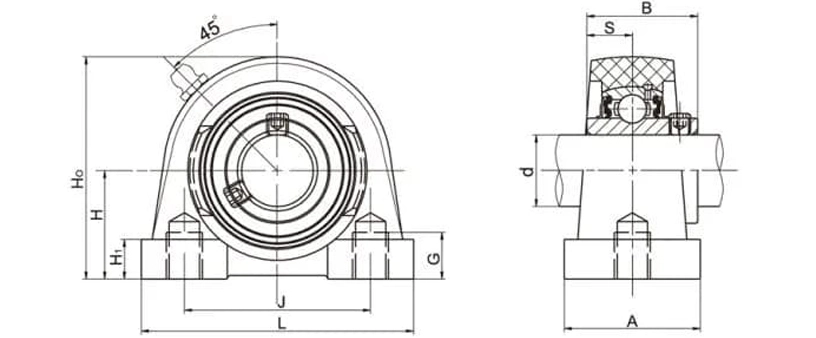
TP-SUCP205-15 Thermoplastic Housing Units
Dimensions(mm)H36.5L140J105A38N11N114H116Ho71B34.1S14.3
TP-SUEP207 Thermoplastic Housing Units
Dimensions(mm)H47.6L168J127A48N14N118H118Ho94.5B143.9S17.5
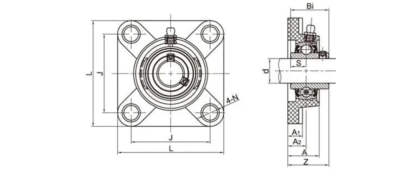
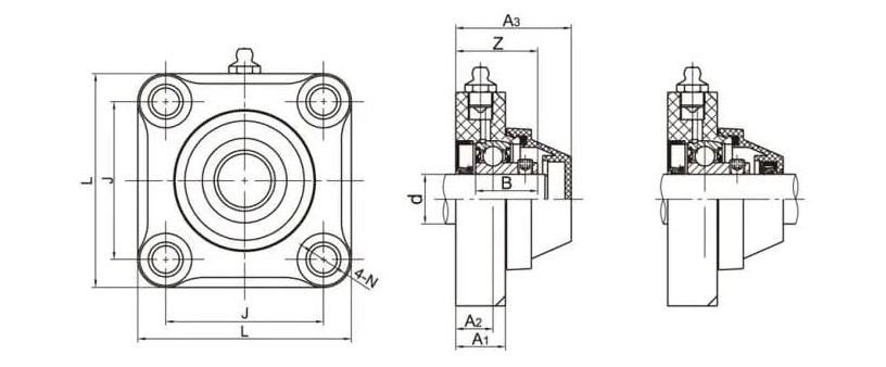
TP-SUCF205-15 Thermoplastic Housing Units
Dimensions(mm)L95J70A217Al14A28N11B34.1S14.3z36.7
TP-SUEF207 Thermoplastic Housing Units
Dimensions(mm)L118J92A221.5Al15.5A34.8N13B143.9S17.5z47.9
TP-SUCFL205-15 Thermoplastic Housing Units
Dimensions(mm)H131J99A217A114A29N11L69B34.1S14.3Z36.7
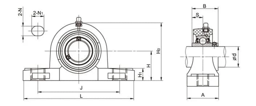
TP-SUCPA205-15 Thermoplastic Housing Units
Dimensions(mm)h36.5L84J56A38Ho72G12H114B34.1S14.3
TP-SUEPA207 Thermoplastic Housing Units
Dimensions(mm)H47.6L110J80A48H095G12H118B143.9S17.5MM10
TP-SUCT205-15 Thermoplastic Housing Units
Dimensions(mm)L99A227.5A112L164H88H176MM16A36L347B34.1S14.3
TP-SUET207 Thermoplastic Housing Units
Dimensions(mm)L125A234.5A112L176H102H189MM16A40L363B143.9S17.5
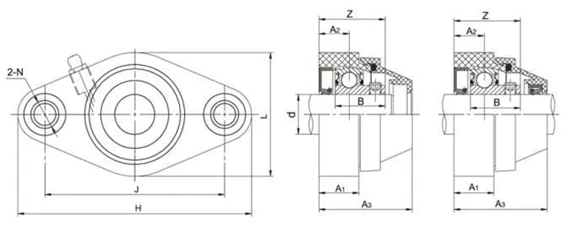
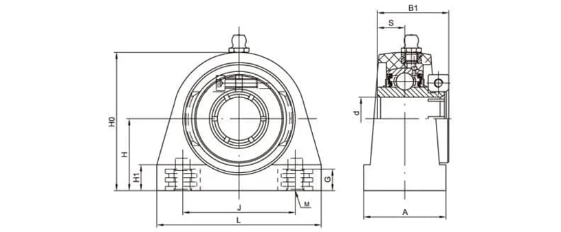
TP-SUCFB205-15 Thermoplastic Housing Units
Dimensions(mm)Ho121H46J41.3j28.6A221.3A112.3A33N11L70P63B34.1S14.3Z41.1
TP-SUEFB207 Thermoplastic Housing Units
Dimensions(mm)H0158H60.3J50.8j31.8A224.5A117A37.5N13L94P89B143.9S17.5Z50.9
TP-SUCTB205-16 Thermoplastic Housing Units
Dimensions(mm)H36.5A39.7Ho73.4J50.8L76.2M3/8-16B34.1S14.3