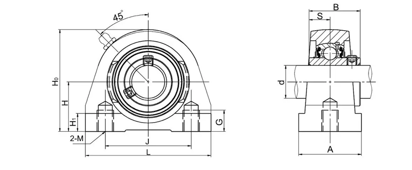
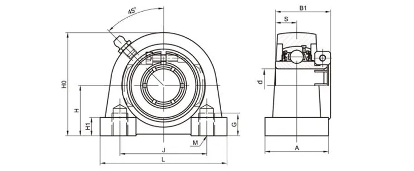
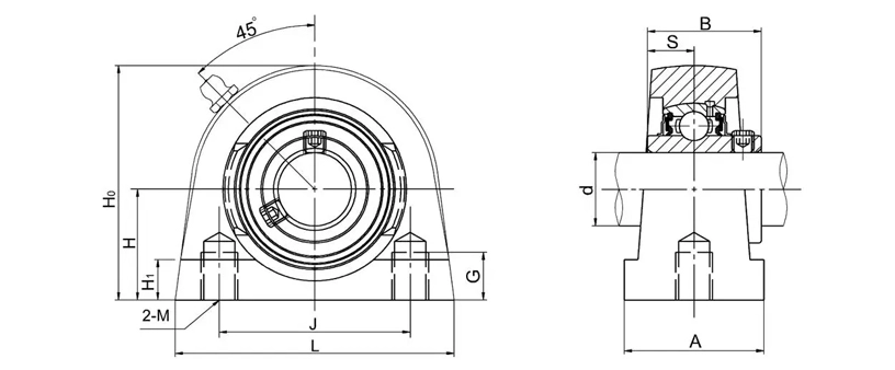
UCPA205-14 Pillow Block Bearings 2 Bolt Bearing Housing Tapped Base
Dimensions (mm)H36.5L84J56A38G15H112Ho72MM10B34.1S14.3
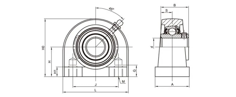
UEPA207-21 Pillow Block Bearings 2 Bolt Bearing Housing Tapped Base
Dimensions (mm)H47.6L110J80A48G20H113Ho95MM14B143.9S17.5
UCPW206 Pillow Block Bearings 2 Bolt Bearing Housing Tapped Base
Dimensions (mm)H42.9L98J76.2A38MM10G16Ho82H115B38.1S15.9
UCPG206 Pillow Block Bearings 2 Bolt Bearing Housing Tapped Base
Dimensions (mm)H42.9L85J60A48MM10G17H113Ho84B38.1S15.9
UCTB206 Pillow Block Bearings 2 Bolt Bearing Housing Tapped Base
Dimensions (mm)H42.9L102J76.2A38H112H086G16M7/16-14UNCS15.9B38.1
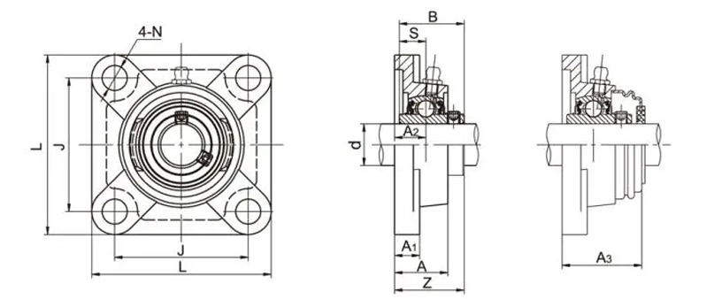
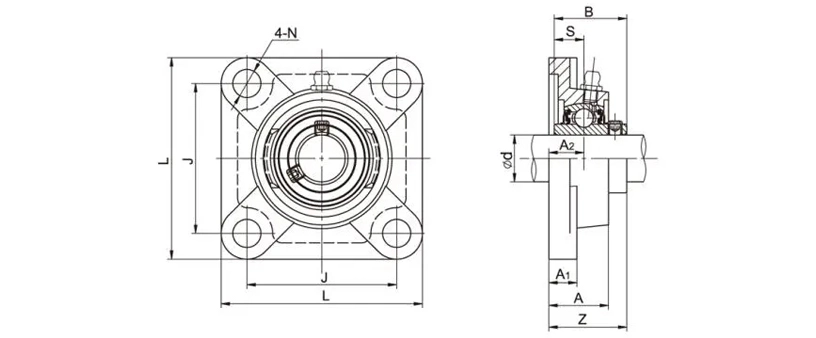
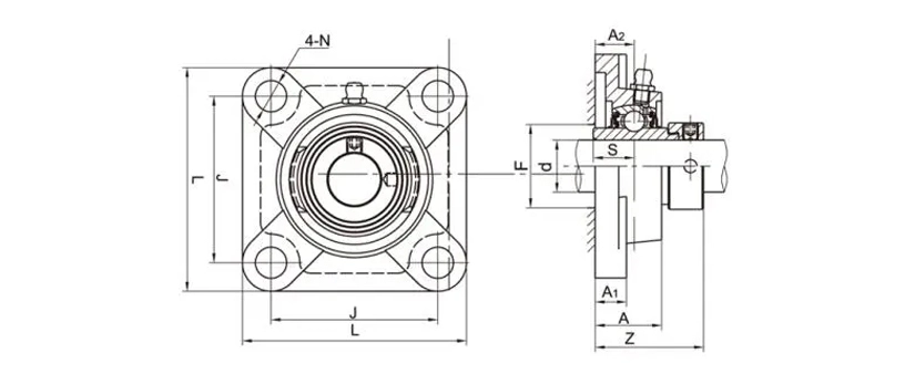
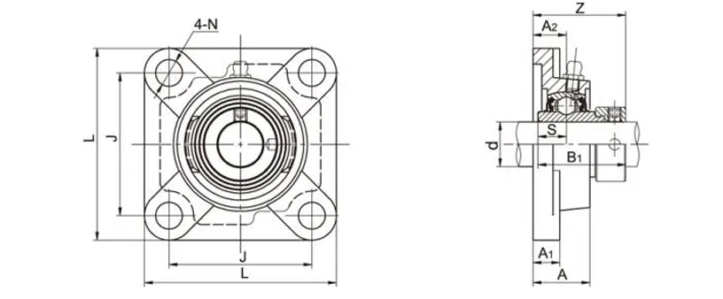
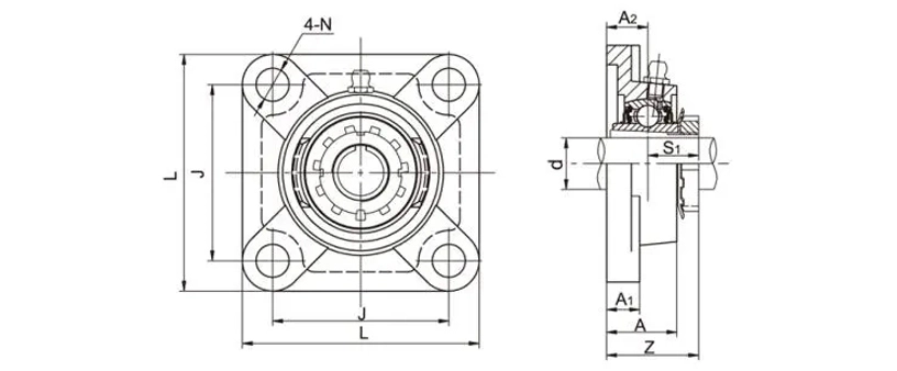
UCF205-14 Flange Bearing Units 4 Bolt Bearing Housing
Dimensions (mm)L95J70A216A114A27N12B34.1S14.3BZ35.8A340
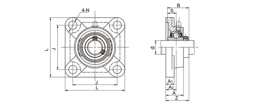
NAF204-12 Flange Bearing Units 4 Bolt Bearing Housing
Dimensions (mm)L86J64kz15A112A25.5N12S17.1Z41.6F32
UEF207-21 Flange Bearing Units 4 Bolt Bearing Housing
Dimensions(mm)L117J92A219A116A34N14B143.9S17.5Z45.4
UKF209+HA2309 Flange Bearing Units 4 Bolt Bearing Housing
Dimensions (mm)L137J105A222A118A38N16S126Z48
UCFX07-23 Flange Bearing Units 4 Bolt Bearing Housing
Dimensions (mm)L130J101.5A221A114A38N16B49.2S19Z51.2
UCF318 Flange Bearing Units 4 Bolt Bearing Housing
Dimensions(mm)L280J216A244A130A76N35B96S40Z100
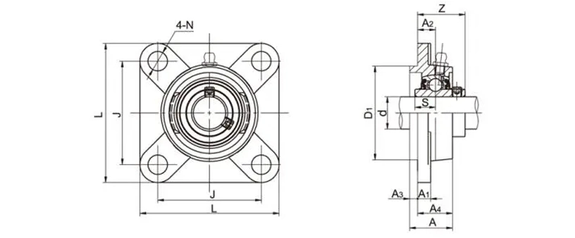
UCFS308-25 Flange Bearing Units 4 Bolt Bearing Housing
Dimensions (mm)L150J112A213A130A40H10H117N19D1115S19Z46
NAFS204-12 Flange Bearing Units 4 Bolt Bearing Housing
Dimensions (mm)L86J63.5A219A115A29.5N11.5B143.7S17Z45.5
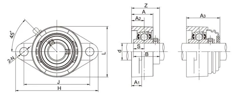
UCFL205-14 Flange Bearing Units 2 Bolt Bearing Housing
Dimensions(mm)H130J99A216A113A27N16L68B34.1S14.3Z35.8A340
NAFL204-12 Flange Bearing Units 2-Bolt Bearing Housing
Dimensions (mm)H113J90A215A111A25.5N12L60B143.7S17.1Z41.6F32