TP-SUEF207-20 Thermoplastic Housing Units
Dimensions(mm)L118J92A221.5Al15.5A34.8N13B143.9S17.5z47.9
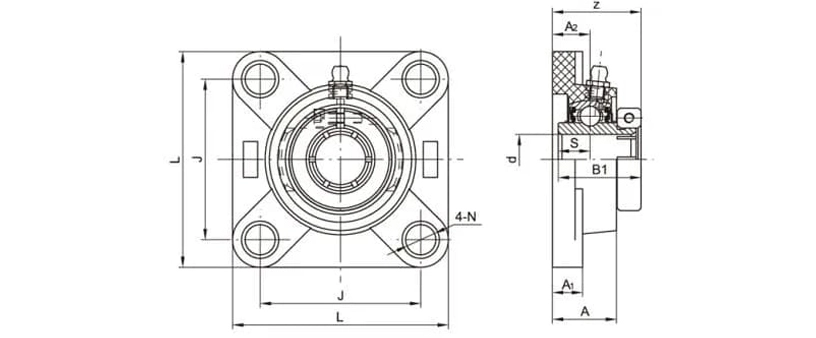
TP-SUCFL205-16 Thermoplastic Housing Units
Dimensions(mm)H131J99A217A114A29N11L69B34.1S14.3Z36.7
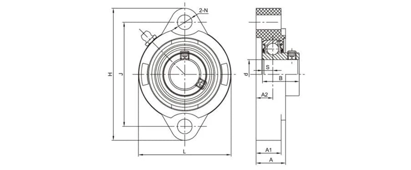
TP-SUCPA205-16 Thermoplastic Housing Units
Dimensions(mm)h36.5L84J56A38Ho72G12H114B34.1S14.3
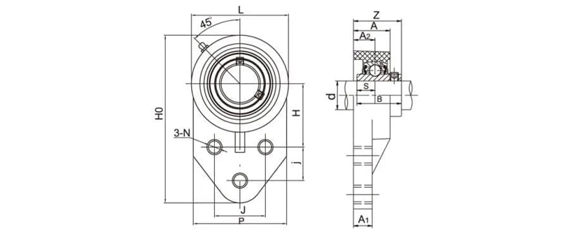
TP-SUEPA207-20 Thermoplastic Housing Units
Dimensions(mm)H47.6L110J80A48H095G12H118B143.9S17.5MM10
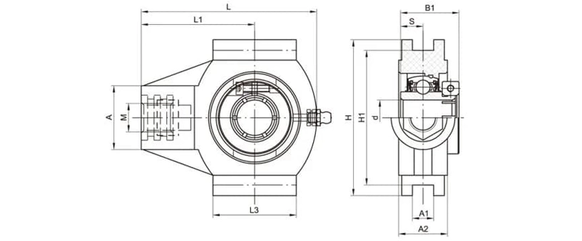
TP-SUCT205-16 Thermoplastic Housing Units
Dimensions(mm)L99A227.5A112L164H88H176MM16A36L347B34.1S14.3
TP-SUET207-20 Thermoplastic Housing Units
Dimensions(mm)L125A234.5A112L176H102H189MM16A40L363B143.9S17.5
TP-SUCFB205-16 Thermoplastic Housing Units
Dimensions(mm)Ho121H46J41.3j28.6A221.3A112.3A33N11L70P63B34.1S14.3Z41.1
TP-SUEFB207-20 Thermoplastic Housing Units
Dimensions(mm)H0158H60.3J50.8j31.8A224.5A117A37.5N13L94P89B143.9S17.5Z50.9
TP-SUCTB206-17 Thermoplastic Housing Units
Dimensions(mm)H42.9A42.5Ho84J76.2L101.6M7/16-14B38.1S15.9
TP-SUETB207-22 Thermoplastic Housing Units
Dimensions(mm)H47.6A47.6Ho95J82.6L111M1/2-13G15H116B143.9S17.5
TP-SSBLF206-20 Thermoplastic Housing Units
Dimensions(mm)H112.5J90.5L84A120.5A23.3N11A211.5B30S8
SBPP206 Stamped Housing Units
Dimensions(mm)L117J95H33.3H14Ho66.3N11.5A38B30S8