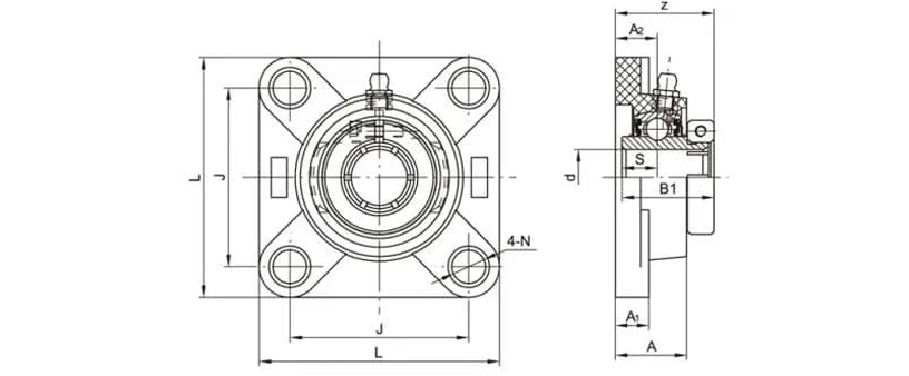
TP-SUEF207-21 Thermoplastic Housing Units
Dimensions(mm)L118J92A221.5Al15.5A34.8N13B143.9S17.5z47.9
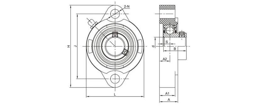
TP-SUCFL206 Thermoplastic Housing Units
Dimensions(mm)H148J117A219A114A31N11L80B38.1S15.9Z41.2
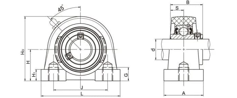
TP-SUCPA206 Thermoplastic Housing Units
Dimensions(mm)h42.9L95J66A48Ho84G12H116B38.1S15.9
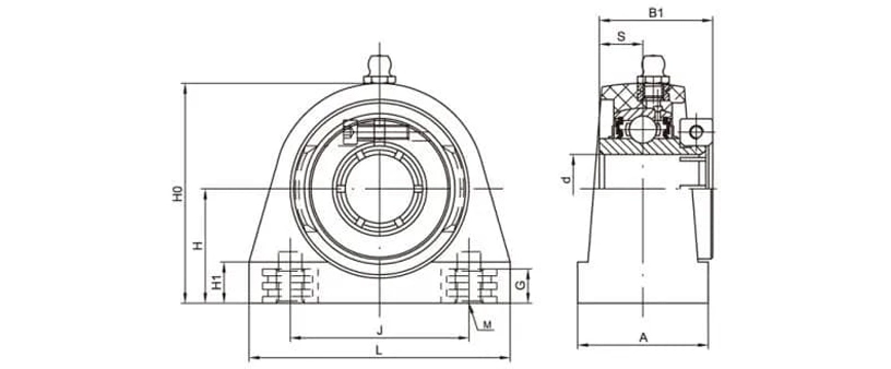
TP-SUEPA207-21 Thermoplastic Housing Units
Dimensions(mm)H47.6L110J80A48H095G12H118B143.9S17.5MM10
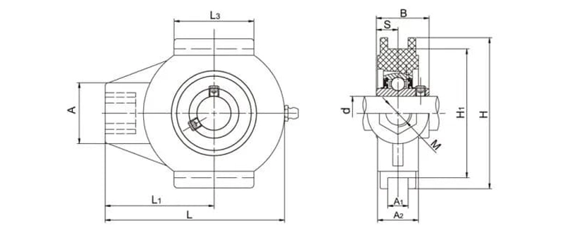
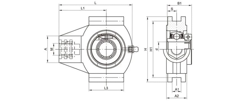
TP-SUCT206 Thermoplastic Housing Units
Dimensions(mm)L125A234.5A112L176H102H189MM16A40L363B38.1S15.9
TP-SUET207-21 Thermoplastic Housing Units
Dimensions(mm)L125A234.5A112L176H102H189MM16A40L363B143.9S17.5
TP-SUCFB206 Thermoplastic Housing Units
Dimensions(mm)Ho139H52.4J47.6j31.8A222.9A114.5A35.4N11L83P76B38.1S15.9Z47.6
TP-SUEFB207-21 Thermoplastic Housing Units
Dimensions(mm)H0158H60.3J50.8j31.8A224.5A117A37.5N13L94P89B143.9S17.5Z50.9
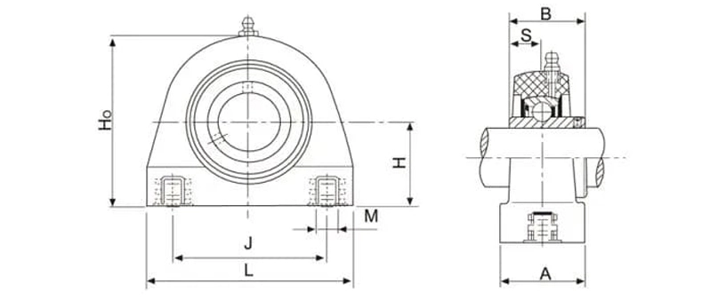
TP-SUCTB206-18 Thermoplastic Housing Units
Dimensions(mm)H42.9A42.5Ho84J76.2L101.6M7/16-14B38.1S15.9
TP-SUETB207 Thermoplastic Housing Units
Dimensions(mm)H47.6A47.6Ho95J82.6L111M1/2-13G15H116B143.9S17.5
TP-SSBLF207 Thermoplastic Housing Units
Dimensions(mm)H126J100L94A122.5A25.3N11A212.5B32S8.5
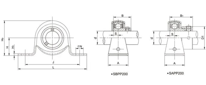
SBPP206-18 Stamped Housing Units
Dimensions(mm)L117J95H33.3H14Ho66.3N11.5A38B30S8