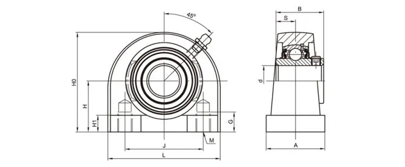
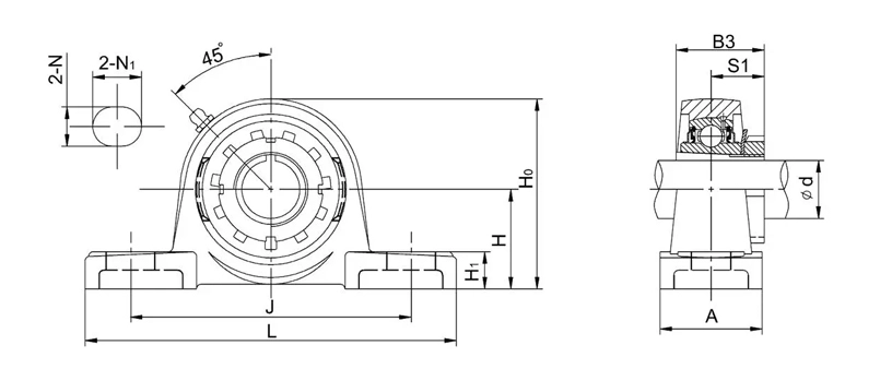
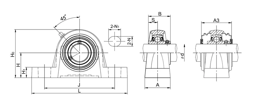
UEP207-23 Pillow Block Bearings 2 Bolt Bearing Housing
Dimensions (mm)H47.6L167J126A48N17N121H117Ho92B143.9S17.5
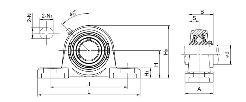
UKP210+H2310 Pillow Block bearings 2 Bolt Bearing Housing
Dimensions (mm)H57.2L206J159A60N20N125H121Ho114B355S127.5
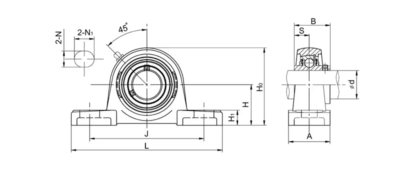
UCPX08-24 Pillow Pillow Block Bearings 2 Bolt Bearing Housing
Dimensions (mm)H58.7L222J156A67N20N123H126Ho112B49.2S19
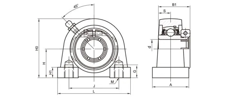
UCP320 Pillow Pillow Block Bearings 2 Bolt Bearing Housing
Dimensions (mm)H140L490J380A120N36N150H150Ho275B108S42
UCPE206-18 Pillow Block Bearings 2 Bolt Bearing Housing
Dimensions (mm)H42.9L160J121A48N17N121H118Ho83B38.1S15.9A352
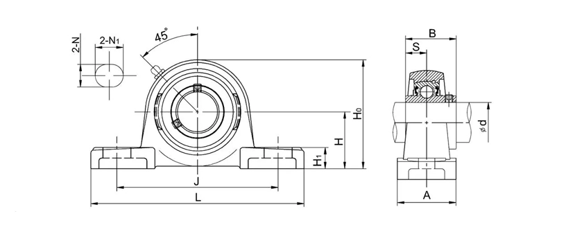
UCAK206-19 Pillow Block Bearings 2 Bolt Bearing Housing
Dimensions (mm)H39.7L160J121A48N15N119H117Ho80B38.1S15.9
SALP206-18 SBLP2 Pillow Block bearings 2 Bolt Bearing Housing
Dimensions (mm)H42.9L156J121A33N14N121H116Ho82B135.7S9
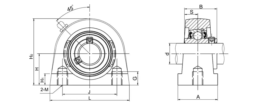
UCPA205-16 Pillow Block Bearings 2 Bolt Bearing Housing Tapped Base
Dimensions (mm)H36.5L84J56A38G15H112Ho72MM10B34.1S14.3
UEPA207-23 Pillow Block Bearings 2 Bolt Bearing Housing Tapped Base
Dimensions (mm)H47.6L110J80A48G20H113Ho95MM14B143.9S17.5
UCPW206-18 Pillow Block Bearings 2 Bolt Bearing Housing Tapped Base
Dimensions (mm)H42.9L98J76.2A38MM10G16Ho82H115B38.1S15.9
UCPG206-18 Pillow Block Bearings 2 Bolt Bearing Housing Tapped Base
Dimensions (mm)H42.9L85J60A48MM10G17H113Ho84B38.1S15.9
UCTB206-18 Pillow Block Bearings 2 Bolt Bearing Housing Tapped Base
Dimensions (mm)H42.9L102J76.2A38H112H086G16M7/16-14UNCS15.9B38.1
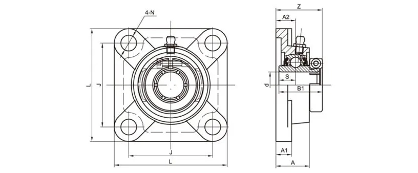
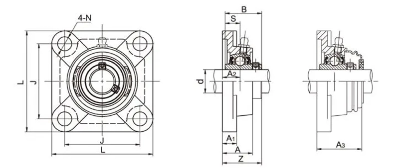
UCF205-16 Flange Bearing Units 4 Bolt Bearing Housing
Dimensions (mm)L95J70A216A114A27N12B34.1S14.3BZ35.8A340
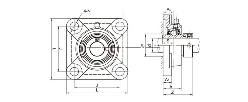
NAF205-14 Flange Bearing Units 4 Bolt Bearing Housing
Dimensions (mm)L95J70kz16A114A27N12S17.5Z42.9F36
UEF207-23 Flange Bearing Units 4 Bolt Bearing Housing
Dimensions(mm)L117J92A219A116A34N14B143.9S17.5Z45.4