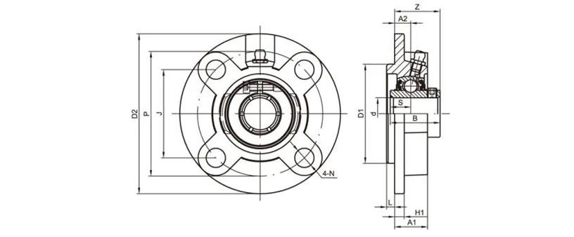
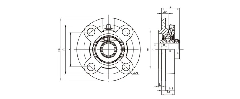
UCFCX09-26 Flange Cartridge Bearing Units 4 Bolt Bearing Housing
Dimensions (mm)D2155P130J91.9A28N14L12H111A125D1108B51.6S19Z40.6
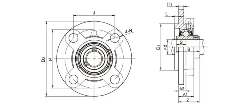
UCFCS210-30 Flange Cartridge Bearing Units 4 Bolt Bearing Housing
Dimensions (mm)D2155.5P130.18J92.05A27.9N14L11.9H110.9A124.9D1107.95S19B51.6Z40.5
UCFCSX09-26 Flange Cartridge Bearing Units 4 Bolt Bearing Housing
Dimensions (mm)D2155.5P130.18J92.05A27.9N14L11.9H110.9A124.9D1107.95S19B51.6Z40.5
UCFB207 Flange Mounted Bearings 3 Bolt Bearing Housing
Dimensions(mm)Ho144H55J46j32A219A115A34N10L90P70B42.9S17.5Z44.4
UCFB207A Flange Mounted Bearings 3 Bolt Bearing Housing
Dimensions(mm)Ho155.58H60.33J50.8j31.75A221.03A112.7A36.51N13.1L95.25P82.55B42.9S17.5Z46.43
UEFB208-25 Flange Mounted Bearings 3 Bolt Bearing Housing
Dimensions(mm)Ho164H60J50j41A221A116A36N12L100P78B150.2S19Z52.2
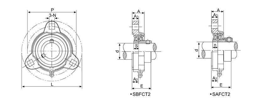
SBFCT207-22 Flange Mounted Bearings 3 Bolt Bearing Housing
Dimensions (mm)L122.5P100A112.7A23.8A212.7N10.3s8.5E36.2
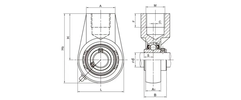
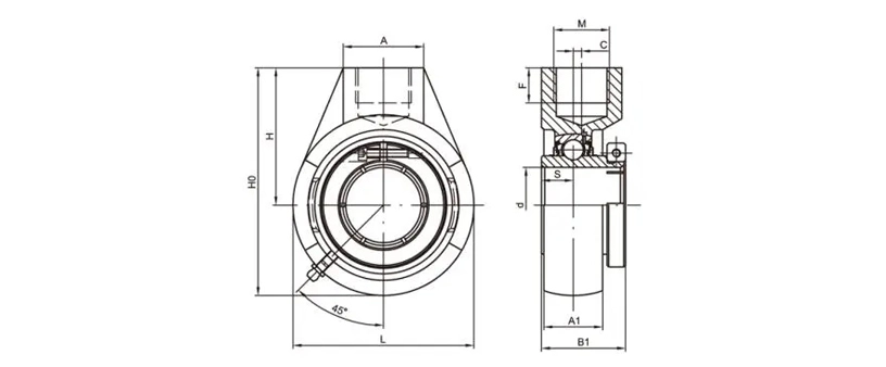
UCHA208-25 Hanger Bearing Units Bearing Housing
Dimensions(mm)L100Ho123H73A40M(in)G3/4F19C2A133B49.2S19
UEHA208-25 Hanger Bearing Units Bearing Housing
Dimensions(mm)L100H0123H73A40M(in)G3/4F19C2A133B150.2S19
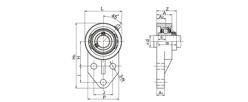
UCHE207 Hanger Bearing Units Bearing Housing
Dimensions(mm)L90Ho122H76A40MM24F24L148A130B42.9S17.5
UCFA207 Adjustable Flange Bearings
Dimensions (mm)H154J130A219A116A34N15N115N266L95P82B42.9S17.5Z44.4
UCC207 Cylindrical Cartridge Bearings
Dimensions(mm)D190A28B42.9s17.5
UCSB209 Pillow Block bearings 2 Bolt Bearing Housing
Dimensions (mm)H50.8L146J111A54A139H186Ho105N14B49.2s19
UCPH207 Pillow BLock Bearings 2 Bolt Bearing Housing Pedestal Base
Dimensions(mm)H95L167J127A60N17N121H119Ho140B42.9s17.5
SSUCF208-25A Stainless Mounted Bearing
Dimensions(mm)L130J102A221A115A36N16z51.2B49.2S19