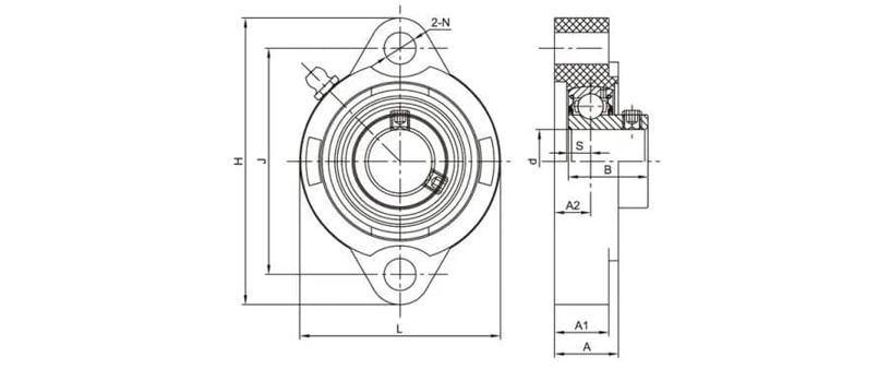
TP-SSBLF208-25 Thermoplastic Housing Units
Dimensions(mm)H150J119L100A124A26.8N14A213.5B34S9
SBPP207-23 Stamped Housing Units
Dimensions(mm)L130J106H39.7H15Ho78.2N11.5A43B32S8.5