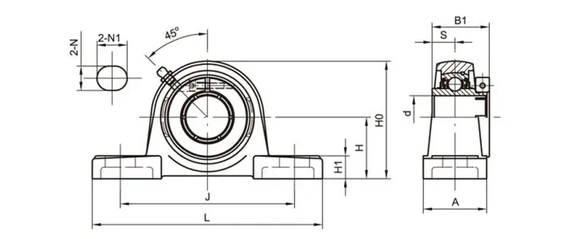
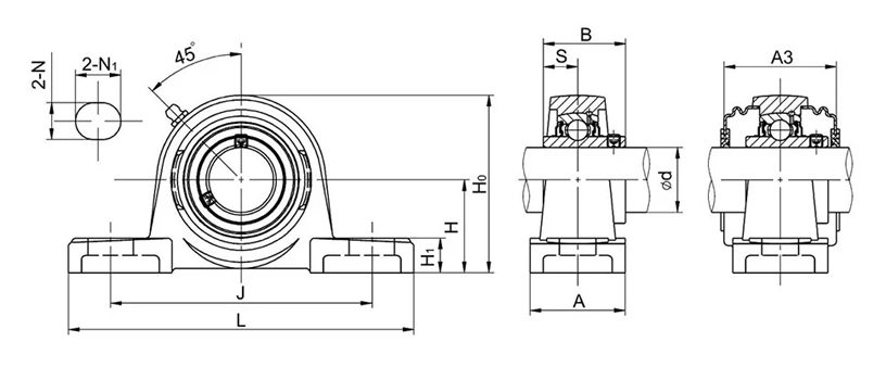
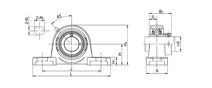
UCP207-20 Pillow Block Bearings 2 Bolt Bearing Housing
Dimensions (mm)H47.6L167J126A48N17N121H117Ho92B42.9S17.5A359
NAP208-25 Pillow Block Bearings 2 Bolt Bearing Housing
Dimensions (mm)H49.2L180J137A52N17N121H118Ho106B156.3S21.4
UEP210-30 Pillow Block Bearings 2 Bolt Bearing Housing
Dimensions (mm)H57.2L206J159A60N20N125H121Ho114B152.6S19
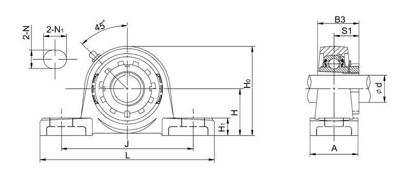
UKP212+HS2312 Pillow Block bearings 2 Bolt Bearing Housing
Dimensions (mm)H69.9L238J186A70N20N125H125Ho137B362S131
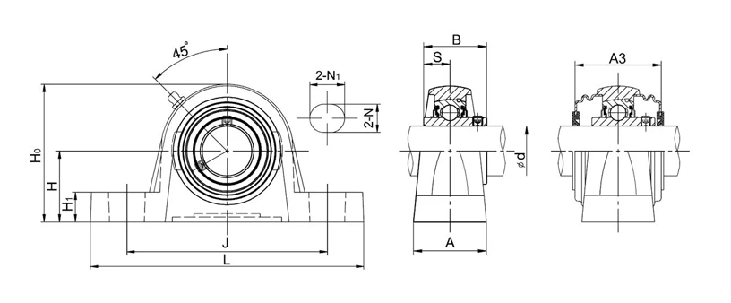
UCPX10-31 Pillow Pillow Block Bearings 2 Bolt Bearing Housing
Dimensions (mm)H63.5L240J171A73N20N123H127Ho126B55.6S22.2
UCPE208-24 Pillow Block Bearings 2 Bolt Bearing Housing
Dimensions (mm)H49.2L184J137A54N17N125H119Ho100B49.2S19A368.2
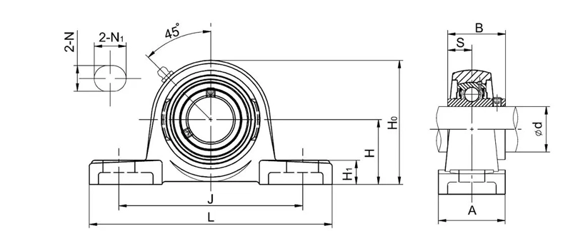
UCAK208-25 Pillow Block Bearings 2 Bolt Bearing Housing
Dimensions (mm)H49.2L181J140A54N15N119H119Ho100B49.2S19
What is the Hardness of a Pressed Steel Bearing?
Pressed steel bearings are crucial components in various mechanical systems, known for their durability and cost-effectiveness. One of the key factors determining their performance and longevity is th...
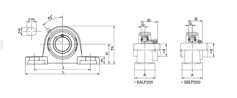
SBLP201-8 Pillow Block bearings 2 Bolt Bearing Housing
Dimensions (mm)H30.2L114J87A25N11N116H112Ho57B22S6.5
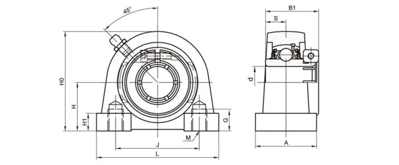
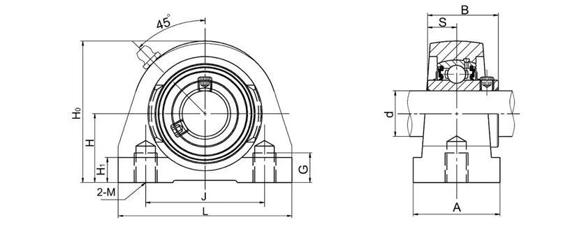
UCPA207-22 Pillow Block Bearings 2 Bolt Bearing Housing Tapped Base
Dimensions (mm)H47.6L110J80A48G20H113Ho95MM14B42.9S17.5
UEPA210-30 Pillow Block Bearings 2 Bolt Bearing Housing Tapped Base
Dimensions (mm)H57.2L130J94A60G25H114Ho116MM16B152.6S19
UCPW208-24 Pillow Block Bearings 2 Bolt Bearing Housing Tapped Base
Dimensions (mm)H49.2L116J88.9A48MM12G19Ho99H115B49.2S19