What are the Advantages of Pillow Block Bearings?
Pillow block bearings are essential components in various mechanical systems, providing support for rotating shafts and reducing friction in industrial machinery. These bearings offer numerous advanta...
SBLP202 Pillow Block bearings 2 Bolt Bearing Housing
Dimensions (mm)H30.2L114J87A25N11N116H112Ho57B22S6.5
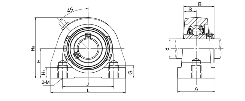
UCPA207-23 Pillow Block Bearings 2 Bolt Bearing Housing Tapped Base
Dimensions (mm)H47.6L110J80A48G20H113Ho95MM14B42.9S17.5
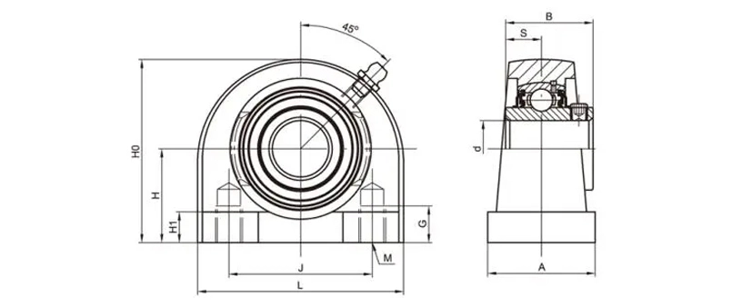
UEPA210-31 Pillow Block Bearings 2 Bolt Bearing Housing Tapped Base
Dimensions (mm)H57.2L130J94A60G25H114Ho116MM16B152.6S19
UCPW208-25 Pillow Block Bearings 2 Bolt Bearing Housing Tapped Base
Dimensions (mm)H49.2L116J88.9A48MM12G19Ho99H115B49.2S19
UCPG208-25 Pillow Block Bearings 2 Bolt Bearing Housing Tapped Base
Dimensions (mm)H49.2L110J78A54MM12G20H114Ho98B49.2S19
UCTB208-25 Pillow Block Bearings 2 Bolt Bearing Housing Tapped Base
Dimensions (mm)H49.2L117J88.9A48H113H0100G19M1/2-13UNCS19B49.2
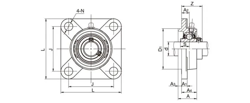
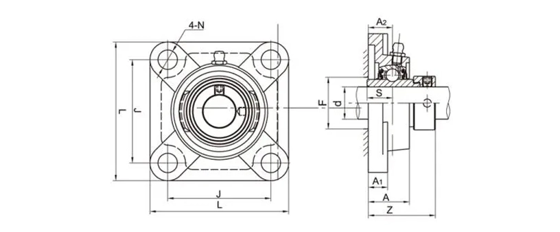
UCF207-23 Flange Bearing Units 4 Bolt Bearing Housing
Dimensions (mm)L117J92A219A116A34N14B42.9S17.5BZ44.4A348.5
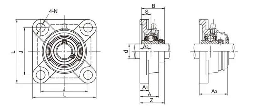
NAF207-22 Flange Bearing Units 4 Bolt Bearing Housing
Dimensions (mm)L117J92kz19A116A34N14S18.8Z51.3F49
UEF210-31 Flange Bearing Units 4 Bolt Bearing Housing
Dimensions(mm)L143J111A222A118A40N16B152.6S19Z55.6
UKF213+H2313 Flange Bearing Units 4 Bolt Bearing Housing
Dimensions (mm)L187J149A230A122A50N19S132Z62
UCFX10-32 Flange Bearing Units 4 Bolt Bearing Housing
Dimensions (mm)L162J130A226A120A44N19B55.6S22.2Z59.4
UCFS312 Flange Bearing Units 4 Bolt Bearing Housing
Dimensions (mm)L195J150A219A142A56H14H122N23D1160S26Z64
NAFS207-22 Flange Bearing Units 4 Bolt Bearing Housing
Dimensions (mm)L116J92A221A117A35N14B151.1S18.8Z53.3
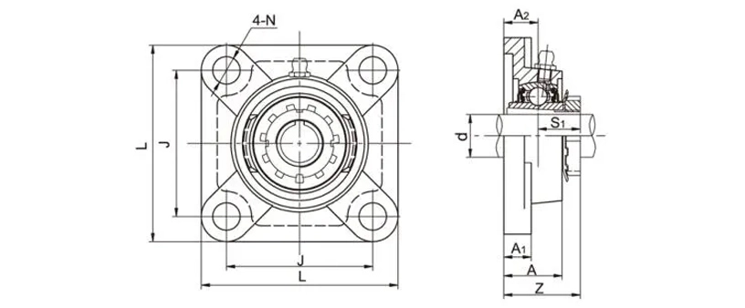
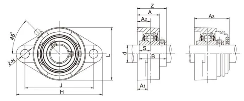
UCFL207-23 Flange Bearing Units 2 Bolt Bearing Housing
Dimensions(mm)H160J130A219A115A34N16L90B42.9S17.5Z44.4A348.5