TP-SUCT208-25 Thermoplastic Housing Units
Dimensions(mm)L140A234.5A116L185H114H1102MM16A40L380B49.2S19
TP-SUET210-31 Thermoplastic Housing Units
Dimensions(mm)L149A240A116L190H116H1102MM20A50L385B152.6S19
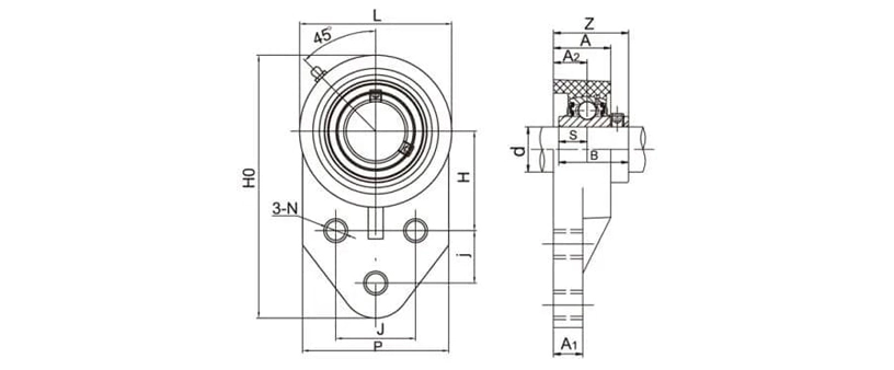
TP-SUCFB208-25 Thermoplastic Housing Units
Dimensions(mm)Ho178H67.3J54j35.5A226A118.5A39.5N13L103P99B49.2S19Z54
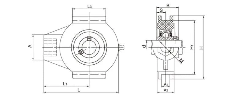
TP-SUCTB209-26 Thermoplastic Housing Units
Dimensions(mm)H54.2A50Ho108.5J95.3L124M1/2-13B49.2S19
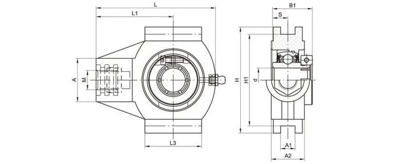
TP-SUETB210-32 Thermoplastic Housing Units
Dimensions(mm)H57.2A54Ho115J101.6L135M5/8-11G18H122B152.6S19
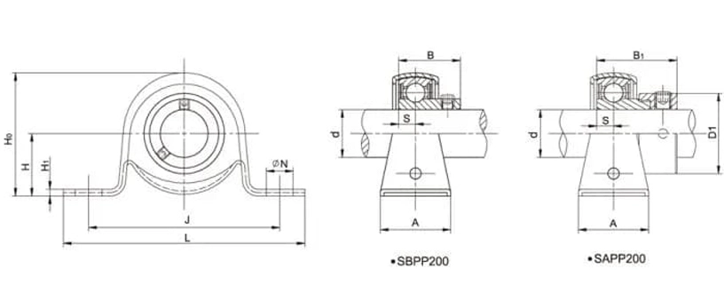
SBPP209-26 Stamped Housing Units
Dimensions(mm)L156J128H46.8H16Ho92.3N13A45.7B36S9.5