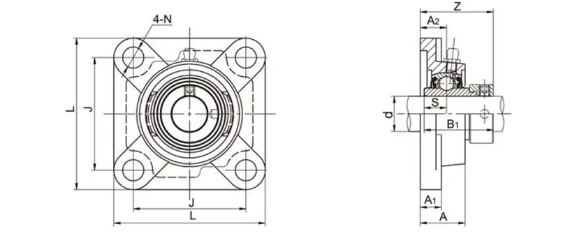
UCFX11-33 Flange Bearing Units 4 Bolt Bearing Housing
Dimensions (mm)L175J143A229A120A49N19B65.1S25.4Z68.7
UCFS312-38 Flange Bearing Units 4 Bolt Bearing Housing
Dimensions (mm)L195J150A219A142A56H14H122N23D1160S26Z64
NAFS208 Flange Bearing Units 4 Bolt Bearing Housing
Dimensions (mm)L129J101.5A224A117A39N14B156.3S21.4Z58.9
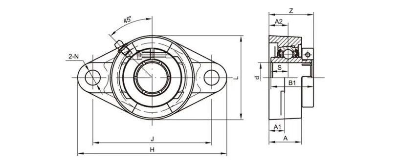
UCFL208-24 Flange Bearing Units 2 Bolt Bearing Housing
Dimensions(mm)H175J144A221A115A36N16L100B49.2S19Z51.2A355.1
NAFL207-23 Flange Bearing Units 2-Bolt Bearing Housing
Dimensions (mm)H160J130A219A115A34N16L90B151.1S18.8Z51.3F50
UEFL211 Flange Bearing Units 2 Bolt Bearing Housing
Dimensions(mm)H224J184A225A118A43N19L125B156.6S22.2Z59.4
UKFL213+HE2313 Flange Bearing Units 2 Bolt Bearing Housing
Dimensions (mm)H258J210A230A122A50N23L155S132Z62
NAFLU208 Flange Bearing Units 2 Bolt Bearing Housing
Dimensions (mm)H172J143.5L103A224A117A39N14B156.3S21.4Z58.9
UCFT209 Flange Bearing Units 2 Bolt Bearing Housing
Dimensions (mm)H179J148.4A221.8A114A40N16L111B49.2s19z52
UEFT210-31 Flange Bearing Units 2 Bolt Bearing Housing
Dimensions (mm)H189J157.2A222.2A114A40N16L116B152.6S19Z55.8
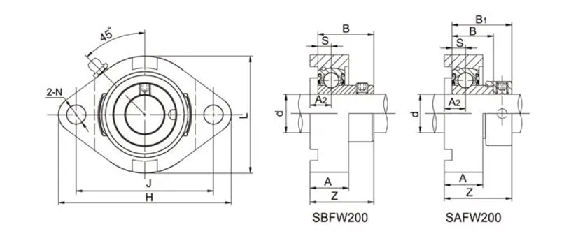
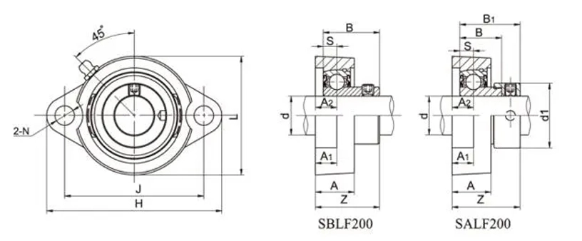
SALF201-8 Flange Bearing Units 2 Bolt Bearing Housing
Dimensions(mm)H81J63.5A29.5A19.5A18N8L56B128.6B19.1s6Z32.1d128.6
SAFW201-8 Flange Bearing Units 2 Bolt Bearing Housing
Dimensions(mm)H81J63.5A28.5A15N7L59B128.6B19.1S6Z31.1
SAFD202 Flange Bearing Units 2 Bolt Bearing Housing
Dimensions(mm)H81J63.5A28.5A15N7L59B128.6B19.1S6Z31.1
SAPFTD204-12 Flange Bearing Units 2 Bolt Bearing Housing
Dimensions (mm)H91J71.5L63A210.2A20A110.2N8.7s7.5B21.5B131Z33.6
UCT208-24 Take Up Bearing Units Bearing Housing
Dimensions(mm)N119L216H283N249N29L383A116H1102H114L144A49A233L188B49.2S19A368.2