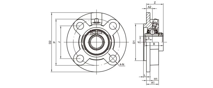
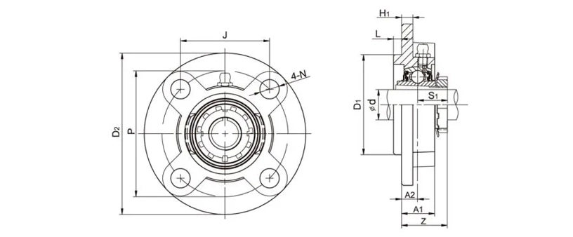
NAFC208-24 Flange Cartridge Bearing Units 4 Bolt Bearing Housing
Dimensions (mm)D2145P120J84.8A211N14L10H19A126D1100S21.4z45.9
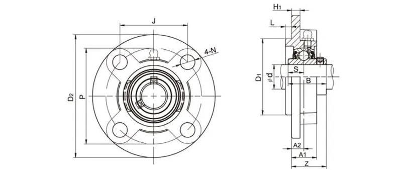
UEFC211-32 Flange Cartridge Bearing Units 4 Bolt Bearing Housing
Dimensions(mm)D2185P150J106.1A213N19L12H115A130D1125B156.6S22.2Z47.4
UKFC213+HS2313 Flange Cartridge Bearing Units 4 Bolt Bearing Housing
Dimensions (mm)D2205P170J120.2A216N19L14H115A136D1145S132Z48
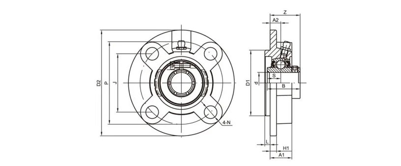
SSUCP211-32A Stainless Mounted Bearing
Dimensions(mm)H63.5L218J171A50N20N122H122Ho126B55.6S22.2
SSUCF211-32EHB Stainless Mounted Bearing
Dimensions(mm)L162J130A225A118A43N19z58.4B55.6S22.2
UCFCX11-34 Flange Cartridge Bearing Units 4 Bolt Bearing Housing
Dimensions (mm)D2180P152J107.5A24N16L22H113A126D1127B65.1S25.4Z43.7
UCFCS212-38 Flange Cartridge Bearing Units 4 Bolt Bearing Housing
Dimensions (mm)D2180.8P152.4J107.76A24N14L22.1H113A125.9D1127S25.4B65.1Z43.7
UCFCSX11-35 Flange Cartridge Bearing Units 4 Bolt Bearing Housing
Dimensions (mm)D2180.8P152.4J107.76A24N14L22.1H113A125.9D1127S25.4B65.1Z43.7
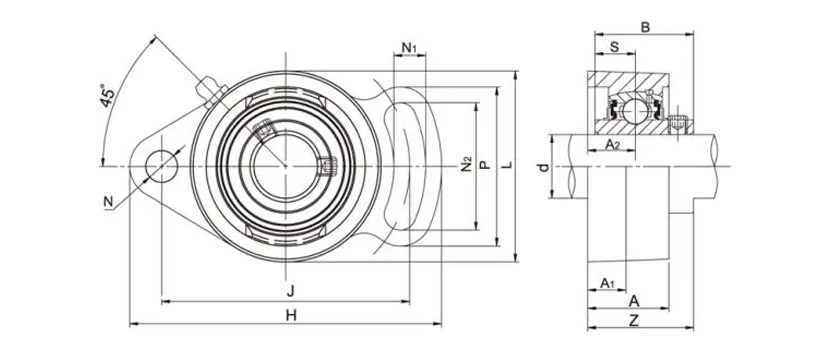
UCFB209-27 Flange Mounted Bearings 3 Bolt Bearing Housing
Dimensions(mm)Ho174H65J54j43A222A118A38N12L106P80B49.2S19Z52.2
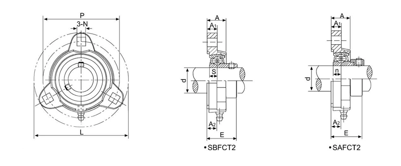
SAFCT204 Flange Mounted Bearings 3 Bolt Bearing Housing
Dimensions (mm)L90.5P71.4A111.1A19.8A211.1s8.7n7.5E34.5
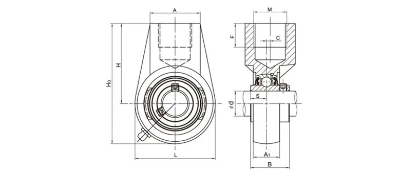
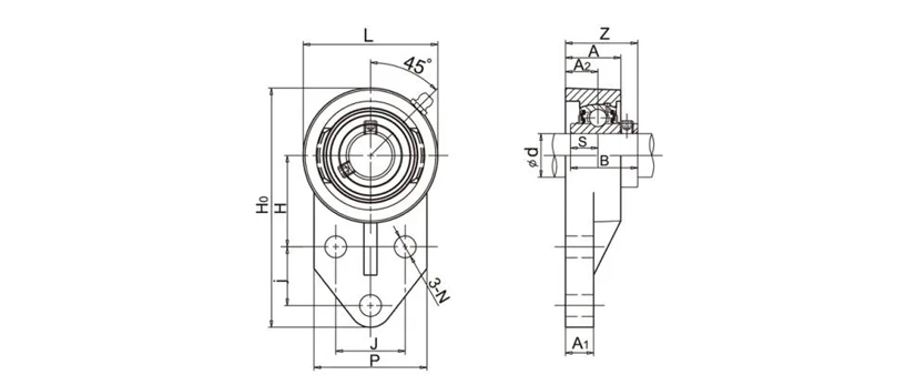
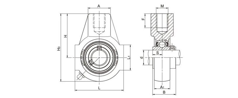
UCHA211-32 Hanger Bearing Units Bearing Housing
Dimensions(mm)L126Ho150H87A60M(in)G5/4F25C7A138B55.6S22.2
UEHA211-32 Hanger Bearing Units Bearing Housing
Dimensions(mm)L126H0150H87A60M(in)G5/4F25C7A138B156.6S22.2
UCHE209-27 Hanger Bearing Units Bearing Housing
Dimensions(mm)L110Ho145H90A40MM24F24L146A140B49.2S19
UCFA209-27 Adjustable Flange Bearings
Dimensions (mm)H180J148A222A118A40N15N115N272L110P90B49.2S19Z52.2
UCC209-27 Cylindrical Cartridge Bearings
Dimensions(mm)D1110A31B49.2s19