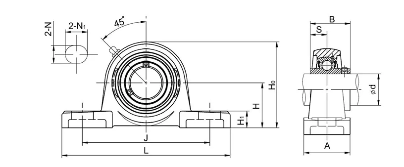
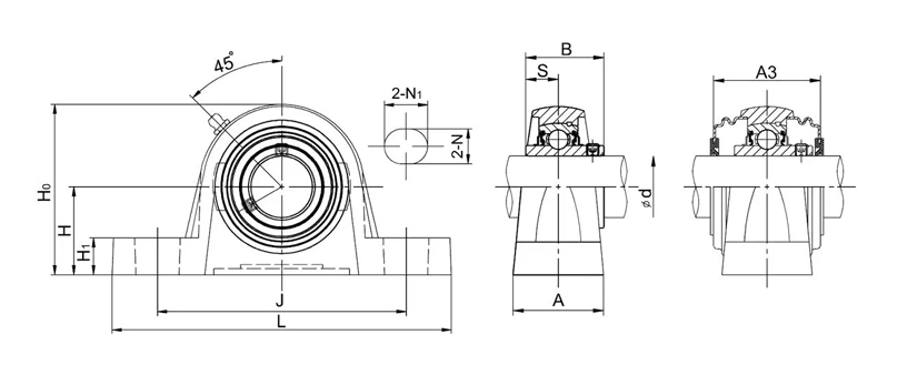
UKP215+H2315 Pillow Block bearings 2 Bolt Bearing Housing
Dimensions (mm)H82.6L274J217A74N25N130H128Ho162B373S135.5
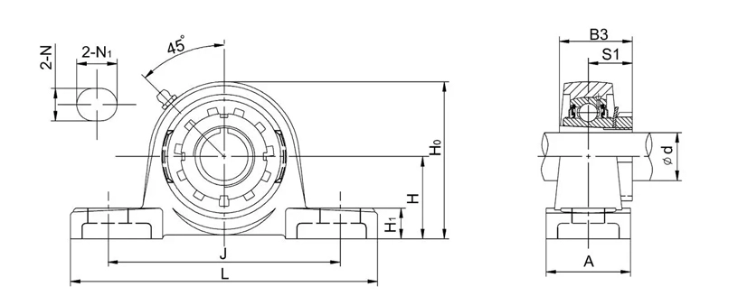
UCPX11-35 Pillow Pillow Block Bearings 2 Bolt Bearing Housing
Dimensions (mm)H69.8L260J184A79N25N128H130Ho137B65.1S25.4
UCPE209-28 Pillow Block Bearings 2 Bolt Bearing Housing
Dimensions (mm)H54L190J146A54N17N125H120Ho108B49.2S19A370
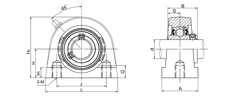
UCAK210 Pillow Block Bearings 2 Bolt Bearing Housing
Dimensions (mm)H55.6L203J159A57N15N119H122Ho113B51.6S19
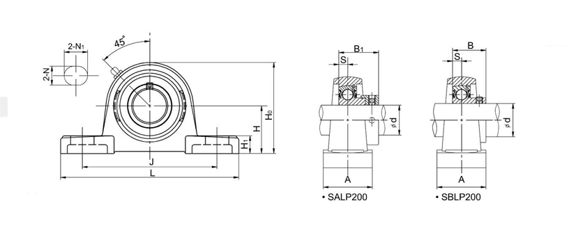
SBLP203-11 Pillow Block bearings 2 Bolt Bearing Housing
Dimensions (mm)H30.2L114J87A25N11N116H112Ho57B22S6.5
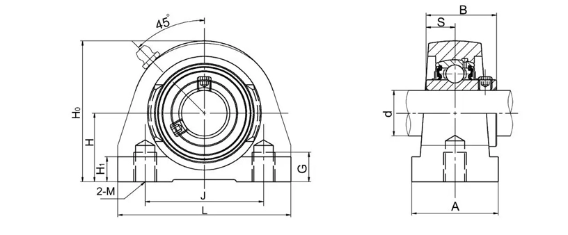
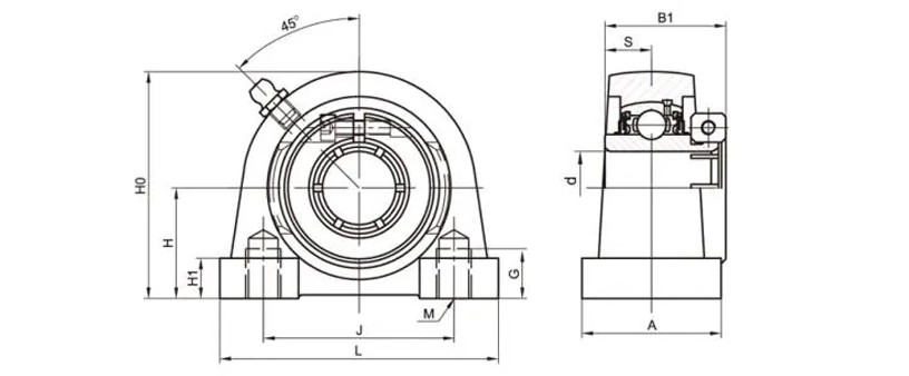
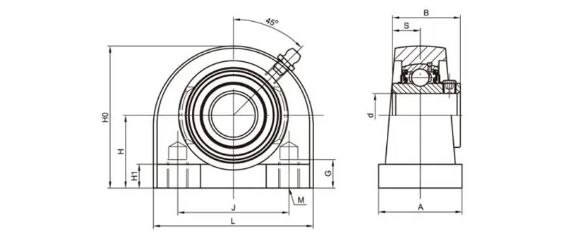
UCPA209 Pillow Block Bearings 2 Bolt Bearing Housing Tapped Base
Dimensions (mm)H54.2L120J90A54G25H113Ho108MM14B49.2S19
UEPA211-34 Pillow Block Bearings 2 Bolt Bearing Housing Tapped Base
Dimensions (mm)H63.5L140J104A66G25H114Ho125MMl 6B156.6S22.2
UCPW209-28 Pillow Block Bearings 2 Bolt Bearing Housing Tapped Base
Dimensions (mm)H53.9L120J95.3A48MM12G19Ho107H118B49.2S19
UCPG209-28 Pillow Block Bearings 2 Bolt Bearing Housing Tapped Base
Dimensions (mm)H53.9L120J85A54MM12G20H114Ho106B49.2S19
UCTB209-28 Pillow Block Bearings 2 Bolt Bearing Housing Tapped Base
Dimensions (mm)H54L127J95.3A51H114H0108G20M1/2-13UNCS19B49.2
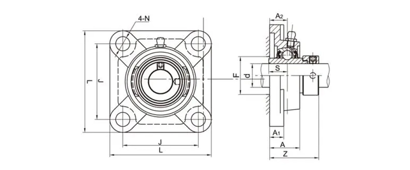
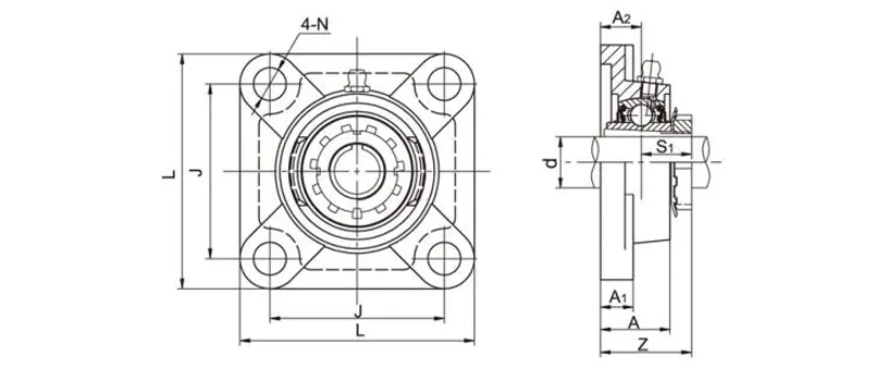
UCF209 Flange Bearing Units 4 Bolt Bearing Housing
Dimensions (mm)L137J105A222A118A38N16B49.2S19BZ52.2A357
NAF208-25 Flange Bearing Units 4 Bolt Bearing Housing
Dimensions (mm)L130J102kz21A116A36N16S21.4Z55.9F55
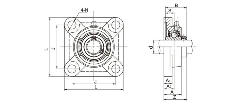
UEF211-34 Flange Bearing Units 4 Bolt Bearing Housing
Dimensions(mm)L162J130A225A120A43N19B156.6S22.2Z59.4
UKF215+H2315 Flange Bearing Units 4 Bolt Bearing Housing
Dimensions (mm)L200J159A234A122A56N19S135.5Z69.5
UCFX11-35 Flange Bearing Units 4 Bolt Bearing Housing
Dimensions (mm)L175J143A229A120A49N19B65.1S25.4Z68.7