What is the Difference Between a Pillow Block and a Plummer Block?
Pillow blocks and Plummer blocks are both types of bearing housings used in various mechanical applications, but they have some key differences in design, functionality, and usage. Understanding these...
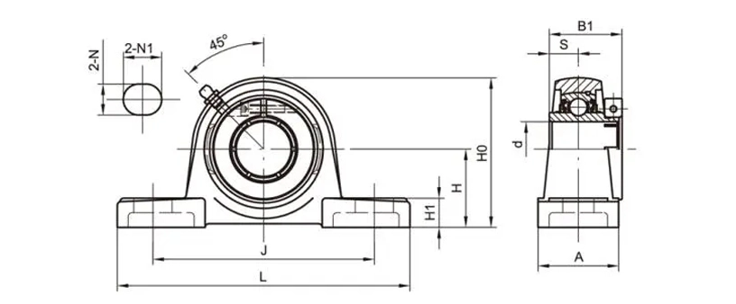
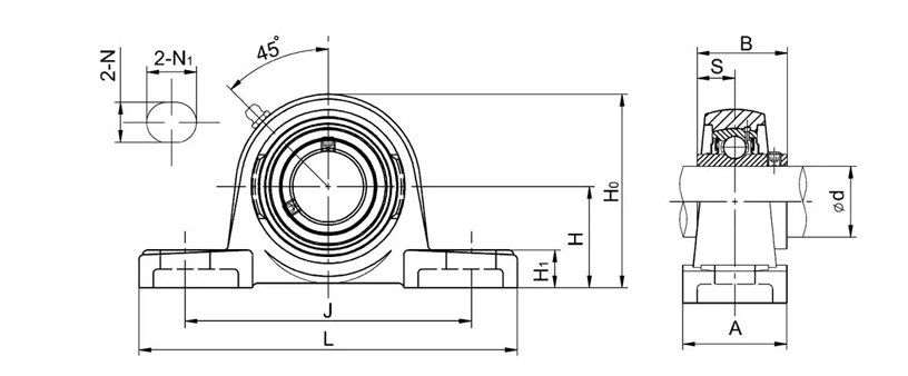
UCP208-25 Pillow Block Bearings 2 Bolt Bearing Housing
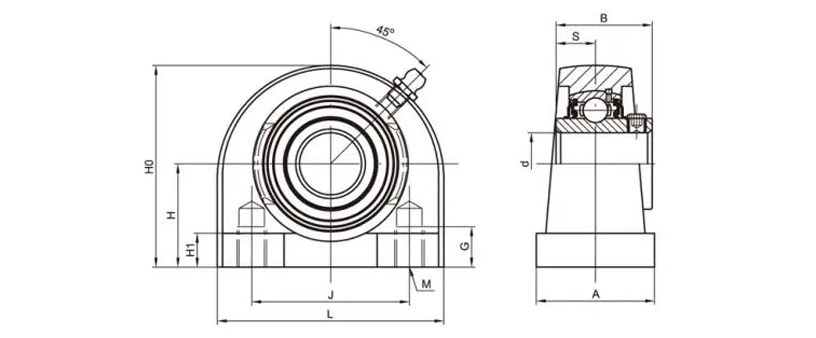
Dimensions (mm)H49.2L180J137A52N17N121H118Ho99B49.2S19A368.2
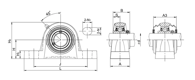
NAP210-30 Pillow Block Bearings 2 Bolt Bearing Housing
Dimensions (mm)H57.2L206J159A60N20N125H121Ho114B162.7S24.6
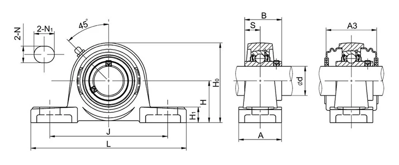
UEP211-35 Pillow Block Bearings 2 Bolt Bearing Housing
Dimensions (mm)H63.5L217J172A60N20N125H123Ho125B156.6S22.2
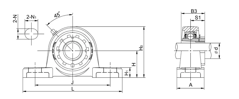
UKP215+HA2315 Pillow Block bearings 2 Bolt Bearing Housing
Dimensions (mm)H82.6L274J217A74N25N130H128Ho162B373S135.5
UCPX11-36 Pillow Pillow Block Bearings 2 Bolt Bearing Housing
Dimensions (mm)H69.8L260J184A79N25N128H130Ho137B65.1S25.4
UCPE210 Pillow Block Bearings 2 Bolt Bearing Housing
Dimensions (mm)H57.2L206J159A60N20N125H122Ho114B51.6S19A376
UCAK210-29 Pillow Block Bearings 2 Bolt Bearing Housing
Dimensions (mm)H55.6L203J159A57N15N119H122Ho113B51.6S19
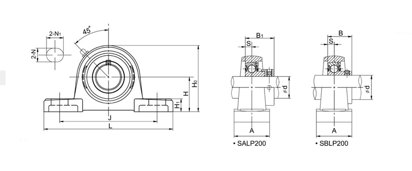
SBLP204 Pillow Block bearings 2 Bolt Bearing Housing
Dimensions (mm)H33.3L125J97A27N11.5N116H114Ho63.8B25S7.5
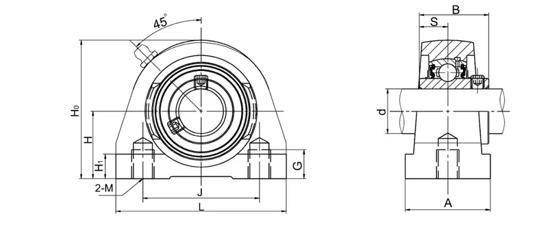
UCPA209-26 Pillow Block Bearings 2 Bolt Bearing Housing Tapped Base
Dimensions (mm)H54.2L120J90A54G25H113Ho108MM14B49.2S19
UEPA211-35 Pillow Block Bearings 2 Bolt Bearing Housing Tapped Base
Dimensions (mm)H63.5L140J104A66G25H114Ho125MMl 6B156.6S22.2
UCPW210 Pillow Block Bearings 2 Bolt Bearing Housing Tapped Base
Dimensions (mm)H57.2L135J101.6A54MM16G22Ho115H118B51.6S19
UCPG210 Pillow Block Bearings 2 Bolt Bearing Housing Tapped Base
Dimensions (mm)H57.2L135J95A60MM16G21H114Ho114B51.6S19
UCTB210 Pillow Block Bearings 2 Bolt Bearing Housing Tapped Base
Dimensions (mm)H57.2L140J101.6A51H114H0117G22M5/8-11UNCS19B51.9
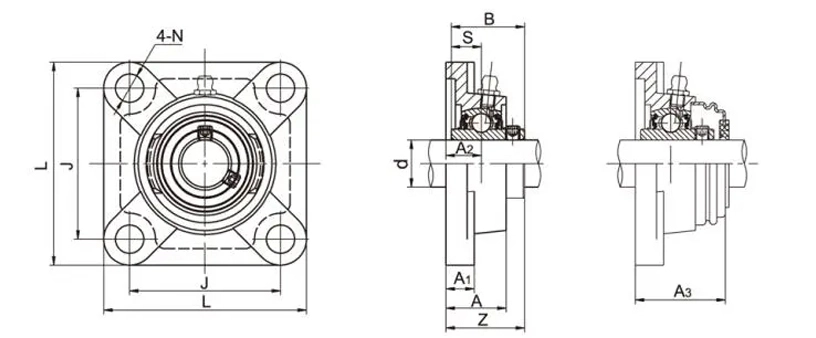
UCF209-26 Flange Bearing Units 4 Bolt Bearing Housing
Dimensions (mm)L137J105A222A118A38N16B49.2S19BZ52.2A357