How Many Types of Bearing Adapter Sleeves Are There?
Bearing adapter sleeves are crucial components in various mechanical systems, designed to facilitate the mounting of bearings onto shafts. These sleeves come in different types, each serving specific ...
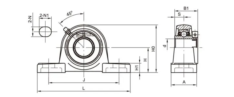
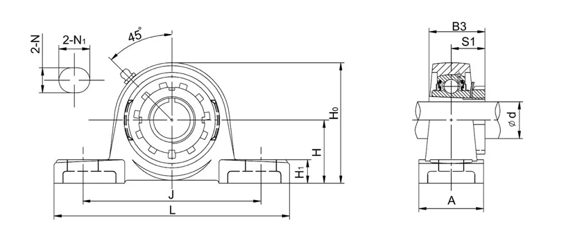
UCP209 Pillow Block Bearings 2 Bolt Bearing Housing
Dimensions (mm)H54L190J146A54N17N121H120Ho106B49.2S19A370
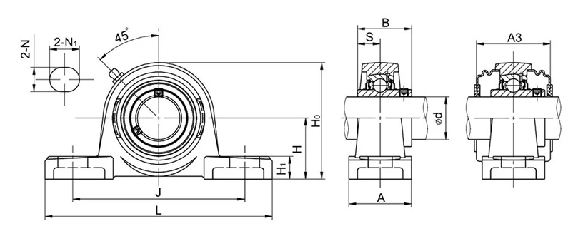
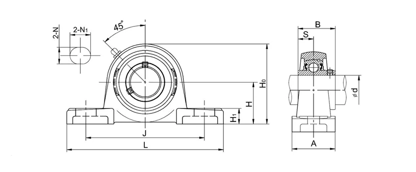
NAP210-31 Pillow Block Bearings 2 Bolt Bearing Housing
Dimensions (mm)H57.2L206J159A60N20N125H121Ho114B162.7S24.6
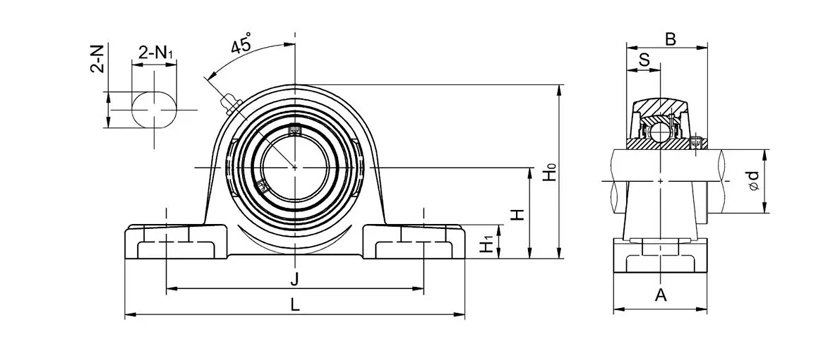
UEP212 Pillow Block Bearings 2 Bolt Bearing Housing
Dimensions (mm)H69.9L238J186A70N20N125H124Ho137B166.6S25.4
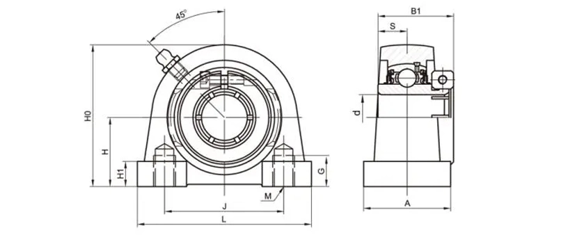
UKP215+HE2315 Pillow Block bearings 2 Bolt Bearing Housing
Dimensions (mm)H82.6L274J217A74N25N130H128Ho162B373S135.5
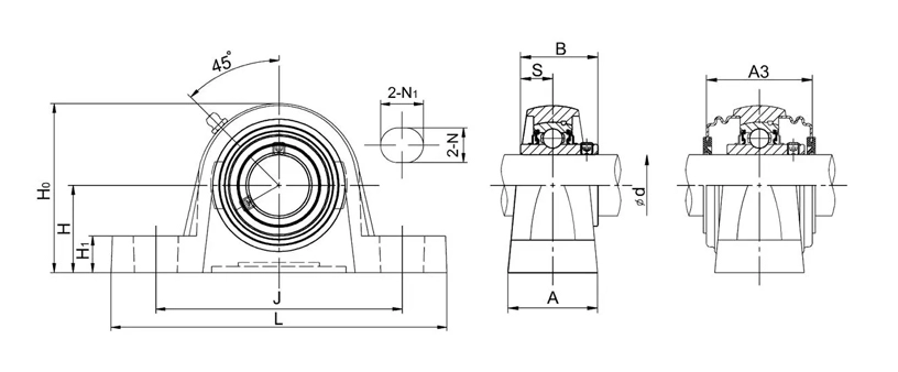
UCPX11-37 Pillow Pillow Block Bearings 2 Bolt Bearing Housing
Dimensions (mm)H69.8L260J184A79N25N128H130Ho137B65.1S25.4
UCPE210-30 Pillow Block Bearings 2 Bolt Bearing Housing
Dimensions (mm)H57.2L206J159A60N20N125H122Ho114B51.6S19A376
UCAK210-30 Pillow Block Bearings 2 Bolt Bearing Housing
Dimensions (mm)H55.6L203J159A57N15N119H122Ho113B51.6S19
SBLP204-12 Pillow Block bearings 2 Bolt Bearing Housing
Dimensions (mm)H33.3L125J97A27N11.5N116H114Ho63.8B25S7.5
UCPA209-27 Pillow Block Bearings 2 Bolt Bearing Housing Tapped Base
Dimensions (mm)H54.2L120J90A54G25H113Ho108MM14B49.2S19
UEPA212 Pillow Block Bearings 2 Bolt Bearing Housing Tapped Base
Dimensions (mm)H69.9L150J114A68G25H117Ho138MM16B166.6S25.4