UCFT210-32 Flange Bearing Units 2 Bolt Bearing Housing
Dimensions (mm)H189J157.2A222.2A114A40N16L116B51.6s19z54.8
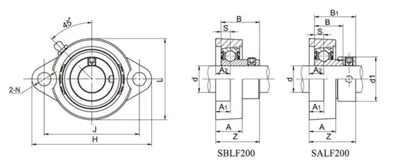
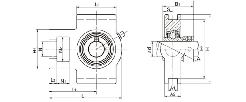
SALF205 Flange Bearing Units 2 Bolt Bearing Housing
Dimensions(mm)H95J76A211A111A20N10L64B131.5B22s7.5Z35d138.1
SAFW205 Flange Bearing Units 2 Bolt Bearing Housing
Dimensions(mm)H95J76A29.5A17.5N9L71B131.5B22S7.5Z33.5
SAFD205-14 Flange Bearing Units 2 Bolt Bearing Housing
Dimensions(mm)H95J76A29.5A17.5N9L71B131.5B22S7.5Z33.5
SAPFTD206-19 Flange Bearing Units 2 Bolt Bearing Housing
Dimensions (mm)H113J90.5L79A211.5A22A111.5N10.3s9B23.8B135.7Z38.2
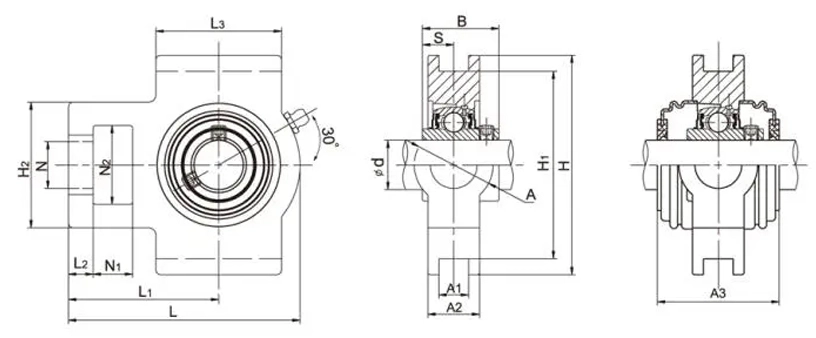
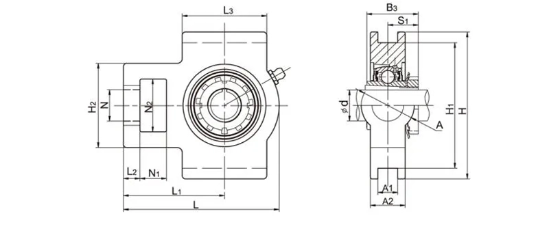
UCT210-31 Take Up Bearing Units Bearing Housing
Dimensions(mm)N119L216H283N249N29L386A116H1102H117L149A49A237L190B51.6S19A376
NAT210-30 Take Up Bearing Units Bearing Housing
Dimensions (mm)N119L216H283N249N29L386A116H1102H117L149A49A237L190B162.7s24.6
UKT217+HA2317 Take Up Bearing Units Bearing Housing
Dimensions (mm)N138L229H2124N273N48L3157A130H1173H198L260A73A254L1162B382S140
UCTX13 Take Up Bearing Units Bearing Housing
Dimensions (mm)N132L223H2111N270N41L3121A126H1151H167L224A70A248L1137B74.6s30.2
UCST211-34 Take Up Bearing Units Bearing Housing
Dimensions (mm)N125L219H2102N264N35L395A127H1130H146L171A64A238L1106B55.6S22.2
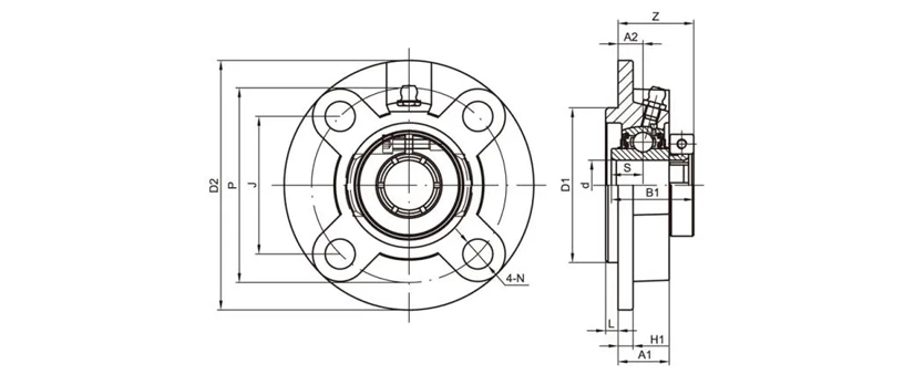
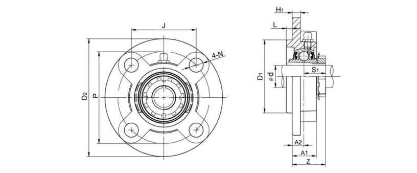
UCFC211-32 Flange Cartridge Bearing Units 4 Bolt Bearing Housing
Dimensions(mm)D2185P150J106.1A213N19L12H115A130D1125B55.6S22.2Z46.4
NAFC210-30 Flange Cartridge Bearing Units 4 Bolt Bearing Housing
Dimensions (mm)D2165P138J97.6A210N16L12H114A128D1110S24.6z48.1
UKFC217+H2317 Flange Cartridge Bearing Units 4 Bolt Bearing Housing
Dimensions (mm)D2250P208J147.1A218N23L18H120A145D1180S140Z58
UCFCX13 Flange Cartridge Bearing Units 4 Bolt Bearing Housing
Dimensions (mm)D2194P165J116.7A211N16L20H114A133D1140B74.6S30.2Z55.4
UCFCS214-44 Flange Cartridge Bearing Units 4 Bolt Bearing Housing
Dimensions (mm)D2193.7P165.1J116.74A210.9N14L20H114A133.3D1139.7S25.4B74.6Z55.3