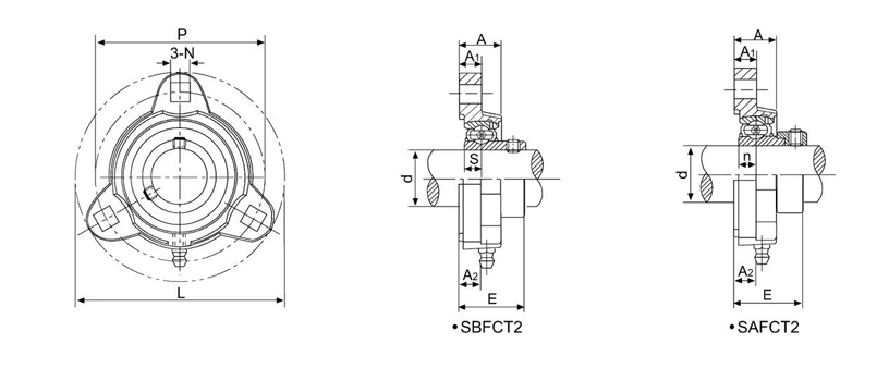
SAFCT207-20 Flange Mounted Bearings 3 Bolt Bearing Housing
Dimensions (mm)L122.5P100A112.7A23.8A212.7s10.3n9.5E42.1
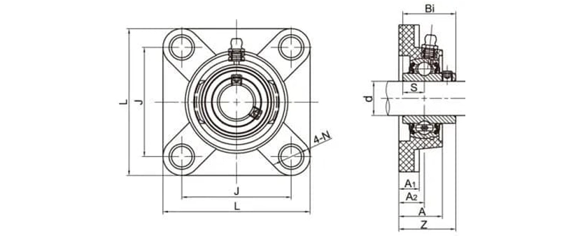
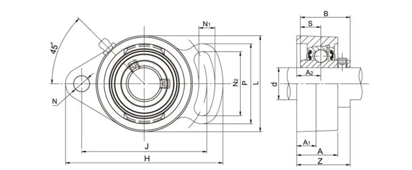
UCFA211-35 Adjustable Flange Bearings
Dimensions (mm)H216J184A225A120A43N16N117N286L132P104B55.6S22.2Z58.4
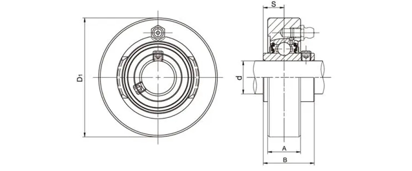
UCC211-35 Cylindrical Cartridge Bearings
Dimensions(mm)D1125A35B55.6s22.2
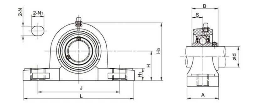
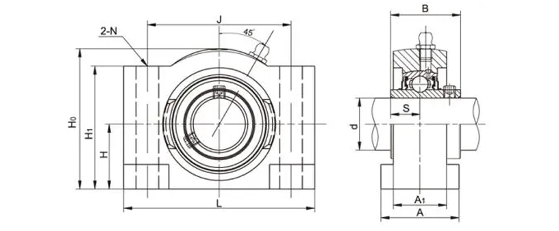
UCSB213 Pillow Block bearings 2 Bolt Bearing Housing
Dimensions (mm)H69.85L197J162A65A148H1111Ho146N17B65.1s25.4
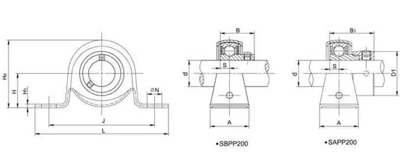
UCPH211-35 Pillow BLock Bearings 2 Bolt Bearing Housing Pedestal Base
Dimensions(mm)H120L219J171A75N20N123H123Ho181B55.6s22.2
SSUEFL205ESB Stainless Mounted Bearing
Dimensions(mm)H130J99A216A113A28N12.5L68Z37.1B135.4S14.3
SSUCF205ESB Stainless Mounted Bearing
Dimensions(mm)L95J70A216A114.3A27N12z35.8B34.1S14.3
SSUCFL205ESB Stainless Mounted Bearing
Dimensions(mm)H130J99A216A113A28N12.5L68z35.8B34.1S14.3
SSUEF205ESB Stainless Mounted Bearing
Dimensions(mm)L95J70A216A114.3A27N12Z37.1B135.4S14.3
TP-SUCP211-34 Thermoplastic Housing Units
Dimensions(mm)H63.5L217J172A60N17N120H122Ho124B55.6S22.2
TP-SUCF211-34 Thermoplastic Housing Units
Dimensions(mm)L162J130A225Al20A43N17B55.6S22.2z58.4
TP-SUCFL211-34 Thermoplastic Housing Units
Dimensions(mm)H224J184A225A120A43N17L130B55.6S22.2Z58.1
SAPP205 Stamped Housing Units
Dimensions(mm)L108J86H28.6H14Ho56.5N11.5A32d138.1B131.5S7.5