TP-SUEPA205-15 Thermoplastic Housing Units
Dimensions(mm)H36.5L84J56A38H072G12H114B135.4S14.3MM10
TP-SUCT202-10 Thermoplastic Housing Units
Dimensions(mm)L99A227.5A112L164H88H176MM16A36L347B31S12.7
TP-SUET205-15 Thermoplastic Housing Units
Dimensions(mm)L99A227.5A112L164H88H176MM16A36L347B135.4S14.3
TP-SUCFB202-10 Thermoplastic Housing Units
Dimensions(mm)Ho108H42.9J38.1j22.2A219.7A111.4A31.2N11L63P62B31S12.7Z38
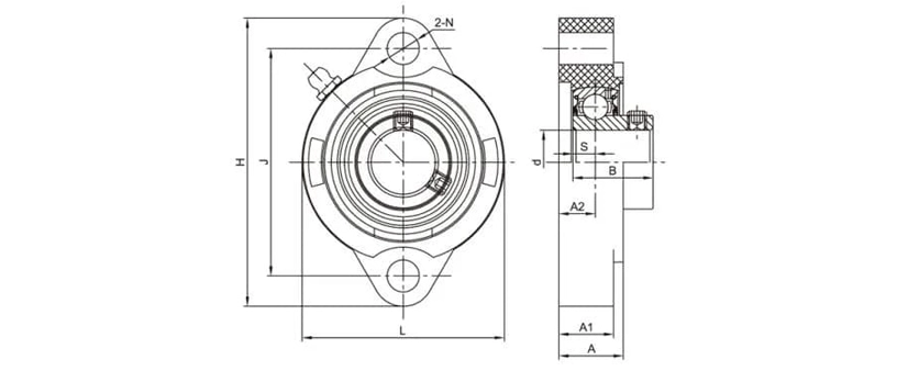
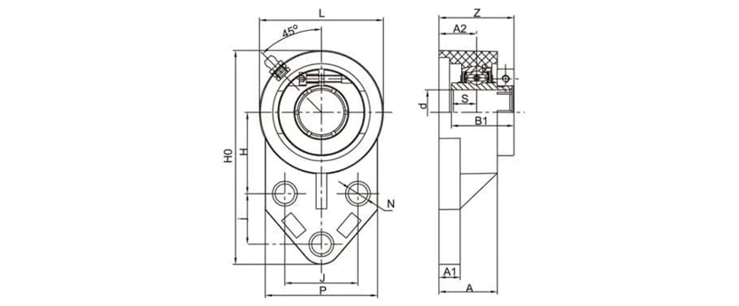
TP-SUEFB205-15 Thermoplastic Housing Units
Dimensions(mm)H0121H46J41.3j28.6A221.3A112.3A33N11L70P63B135.4S14.3Z42.4
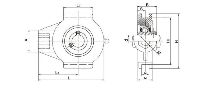
TP-SUCTB203 Thermoplastic Housing Units
Dimensions(mm)H33.3A34.5Ho66J50.8L73M3/8-16B31S12.7
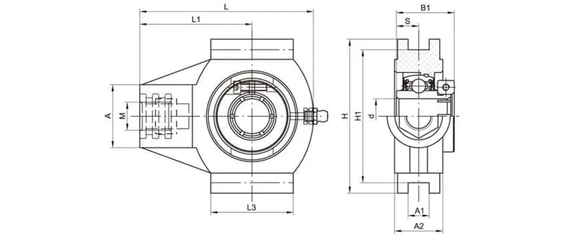
TP-SUETB205-16 Thermoplastic Housing Units
Dimensions(mm)H36.5A39.7Ho73.4J50.8L76.2M3/8-16G14H113B135.4S14.3
TP-SSBLF205-13 Thermoplastic Housing Units
Dimensions(mm)H97J76.2L71A118.4A21.2N9A210B27S7.5
BS206 Thermoplastic Accessories
FOR PTPA HOUSINGd30b3D66FOR F FL FB HOUSINGd30b6D72
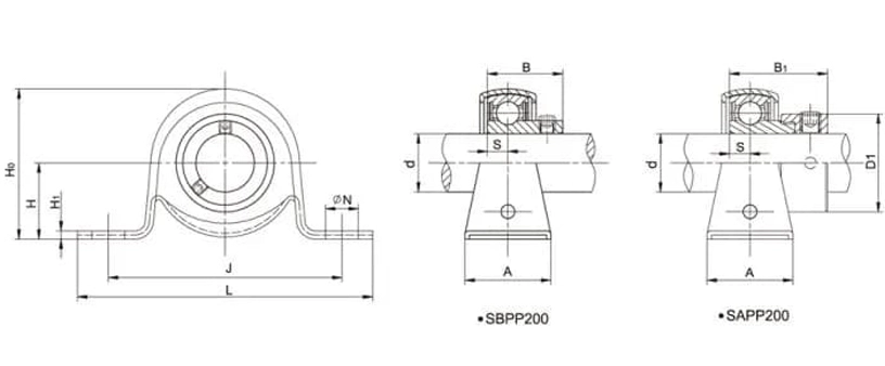
SBPP203 Stamped Housing Units
Dimensions(mm)L86J68H22.2H12.4Ho43.4N9.5A25B22S6