Mounted Bearing Unit and Insert Bearing Interchange
DescriptionPillow Blocks4-BoltFlange Units3-BoltFlange Units2-BoltFlange UnitsFlange CartridgeUnitsLDKBearingsUCP205-16NAP205-16UCLP205-16NAAK205-16SBP205-16SAP205-16UCPX05-16SBLP205-16SALP205-16UCPA2...
Interchange Table
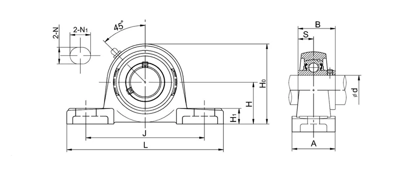
UCP202-10 Pillow Block Bearings 2 Bolt Bearing Housing
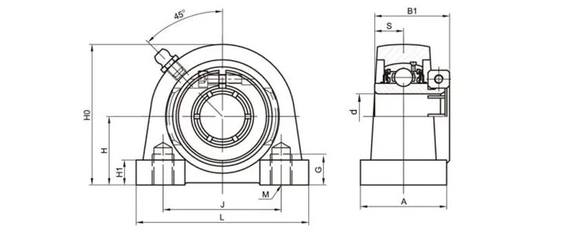
Dimensions (mm)H30.2L127J95A38N13N119H114Ho61B31S12.7A3–
NAP205 Pillow Block Bearings 2 Bolt Bearing Housing
Dimensions (mm)H36.5L140J105A38N13N119H16Ho82B148.4S18.3
UEP206-19 Pillow Block Bearings 2 Bolt Bearing Housing
Dimensions (mm)H42.9L160J121A44N17N121H116Ho82B139.8S15.9
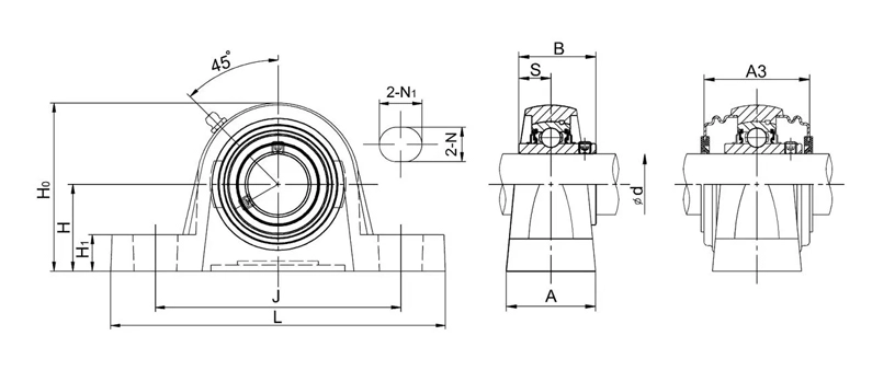
UKP208+H2308 Pillow Block bearings 2 Bolt Bearing Housing
Dimensions (mm)H49.2L180J137A53N17N121H118Ho99B346S124.5
UCPX06-20 Pillow Pillow Block Bearings 2 Bolt Bearing Housing
Dimensions (mm)H47.6L175J127A57N17N120H120Ho93B42.9S17.5
UCP314 Pillow Pillow Block Bearings 2 Bolt Bearing Housing
Dimensions (mm)H95L360J280A90N27N140H135Ho187B78S33
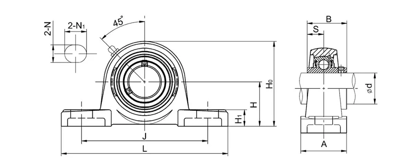
UCPE205 Pillow Block Bearings 2 Bolt Bearing Housing
Dimensions (mm)H36.5L140J105A38N13N116H116Ho70B34.1S14.3A348
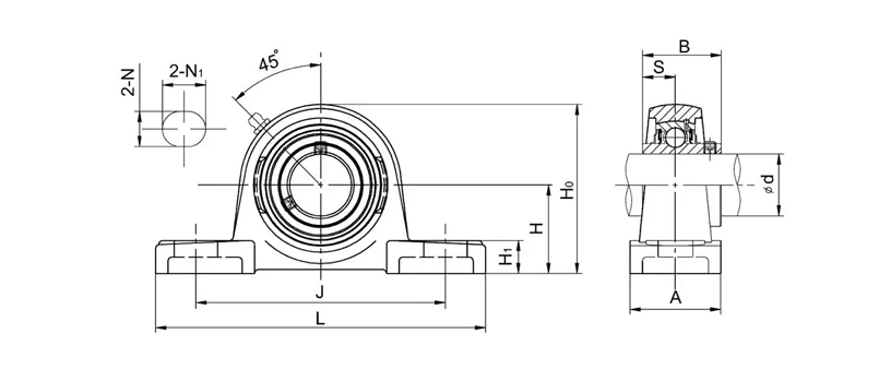
UCAK205-14 Pillow Block Bearings 2 Bolt Bearing Housing
Dimensions (mm)H33.3L140J105A45N12N116H116Ho68B34S14.3
SALP205 SBLP2 Pillow Block bearings 2 Bolt Bearing Housing
Dimensions (mm)H36.5L130J100A29N11.5N116H115Ho69.5B130.9S7.5
UCPA203-11 Pillow Block Bearings 2 Bolt Bearing Housing Tapped Base
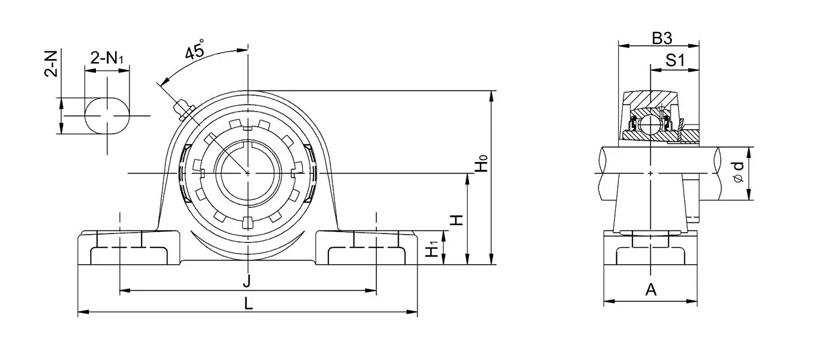
Dimensions (mm)H30.2L76J52A38G13H111Ho62MM10B31S12.7
UEPA206-19 Pillow Block Bearings 2 Bolt Bearing Housing Tapped Base
Dimensions (mm)H42.9L94J66A48G18H112Ho84MM14B139.8S15.9
UCPW205 Pillow Block Bearings 2 Bolt Bearing Housing Tapped Base
Dimensions (mm)H36.5L70J50.8A36MM10G13Ho70H113B34.1S14.3