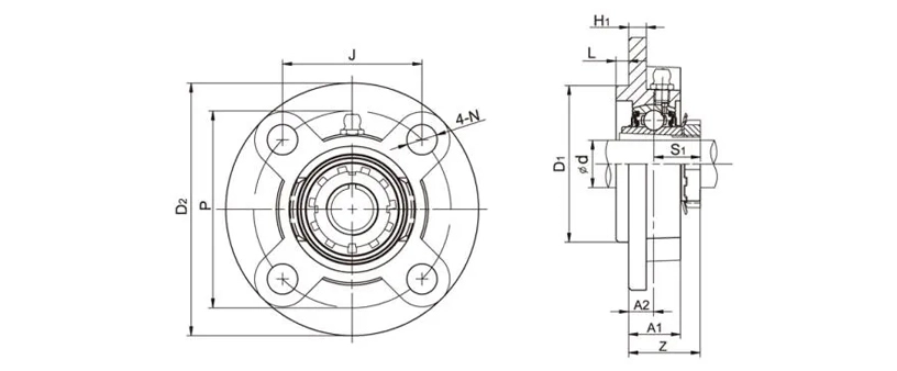
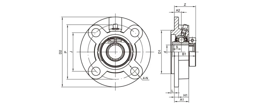
UCFC205 Flange Cartridge Bearing Units 4 Bolt Bearing Housing
Dimensions(mm)D2115P90J63.6A210N12L6H17A121D170B34.1S14.3Z29.8
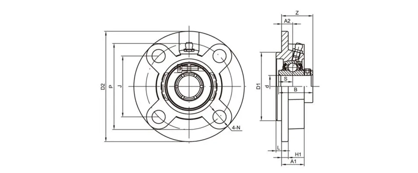
NAFC202-10 Flange Cartridge Bearing Units 4 Bolt Bearing Housing
Dimensions (mm)D2100P78J55.1A210N12L5H17A120.5D162S17.1z36.5
SSUCP206-19ESB Stainless Mounted Bearing
Dimensions(mm)H42.9L165J121A48N17N121H118Ho82B38.1S15.9
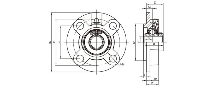
UEFC206-19 Flange Cartridge Bearing Units 4 Bolt Bearing Housing
Dimensions(mm)D2125P100J70.7A210N12L8H18A123D180B139.8S15.9Z33.9
UKFC208+H2308 Flange Cartridge Bearing Units 4 Bolt Bearing Housing
Dimensions (mm)D2145P120J84.8A211N14L10H19A126D1100S124.5Z35.5
SSUCP206-19A Stainless Mounted Bearing
Dimensions(mm)H42.9L165J121A36N17N121H116Ho82B38.1S15.9
SSUCF206-19EHB Stainless Mounted Bearing
Dimensions(mm)L108J83A218A114A31N12z40.2B38.1S15.9
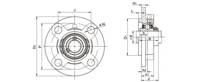
UCFCX06-20 Flange Cartridge Bearing Units 4 Bolt Bearing Housing
Dimensions (mm)D2127P105J74.2A28N12L9.5H19.5A122.5D185B42.9S17.5Z33.4
UCFCS207-23 Flange Cartridge Bearing Units 4 Bolt Bearing Housing
Dimensions (mm)D2127P104.78J74.09A27.9N12L9.4H19.4A122.6D185.725S17.5B42.9Z33.3
UCFCSX06-20 Flange Cartridge Bearing Units 4 Bolt Bearing Housing
Dimensions (mm)D2127P104.78J74.09A27.9N12L9.4H19.4A122.6D185.725S17.5B42.9Z33.3
UCFB205 Flange Mounted Bearings 3 Bolt Bearing Housing
Dimensions(mm)Ho116H45J34j27A216A113A27N10L68P56B34.1S14.3Z35.7
UCFB205A Flange Mounted Bearings 3 Bolt Bearing Housing
Dimensions(mm)Ho120.65H46.04J41.27j28.58A217.07A19.53A28.57N9.92L69.85P63.5B34.1S14.3Z36.87
UEFB206-19 Flange Mounted Bearings 3 Bolt Bearing Housing
Dimensions(mm)Ho130H50J40j29A218A113A31N10L78P65B139.8S15.9Z41.9
SBFCT205-15 Flange Mounted Bearings 3 Bolt Bearing Housing
Dimensions (mm)L95.2P76.2A110.3A19.8A210.3N8.7s7.5E29.8
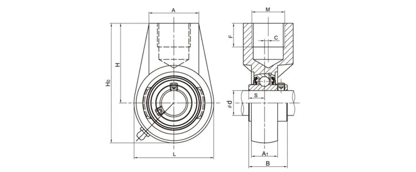
UCHA206-19 Hanger Bearing Units Bearing Housing
Dimensions(mm)L78Ho103H64A40M(in)G3/4F19C0A128B38.1S15.9