TP-SUEPA206-18 Thermoplastic Housing Units
Dimensions(mm)H42.9L95J66A48H084G12H116B139.8S15.9MM10
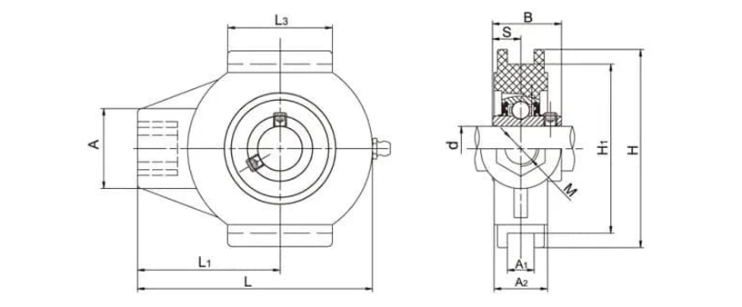
TP-SUCT204-12 Thermoplastic Housing Units
Dimensions(mm)L99A227.5A112L164H88H176MM16A36L347B31S12.7
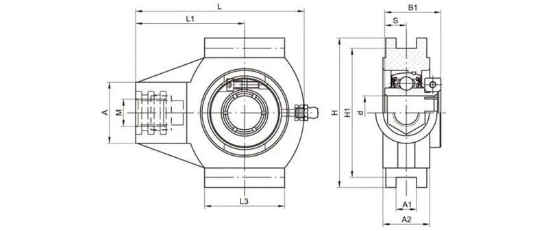
TP-SUET206-18 Thermoplastic Housing Units
Dimensions(mm)L125A234.5A112L176H102H189MM16A40L363B139.8S15.9
TP-SUCFB204-12 Thermoplastic Housing Units
Dimensions(mm)Ho108H42.9J38.1j22.2A219.7A111.4A31.2N11L63P62B31S12.7Z38
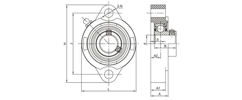
TP-SUEFB206-18 Thermoplastic Housing Units
Dimensions(mm)H0139H52.4J47.6j31.8A222.9A114.5A35.4N11L83P76B139.8S15.9Z46.8
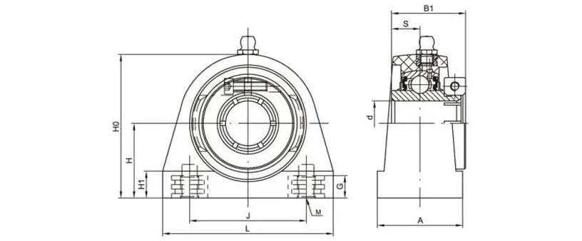
TP-SUCTB205-14 Thermoplastic Housing Units
Dimensions(mm)H36.5A39.7Ho73.4J50.8L76.2M3/8-16B34.1S14.3
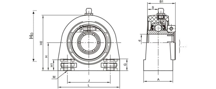
TP-SUETB206-19 Thermoplastic Housing Units
Dimensions(mm)H42.9A42.5Ho84J76.2L101.6M7/16-14G14H116B139.8S15.9
TP-SSBLF206 Thermoplastic Housing Units
Dimensions(mm)H112.5J90.5L84A120.5A23.3N11A211.5B30S8
BS210 Thermoplastic Accessories
FOR PTPA HOUSINGd50b3D96FOR F FL FB HOUSINGd50b6D98
SBPP205 Stamped Housing Units
Dimensions(mm)L108J86H28.6H14Ho56.5N11.5A32B27S7.5