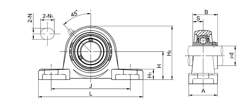
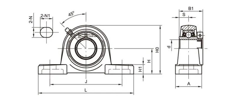
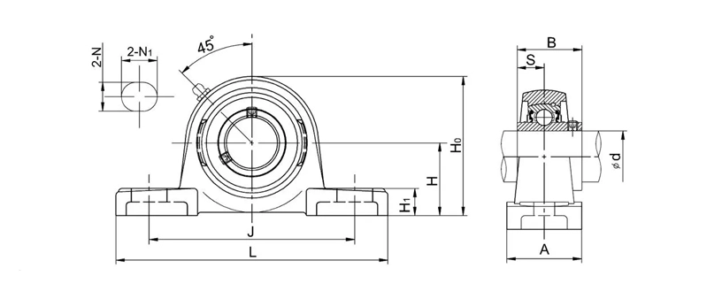
UEP206-20 Pillow Block Bearings 2 Bolt Bearing Housing
Dimensions (mm)H42.9L160J121A44N17N121H116Ho82B139.8S15.9
UKP208+HE2308 Pillow Block bearings 2 Bolt Bearing Housing
Dimensions (mm)H49.2L180J137A53N17N121H118Ho99B346S124.5
UCPX07 Pillow Pillow Block Bearings 2 Bolt Bearing Housing
Dimensions (mm)H54L203J144A57N17N120H121Ho105B49.2S19
UCP315 Pillow Pillow Block Bearings 2 Bolt Bearing Housing
Dimensions (mm)H100L380J290A100N27N140H135Ho198B82S32
UCPE205-14 Pillow Block Bearings 2 Bolt Bearing Housing
Dimensions (mm)H36.5L140J105A38N13N116H116Ho70B34.1S14.3A348
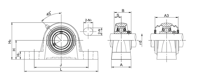
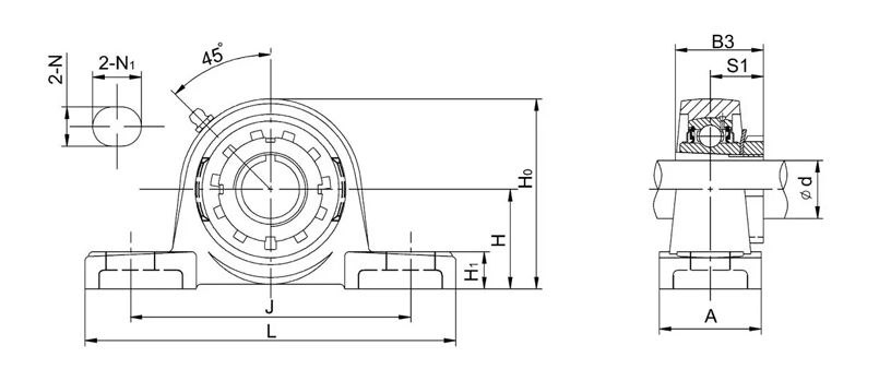
UCAK205-15 Pillow Block Bearings 2 Bolt Bearing Housing
Dimensions (mm)H33.3L140J105A45N12N116H116Ho68B34S14.3
SALP205-14 SBLP2 Pillow Block bearings 2 Bolt Bearing Housing
Dimensions (mm)H36.5L130J100A29N11.5N116H115Ho69.5B130.9S7.5
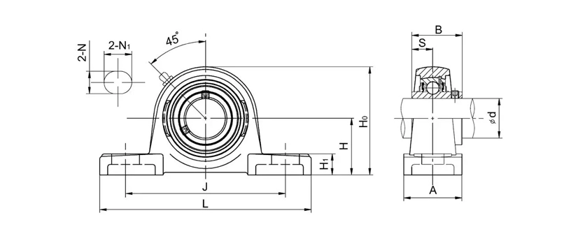
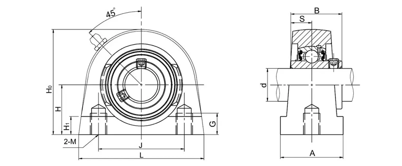
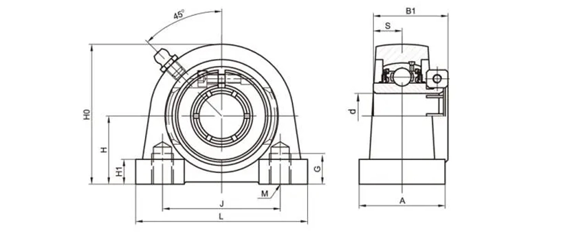
UCPA204 Pillow Block Bearings 2 Bolt Bearing Housing Tapped Base
Dimensions (mm)H30.2L76J52A38G13H111Ho62MM10B31S12.7
UEPA206-20 Pillow Block Bearings 2 Bolt Bearing Housing Tapped Base
Dimensions (mm)H42.9L94J66A48G18H112Ho84MM14B139.8S15.9
UCPW205-14 Pillow Block Bearings 2 Bolt Bearing Housing Tapped Base
Dimensions (mm)H36.5L70J50.8A36MM10G13Ho70H113B34.1S14.3
UCPG205-14 Pillow Block Bearings 2 Bolt Bearing Housing Tapped Base
Dimensions (mm)H36.5L75J50A38MM10G15H113Ho70B34.1S14.3
UCTB205-14 Pillow Block Bearings 2 Bolt Bearing Housing Tapped Base
Dimensions (mm)H36.5L76J50.8A38H112H071G13M3/8-16UNCS14.3B34.1
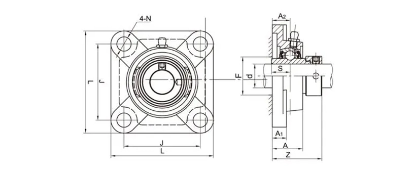
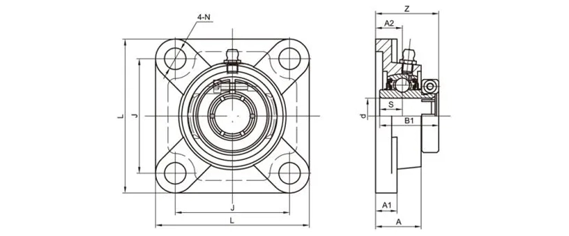
UCF204 Flange Bearing Units 4 Bolt Bearing Housing
Dimensions (mm)L86J64A215A112A25.5N12B31S12.7BZ33.3A338.2
NAF203 Flange Bearing Units 4 Bolt Bearing Housing
Dimensions (mm)L86J64kz15A112A25.5N12S17.1Z41.6F32
UEF206-20 Flange Bearing Units 4 Bolt Bearing Housing
Dimensions(mm)L108J83A218A114A31N12B139.8S15.9Z41.9