SBFW205-14 Flange Bearing Units 2 Bolt Bearing Housing
Dimensions(mm)H95J76A29.5A17.5N9L71B27S7.5z29
SBFD205-15 Flange Bearing Units 2 Bolt Bearing Housing
Dimensions(mm)H95J76A29.5A17.5N9L71B27S7.5z29
SBPFTD205 Flange Bearing Units 2 Bolt Bearing Housing
Dimensions (mm)H96J76.2L69A210.5A19A18.7N8.7s7.5B27z28.2
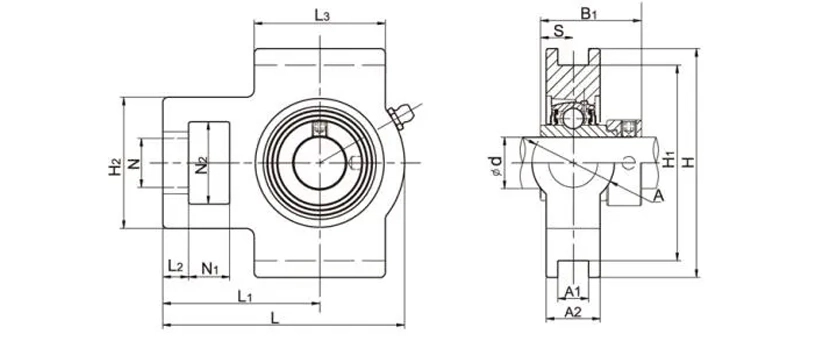
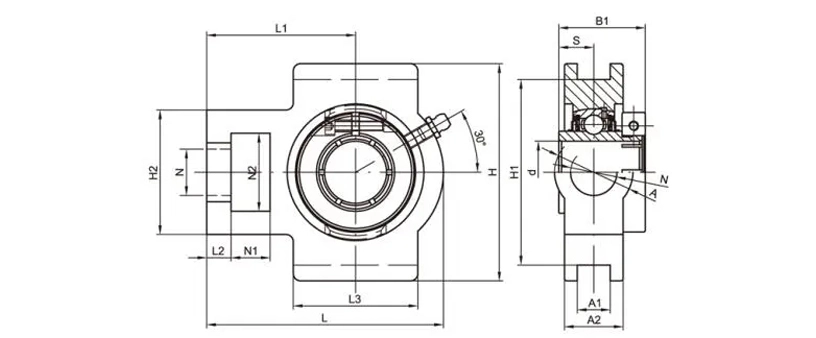
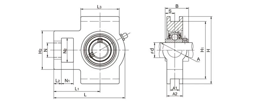
UCT204 Take Up Bearing Units Bearing Housing
Dimensions(mm)N116L210H251N232N19L351A112H176H89L94A32A221L161B31S12.7A346.4
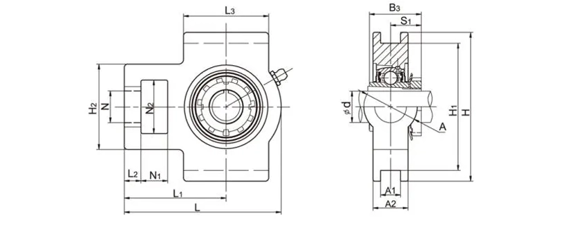
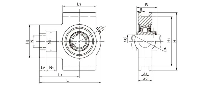
NAT203 Take Up Bearing Units Bearing Housing
Dimensions (mm)N116L210H251N232N19L351A112H176H89L94A32A221L161B143.5s17
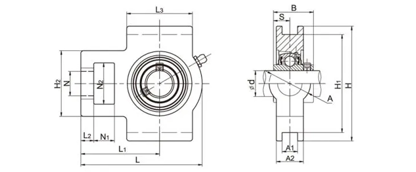
UET206-20 Take Up Bearing Units Bearing Housing
Dimensions(mm)N116L210H256N237N22L357A112H189H102L113A37A228L170B139.8S15.9
UKT209+H2309 Take Up Bearing Units Bearing Housing
Dimensions (mm)N119L216H283N249N29L383A116H1102H117L144A49A235L187B350S126
UCTX07 Take Up Bearing Units Bearing Housing
Dimensions (mm)N119L217H283N249N29L383A116H1102H114L144A49A236L188B49.2s19
UCT315 Take Up Bearing Units Bearing Housing
Dimensions(mm)N136L225H2134N285N46L3150A126H1192H216L262A90A255L1160B82S32
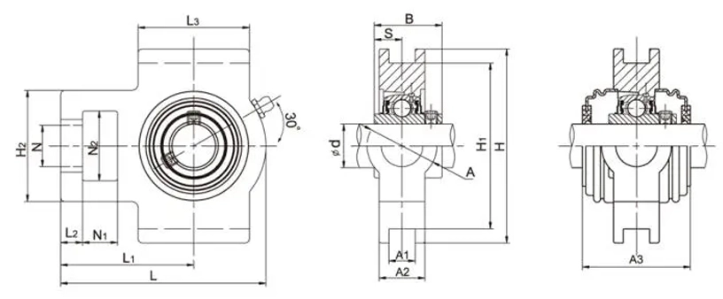
UCST205-15 Take Up Bearing Units Bearing Housing
Dimensions (mm)N116L210H251N232N19L351A113.5H176H89L97A32A224L162B34S14.3
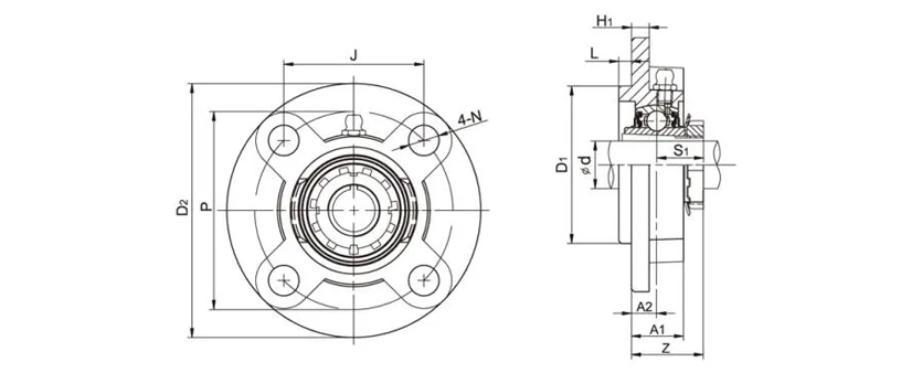
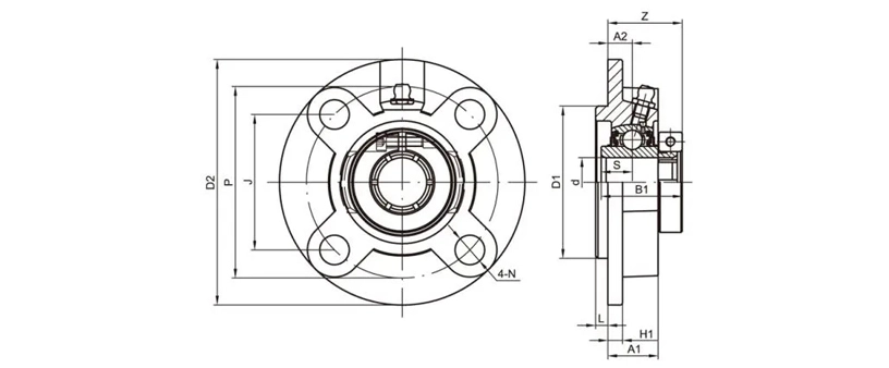
UCFC205-14 Flange Cartridge Bearing Units 4 Bolt Bearing Housing
Dimensions(mm)D2115P90J63.6A210N12L6H17A121D170B34.1S14.3Z29.8
SSUCP206-20ESB Stainless Mounted Bearing
Dimensions(mm)H42.9L165J121A48N17N121H118Ho82B38.1S15.9
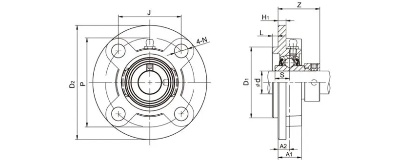
NAFC203 Flange Cartridge Bearing Units 4 Bolt Bearing Housing
Dimensions (mm)D2100P78J55.1A210N12L5H17A120.5D162S17.1z36.5
UEFC206-20 Flange Cartridge Bearing Units 4 Bolt Bearing Housing
Dimensions(mm)D2125P100J70.7A210N12L8H18A123D180B139.8S15.9Z33.9
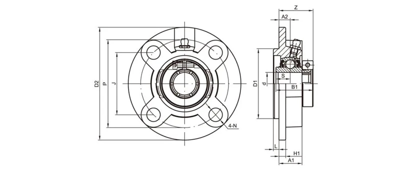
UKFC208+HE2308 Flange Cartridge Bearing Units 4 Bolt Bearing Housing
Dimensions (mm)D2145P120J84.8A211N14L10H19A126D1100S124.5Z35.5