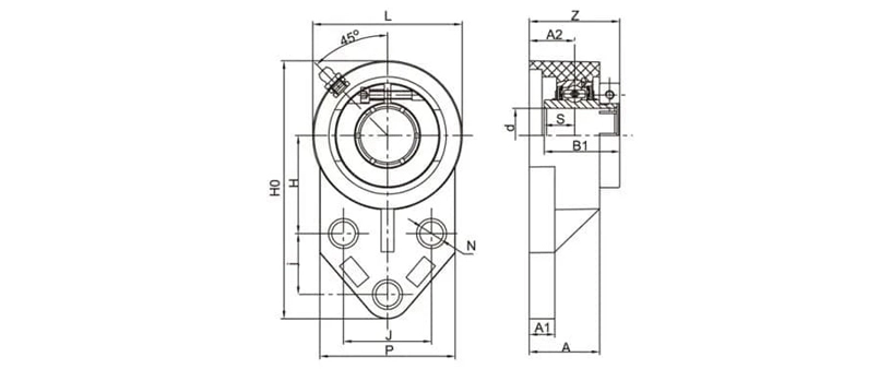
SSUEFB206-20A Stainless Mounted Bearing
Dimensions(mm)Ho136.5H52.4J47.6j31.8A218.7A111.1A33.3N10L82.6P70B139.8S15.9Z42.5
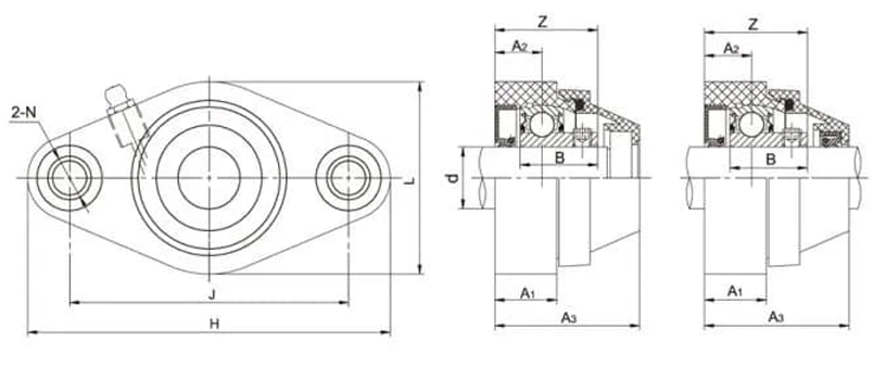
WP-SSBP206-19 Waterproof Housing Units
Dimensions(mm)L163J121H42.9Ho88H122N14N124A36A119.7B30Z40.7A355
WP-SSBFL206-19 Waterproof Housing Units
Dimensions(mm)H149J118A220A126N11L85B30Z42A355
WP-SSBF206-19 Waterproof Housing Units
Dimensions(mm)H110J83A220A126N11B30Z41A355
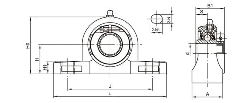
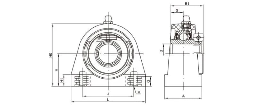
TP-SUCP205 Thermoplastic Housing Units
Dimensions(mm)H36.5L140J105A38N11N114H116Ho71B34.1S14.3
TP-SUEP206-19 Thermoplastic Housing Units
Dimensions(mm)H42.9L163J119A46N14N118H118Ho84B139.8S15.9
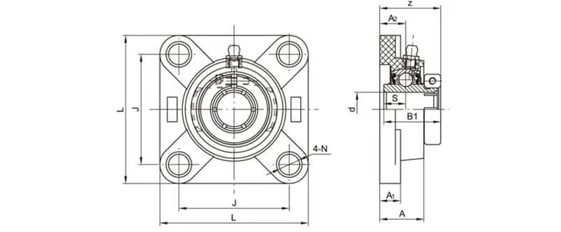
TP-SUCF205 Thermoplastic Housing Units
Dimensions(mm)L95J70A217Al14A28N11B34.1S14.3z36.7
TP-SUEF206-19 Thermoplastic Housing Units
Dimensions(mm)L108J83A219.2Al14.3A31.5N11B139.8S15.9z43.1
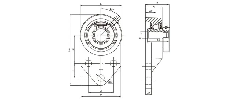
TP-SUCFL205 Thermoplastic Housing Units
Dimensions(mm)H131J99A217A114A29N11L69B34.1S14.3Z36.7
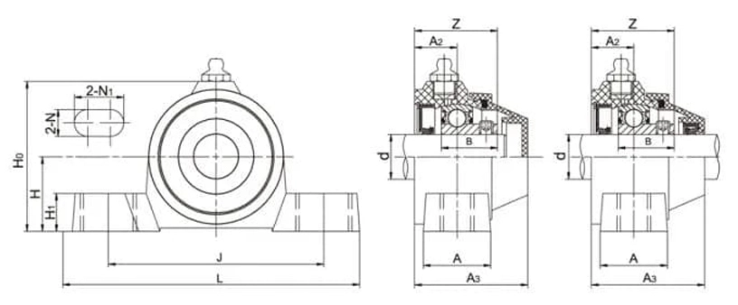
TP-SUCPA205 Thermoplastic Housing Units
Dimensions(mm)h36.5L84J56A38Ho72G12H114B34.1S14.3
TP-SUEPA206-19 Thermoplastic Housing Units
Dimensions(mm)H42.9L95J66A48H084G12H116B139.8S15.9MM10
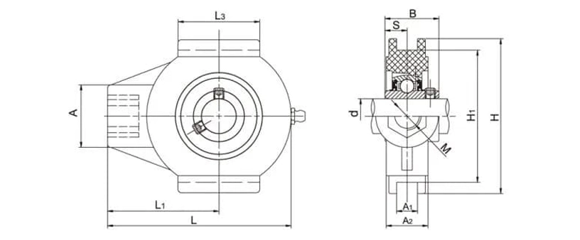
TP-SUCT205 Thermoplastic Housing Units
Dimensions(mm)L99A227.5A112L164H88H176MM16A36L347B34.1S14.3
TP-SUET206-19 Thermoplastic Housing Units
Dimensions(mm)L125A234.5A112L176H102H189MM16A40L363B139.8S15.9
TP-SUCFB205 Thermoplastic Housing Units
Dimensions(mm)Ho121H46J41.3j28.6A221.3A112.3A33N11L70P63B34.1S14.3Z41.1
TP-SUEFB206-19 Thermoplastic Housing Units
Dimensions(mm)H0139H52.4J47.6j31.8A222.9A114.5A35.4N11L83P76B139.8S15.9Z46.8