TP-SUEP206-20 Thermoplastic Housing Units
Dimensions(mm)H42.9L163J119A46N14N118H118Ho84B139.8S15.9
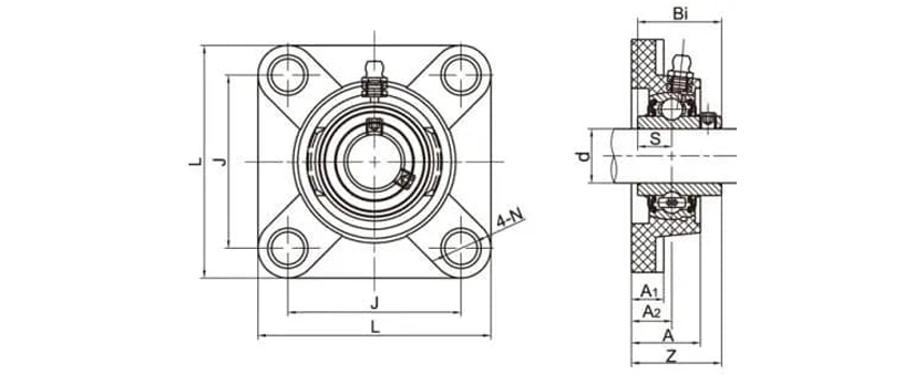
TP-SUCF205-14 Thermoplastic Housing Units
Dimensions(mm)L95J70A217Al14A28N11B34.1S14.3z36.7
TP-SUEF206-20 Thermoplastic Housing Units
Dimensions(mm)L108J83A219.2Al14.3A31.5N11B139.8S15.9z43.1
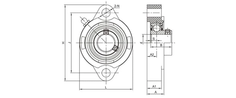
TP-SUCFL205-14 Thermoplastic Housing Units
Dimensions(mm)H131J99A217A114A29N11L69B34.1S14.3Z36.7
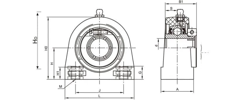
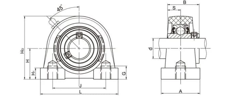
TP-SUCPA205-14 Thermoplastic Housing Units
Dimensions(mm)h36.5L84J56A38Ho72G12H114B34.1S14.3
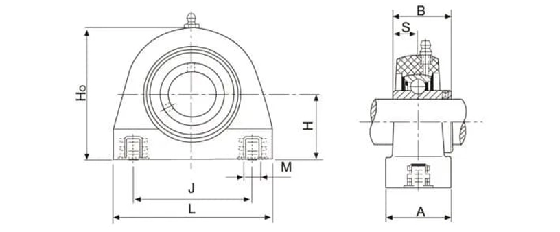
TP-SUEPA206-20 Thermoplastic Housing Units
Dimensions(mm)H42.9L95J66A48H084G12H116B139.8S15.9MM10
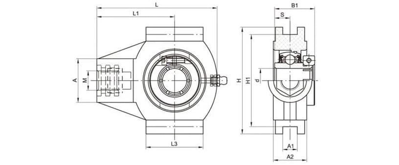
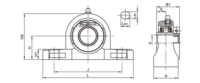
TP-SUCT205-14 Thermoplastic Housing Units
Dimensions(mm)L99A227.5A112L164H88H176MM16A36L347B34.1S14.3
TP-SUET206-20 Thermoplastic Housing Units
Dimensions(mm)L125A234.5A112L176H102H189MM16A40L363B139.8S15.9
TP-SUCFB205-14 Thermoplastic Housing Units
Dimensions(mm)Ho121H46J41.3j28.6A221.3A112.3A33N11L70P63B34.1S14.3Z41.1
TP-SUEFB206-20 Thermoplastic Housing Units
Dimensions(mm)H0139H52.4J47.6j31.8A222.9A114.5A35.4N11L83P76B139.8S15.9Z46.8
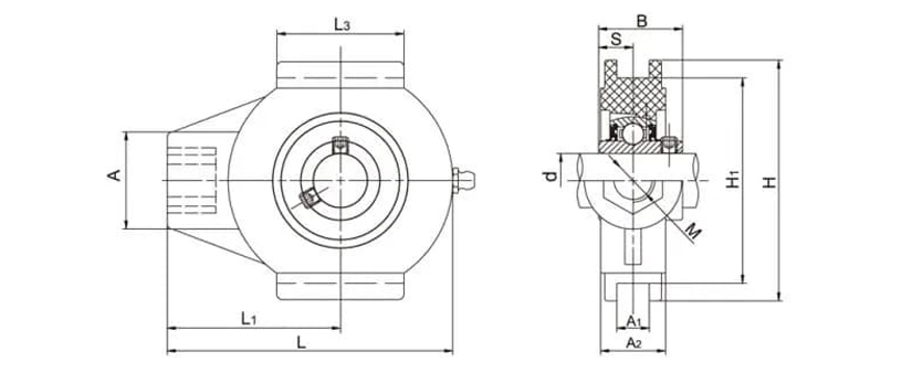
TP-SUCTB205 Thermoplastic Housing Units
Dimensions(mm)H36.5A39.7Ho73.4J50.8L76.2M3/8-16B34.1S14.3
TP-SUETB207-20 Thermoplastic Housing Units
Dimensions(mm)H47.6A47.6Ho95J82.6L111M1/2-13G15H116B143.9S17.5
TP-SSBLF206-18 Thermoplastic Housing Units
Dimensions(mm)H112.5J90.5L84A120.5A23.3N11A211.5B30S8
BS212 Thermoplastic Accessories
FOR PTPA HOUSINGd60b3D116FOR F FL FB HOUSINGd60b6D116
SBPP205-15 Stamped Housing Units
Dimensions(mm)L108J86H28.6H14Ho56.5N11.5A32B27S7.5