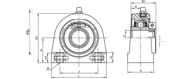
TP-SUETB208-24 Thermoplastic Housing Units
Dimensions(mm)H49.2A47.6Ho100.4J88.9L120M1/2-13G15H116B150.2S19
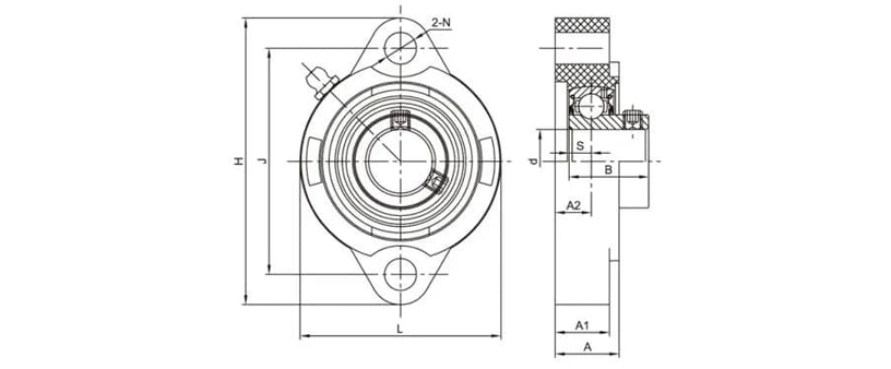
TP-SSBLF207-21 Thermoplastic Housing Units
Dimensions(mm)H126J100L94A122.5A25.3N11A212.5B32S8.5
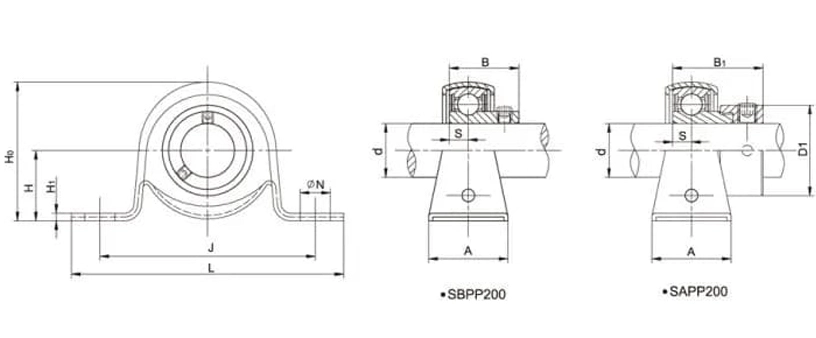
SBPP206-20 Stamped Housing Units
Dimensions(mm)L117J95H33.3H14Ho66.3N11.5A38B30S8