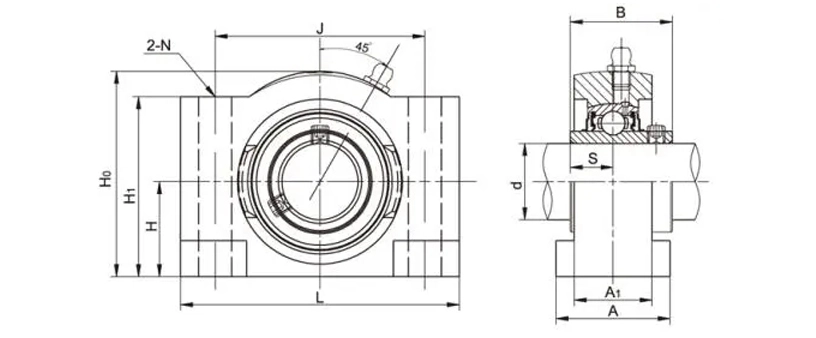
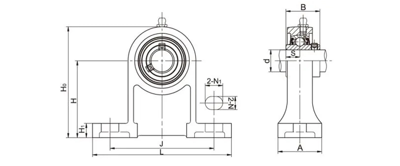
UCSB208-24 Pillow Block bearings 2 Bolt Bearing Housing
Dimensions (mm)H47.6L140J108A54A139H181Ho100N14B49.2s19
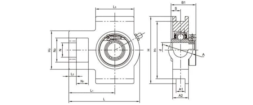
UCPH206-19 Pillow BLock Bearings 2 Bolt Bearing Housing Pedestal Base
Dimensions(mm)H90L165J121A50N17N121H118Ho130B38.1s15.9
SSUCF208A Stainless Mounted Bearing
Dimensions(mm)L130J102A221A115A36N16z51.2B49.2S19
SSUEFL208EHB Stainless Mounted Bearing
Dimensions(mm)H171J144A221A114.3A36N14L100Z52.2B150.2S19
SSUCFL208EHB Stainless Mounted Bearing
Dimensions(mm)H171J144A221A114.3A36N14L100z51.2B49.2S19
SSUEF208EHB Stainless Mounted Bearing
Dimensions(mm)L130J102A221A115.9A36N16Z52.2B150.2S19
SSUCFL208A Stainless Mounted Bearing
Dimensions(mm)H175J144A221A115A36N14L100z51.2B49.2S19
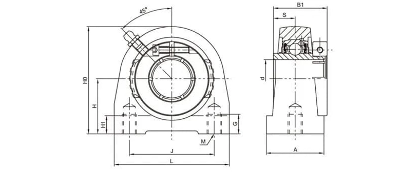
SSUCT208 Stainless Mounted Bearing
Dimensions(mm)N119L216H283N249N29L383A116H1102H114L144A49A233L188B49.2s19
SSUET208 Stainless Mounted Bearing
Dimensions(mm)N119L216H283N249N29L383A116H1102H114L144A49A233L188B150.2S19
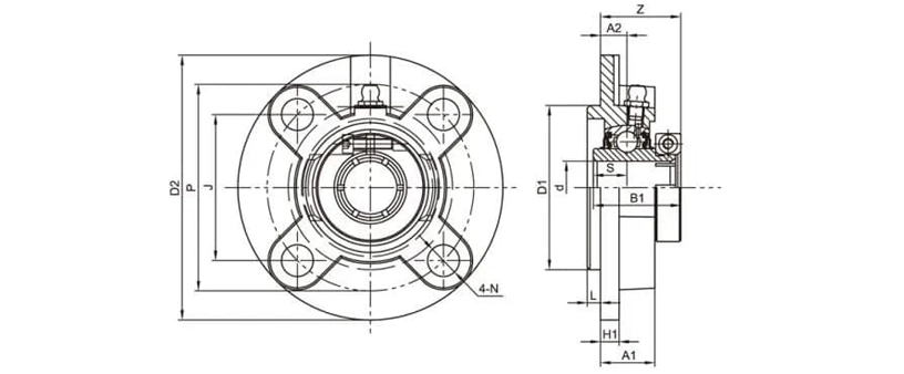
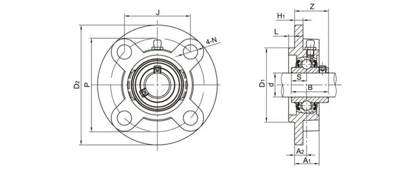
SSUCFC208 Stainless Mounted Bearing
Dimensions(mm)D2145P120J84.8A211N14L10H19A126D1100B49.2S19z41.2
SSUEFC208 Stainless Mounted Bearing
Dimensions(mm)D2145P120J84.8A211N14L10H19A126D1100B150.2S19z42.2
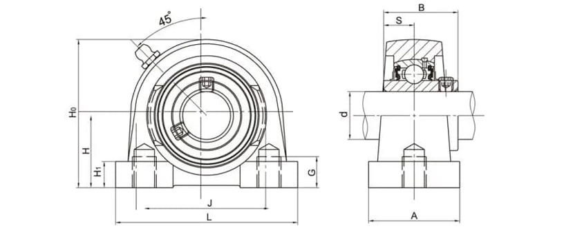
SSUCPA208 Stainless Mounted Bearing
Dimensions(mm)H49.2L116J84A54G20H113Ho100B49.2s19
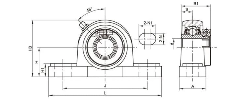
SSUCPA208A Stainless Mounted Bearing
Dimensions(mm)H49.2L117J88.9A48G19H113Ho100B49.2s19
SSUEP208 ESB Stainless Mounted Bearing
Dimensions(mm)H49.2L184J137A54N17N122H119Ho99B150.2S19
SSUEPA208A Stainless Mounted Bearing
Dimensions(mm)H49.2L117J88.9A48G19H113Ho100B150.2S19M1/2"-13