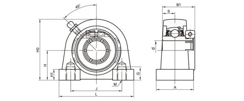
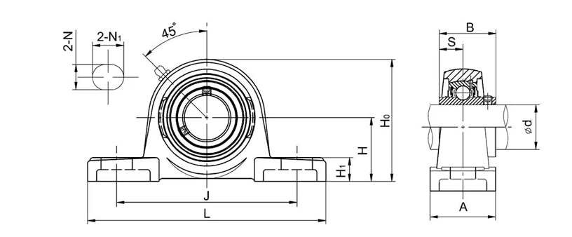
NAP207 Pillow Block Bearings 2 Bolt Bearing Housing
Dimensions (mm)H47.6L167J126A44N17N121H117Ho92B151.1S18.8
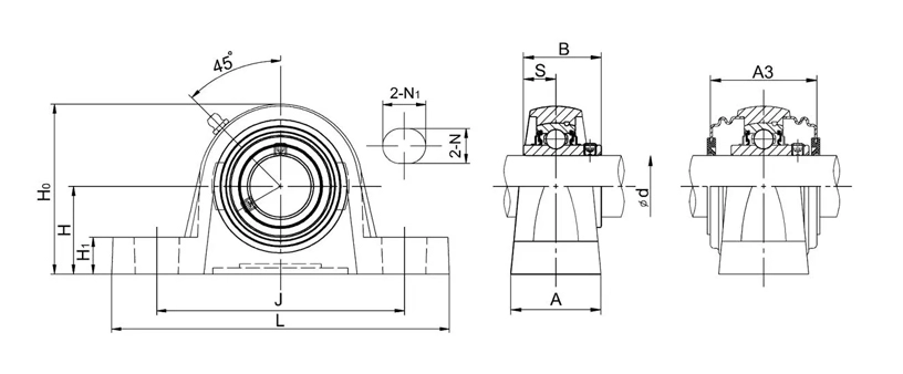
UEP208-24 Pillow Block Bearings 2 Bolt Bearing Housing
Dimensions (mm)H49.2L180J137A52N17N121H118Ho99B150.2S19
UKP210+HA2310 Pillow Block bearings 2 Bolt Bearing Housing
Dimensions (mm)H57.2L206J159A60N20N125H121Ho114B355S127.5
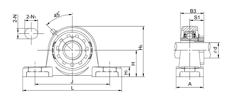
UCPX09 Pillow Pillow Block Bearings 2 Bolt Bearing Housing
Dimensions (mm)H58.7L222J156A67N20N123H126Ho116B51.6S19
UCP322 Pillow Pillow Block Bearings 2 Bolt Bearing Housing
Dimensions (mm)H150L520J400A140N40N155H155Ho300B117S46
UCPE206-20 Pillow Block Bearings 2 Bolt Bearing Housing
Dimensions (mm)H42.9L160J121A48N17N121H118Ho83B38.1S15.9A352
UCAK207 Pillow Block Bearings 2 Bolt Bearing Housing
Dimensions (mm)H46L167J127A48N15N119H11SHo92B42.9S17.5
SALP206-20 SBLP2 Pillow Block bearings 2 Bolt Bearing Housing
Dimensions (mm)H42.9L156J121A33N14N121H116Ho82B135.7S9
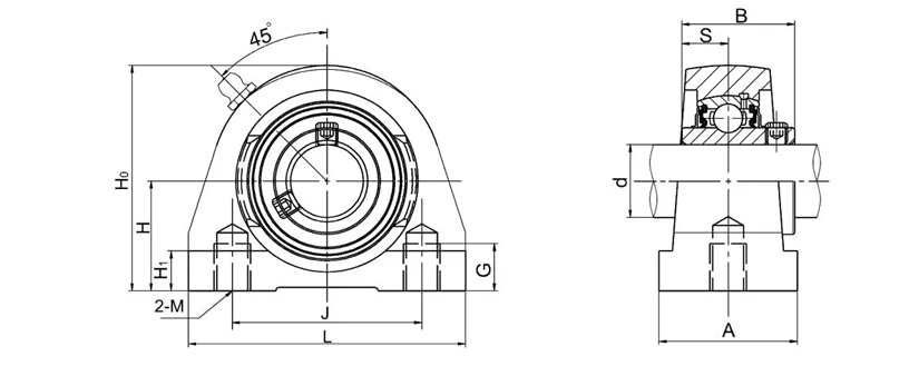
UCPA206-17 Pillow Block Bearings 2 Bolt Bearing Housing Tapped Base
Dimensions (mm)H42.9L94J66A48G18H112Ho84MM14B38.1S15.9
UEPA208-24 Pillow Block Bearings 2 Bolt Bearing Housing Tapped Base
Dimensions (mm)H49.2L116J84A54G20H113Ho100MM14B150.2S19
UCPW206-20 Pillow Block Bearings 2 Bolt Bearing Housing Tapped Base
Dimensions (mm)H42.9L98J76.2A38MM10G16Ho82H115B38.1S15.9
UCPG206-20 Pillow Block Bearings 2 Bolt Bearing Housing Tapped Base
Dimensions (mm)H42.9L85J60A48MM10G17H113Ho84B38.1S15.9
UCTB206-20 Pillow Block Bearings 2 Bolt Bearing Housing Tapped Base
Dimensions (mm)H42.9L102J76.2A38H112H086G16M7/16-14UNCS15.9B38.1
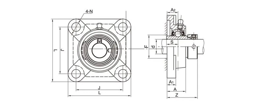
UCF206-17 Flange Bearing Units 4 Bolt Bearing Housing
Dimensions (mm)L108J83A218A114A31N12B38S15.9BZ40.2A344
NAF205-16 Flange Bearing Units 4 Bolt Bearing Housing
Dimensions (mm)L95J70kz16A114A27N12S17.5Z42.9F36