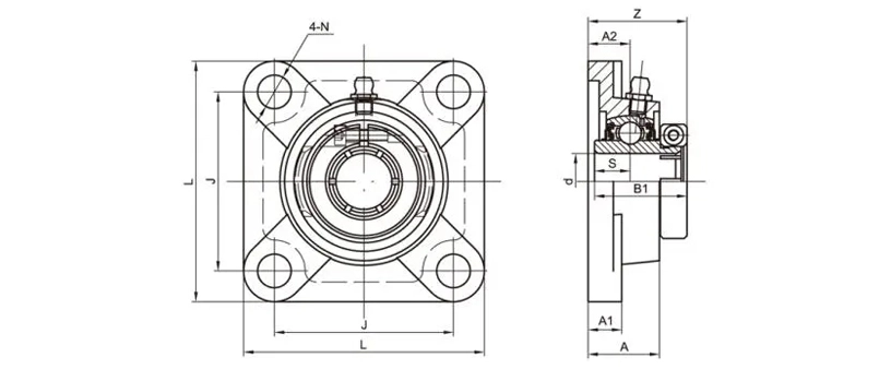
UEF208-24 Flange Bearing Units 4 Bolt Bearing Housing
Dimensions(mm)L130J102A221A116A36N16B150.2S19Z52.2
UKF210+HA2310 Flange Bearing Units 4 Bolt Bearing Housing
Dimensions (mm)L143J111A222A118A40N16S127.5Z49.5
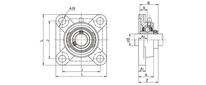
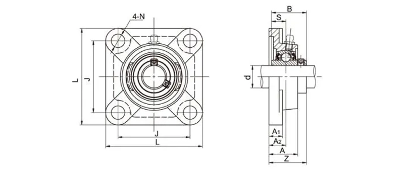
UCFX09 Flange Bearing Units 4 Bolt Bearing Housing
Dimensions (mm)L143J111A223A114A40N19B51.6S19Z55.6
UCF322 Flange Bearing Units 4 Bolt Bearing Housing
Dimensions(mm)L340J266A260A135A96N41B117S46Z131
UCFS309-28 Flange Bearing Units 4 Bolt Bearing Housing
Dimensions (mm)L160J125A214A133A44H11H118N19D1125S22Z49
NAFS205-16 Flange Bearing Units 4 Bolt Bearing Housing
Dimensions (mm)L93J70A219A115A30N11.5B144.4S17.4Z45.9
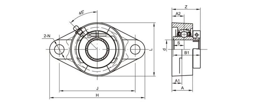
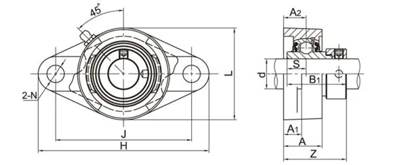
UCFL206-17 Flange Bearing Units 2 Bolt Bearing Housing
Dimensions(mm)H148J117A218A113A31N16L80B38.1S15.9Z40.2A344
NAFL205-16 Flange Bearing Units 2-Bolt Bearing Housing
Dimensions (mm)H130J99A216A113A27N16L68B144.4S17.5Z42.9F36
UEFL208-24 Flange Bearing Units 2 Bolt Bearing Housing
Dimensions(mm)H175J144A221A115A36N16L100B150.2S19Z52.2
UKFL210+HA2310 Flange Bearing Units 2 Bolt Bearing Housing
Dimensions (mm)H197J157A222A116A40N19L115S127.5Z49.5
UCFLX09-26 Flange Bearing Units 2 Bolt Bearing Housing
Dimensions (mm)H189J157A223A116A40N16L116B51.6S19Z55.6
UCFL322 Flange Bearing Units 2 Bolt Bearing Housing
Dimensions(mm)H470J390A260A142A96N44L300B117S46Z131
NAFLU205-16 Flange Bearing Units 2 Bolt Bearing Housing
Dimensions (mm)H123J99L70A219A115A30N11.5B144.4S17.4Z45.9
UCFT206-19 Flange Bearing Units 2 Bolt Bearing Housing
Dimensions (mm)H141J116.7A217.9A113A30N12.5L83B38.1s15.9z40.1
UEFT208 Flange Bearing Units 2 Bolt Bearing Housing
Dimensions (mm)H171J143.7A221A114A38N14L105B150.2S19Z52.2