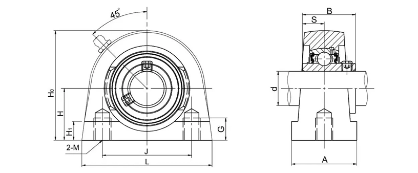
UCPA206-19 Pillow Block Bearings 2 Bolt Bearing Housing Tapped Base
Dimensions (mm)H42.9L94J66A48G18H112Ho84MM14B38.1S15.9
UEPA209 Pillow Block Bearings 2 Bolt Bearing Housing Tapped Base
Dimensions (mm)H54.2L120J90A54G25H113Ho108MM14B150.2S19
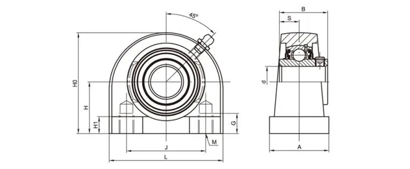
UCPW207-20 Pillow Block Bearings 2 Bolt Bearing Housing Tapped Base
Dimensions (mm)H47.6L103J82.6A45MM10G19Ho93H115B42.9S17.5
UCPG207-20 Pillow Block Bearings 2 Bolt Bearing Housing Tapped Base
Dimensions (mm)H47.6L100J68A48MM12G17H113Ho93B42.9S17.5
UCTB207-20 Pillow Block Bearings 2 Bolt Bearing Housing Tapped Base
Dimensions (mm)H47.6L108J82.6A48H113H095G19M1/2-13UNCS17.5B42.9
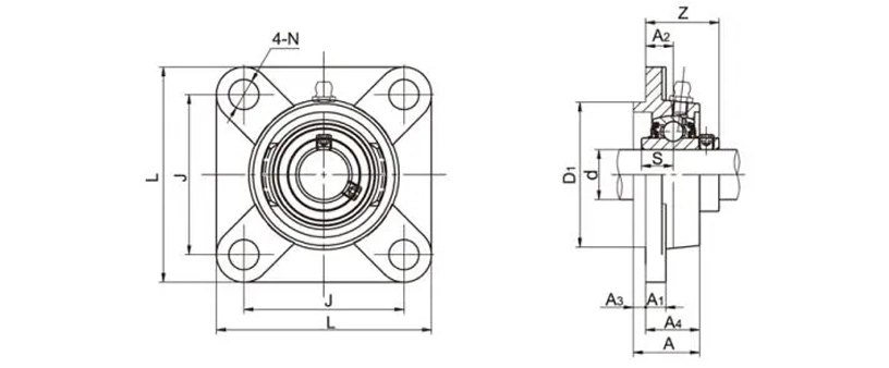
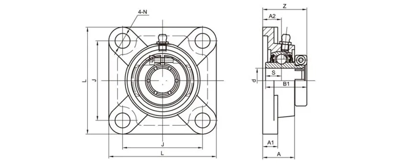
UCF206-19 Flange Bearing Units 4 Bolt Bearing Housing
Dimensions (mm)L108J83A218A114A31N12B38S15.9BZ40.2A344
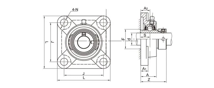
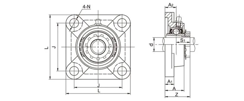
NAF206-18 Flange Bearing Units 4 Bolt Bearing Housing
Dimensions (mm)L108J83kz18A114A31N12S18.3Z48.1F42
UEF209 Flange Bearing Units 4 Bolt Bearing Housing
Dimensions(mm)L137J105A222A118A38N16B150.2S19Z53.2
UKF211+H2311 Flange Bearing Units 4 Bolt Bearing Housing
Dimensions (mm)L162J130A225A120A43N19S128.5Z53.5
UCFX09-27 Flange Bearing Units 4 Bolt Bearing Housing
Dimensions (mm)L143J111A223A114A40N19B51.6S19Z55.6
UCF326 Flange Bearing Units 4 Bolt Bearing Housing
Dimensions(mm)L410J320A265A145A115N41B135S54Z146
UCFS310-30 Flange Bearing Units 4 Bolt Bearing Housing
Dimensions (mm)L175J132A216A136A48H12H119N23D1140S22Z55
NAFS206-18 Flange Bearing Units 4 Bolt Bearing Housing
Dimensions (mm)L106J82.5A220A116A32.5N11.5B148.4S18.2Z50.1
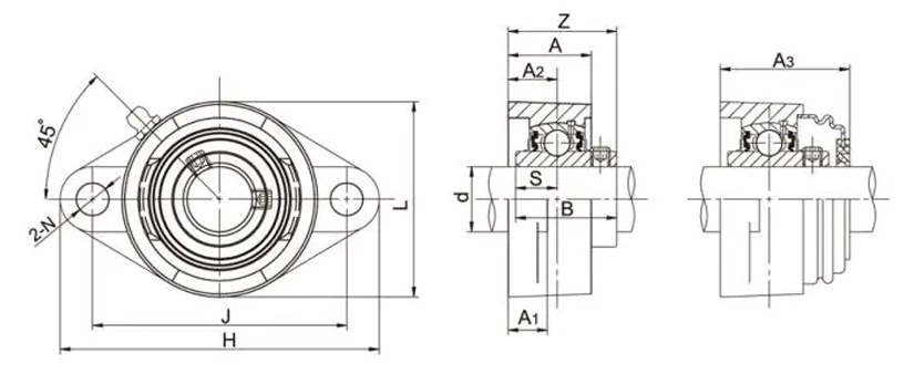
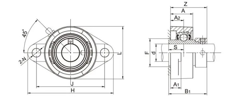
UCFL206-19 Flange Bearing Units 2 Bolt Bearing Housing
Dimensions(mm)H148J117A218A113A31N16L80B38.1S15.9Z40.2A344
NAFL206-17 Flange Bearing Units 2-Bolt Bearing Housing
Dimensions (mm)H148J117A218A113A31N16L80B148.4S18.3Z48.1F42