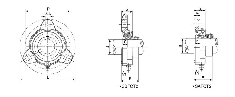
UEFB209 Flange Mounted Bearings 3 Bolt Bearing Housing
Dimensions(mm)Ho174H65J54j43A222A118A38N12L106P80B150.2S19Z53.2
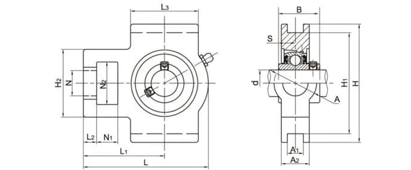
SBFCT207 Flange Mounted Bearings 3 Bolt Bearing Housing
Dimensions (mm)L122.5P100A112.7A23.8A212.7N10.3s8.5E36.2
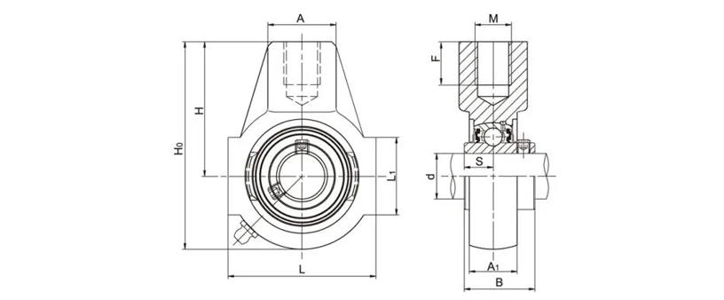
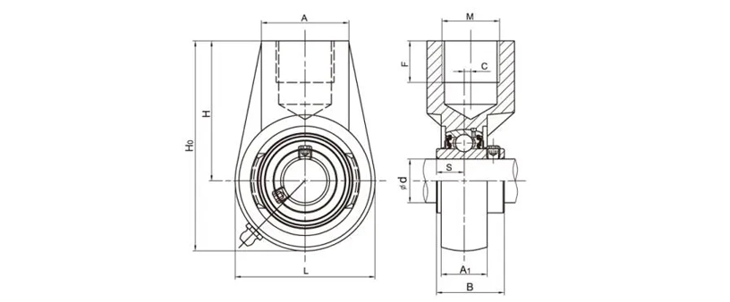
UCHA209 Hanger Bearing Units Bearing Housing
Dimensions(mm)L108Ho136H82A48M(in)G1F21C5A135B49.2S19
UEHA209 Hanger Bearing Units Bearing Housing
Dimensions(mm)L108H0136H82A48M(in)G1F21C5A135B150.2S19
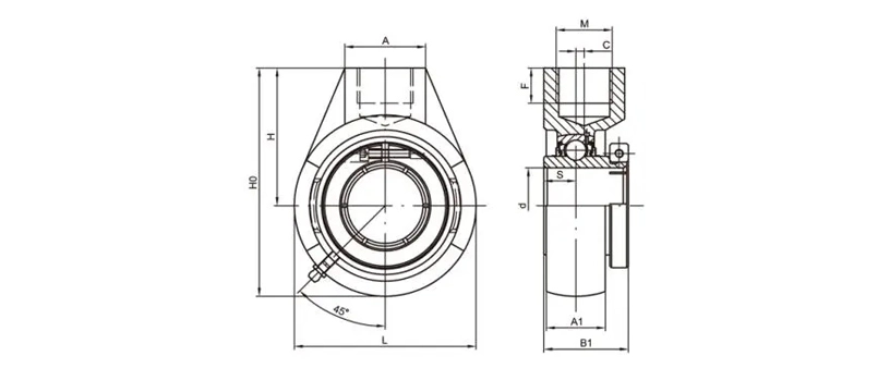
UCHE207-20 Hanger Bearing Units Bearing Housing
Dimensions(mm)L90Ho122H76A40MM24F24L148A130B42.9S17.5
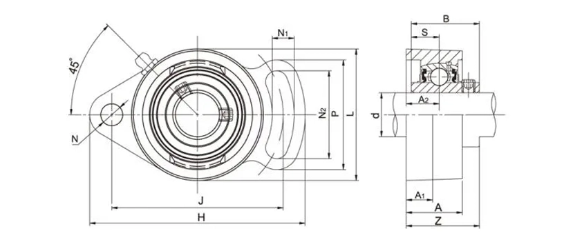
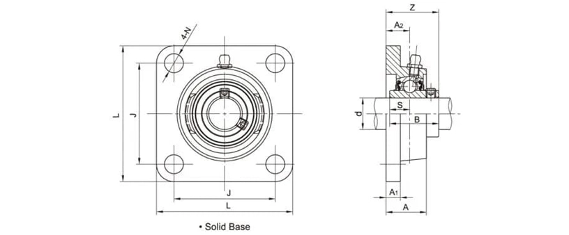
UCFA207-20 Adjustable Flange Bearings
Dimensions (mm)H154J130A219A116A34N15N115N266L95P82B42.9S17.5Z44.4
UCC207-20 Cylindrical Cartridge Bearings
Dimensions(mm)D190A28B42.9s17.5
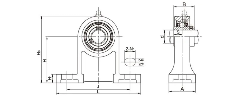
UCSB209-26 Pillow Block bearings 2 Bolt Bearing Housing
Dimensions (mm)H50.8L146J111A54A139H186Ho105N14B49.2s19
UCPH207-20 Pillow BLock Bearings 2 Bolt Bearing Housing Pedestal Base
Dimensions(mm)H95L167J127A60N17N121H119Ho140B42.9s17.5
SSUCF209A Stainless Mounted Bearing
Dimensions(mm)L137J105A222A116A38N16z52.2B49.2S19
SSUEFL209EHB Stainless Mounted Bearing
Dimensions(mm)H179J148A222A115A38N16L108Z53.2B150.2S19
SSUCFL209EHB Stainless Mounted Bearing
Dimensions(mm)H179J148A222A115A38N16L108z52.2B49.2S19
SSUEF209EHB Stainless Mounted Bearing
Dimensions(mm)L137J105A222A116.7A38N16Z53.2B150.2S19
SSUCFL209A Stainless Mounted Bearing
Dimensions(mm)H187J148A222A116A38N16L108z52.2B49.2S19
SSUCT209 Stainless Mounted Bearing
Dimensions(mm)N119L216H283N249N29L383A116H1102H117L144A49A235L187B49.2s19