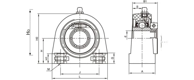
SSUEPA210-30A Stainless Mounted Bearing
Dimensions(mm)H57.2L140J101.6A51G22H114Ho117B152.6S19M5/8"-11
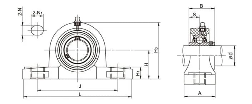
TP-SUCP208 Thermoplastic Housing Units
Dimensions(mm)H49.2L184J137A54N14N118H119.5Ho99B49.2S19
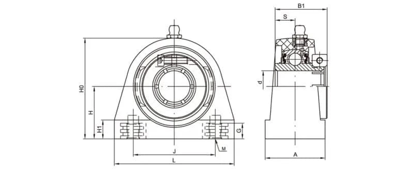
TP-SUEP210 Thermoplastic Housing Units
Dimensions(mm)H57.2L206J159A60N17N120H124Ho114B1S19
TP-SUCF208 Thermoplastic Housing Units
Dimensions(mm)L130J102A223Al18A37.5N14B49.2S19z53.2
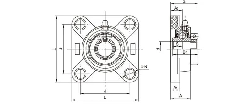
TP-SUEF210 Thermoplastic Housing Units
Dimensions(mm)L143J111A225Al21A43N17B152.6S19z58.6
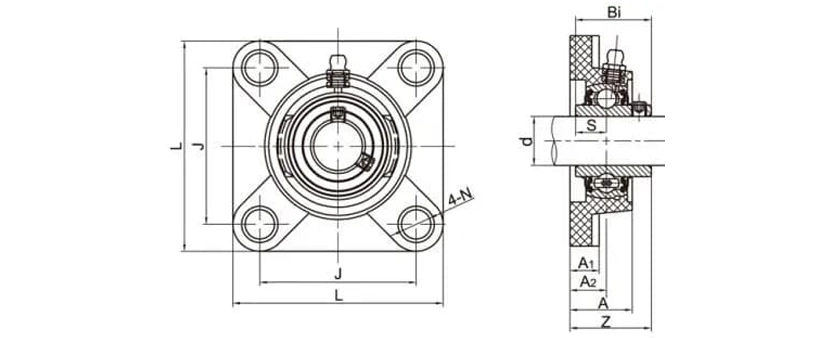
TP-SUCFL208 Thermoplastic Housing Units
Dimensions(mm)H176J144A221.5A120A37.5N14L101B49.2S19Z51.7
TP-SUCPA208 Thermoplastic Housing Units
Dimensions(mm)h49.2L116J84A54Ho100G15H118B49.2S19
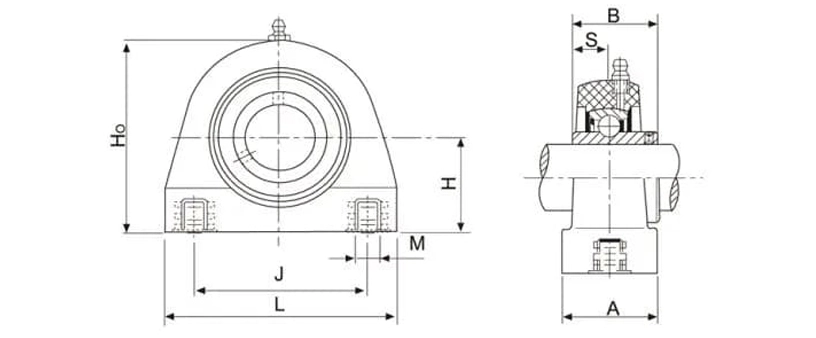
TP-SUEPA210 Thermoplastic Housing Units
Dimensions(mm)H57.2L130J94A60H0116G18H121B152.6S19MM16
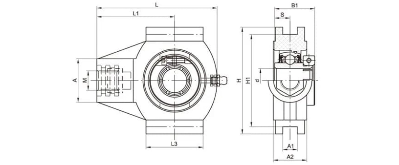
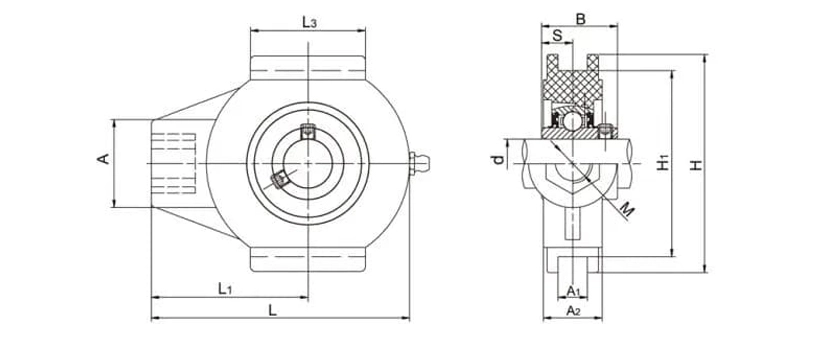
TP-SUCT208 Thermoplastic Housing Units
Dimensions(mm)L140A234.5A116L185H114H1102MM16A40L380B49.2S19
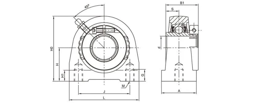
TP-SUET210 Thermoplastic Housing Units
Dimensions(mm)L149A240A116L190H116H1102MM20A50L385B152.6S19
TP-SUCFB208 Thermoplastic Housing Units
Dimensions(mm)Ho178H67.3J54j35.5A226A118.5A39.5N13L103P99B49.2S19Z54
TP-SUCTB208-25 Thermoplastic Housing Units
Dimensions(mm)H49.2A47.6Ho100.4J88.9L120M1/2-13B49.2S19
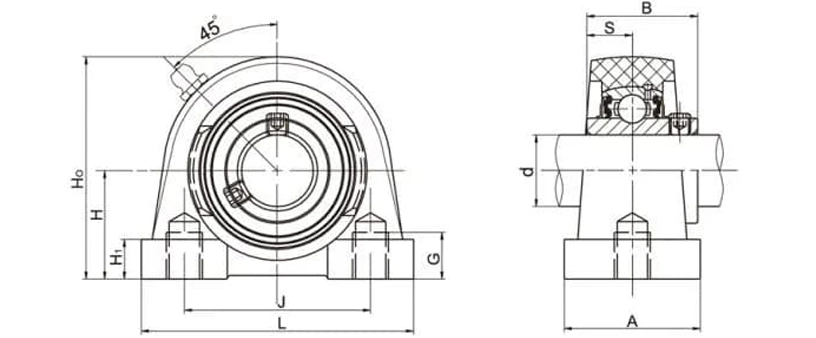
TP-SUETB210-31 Thermoplastic Housing Units
Dimensions(mm)H57.2A54Ho115J101.6L135M5/8-11G18H122B152.6S19
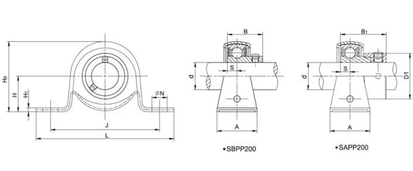
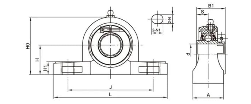
SBPP208-25 Stamped Housing Units
Dimensions(mm)L148J120H43.7H15Ho85.8N12A43.5B34S9