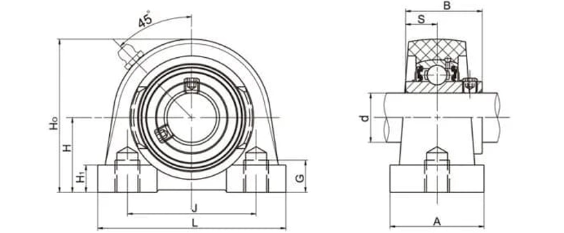
TP-SUCPA210 Thermoplastic Housing Units
Dimensions(mm)h57.2L130J94A60Ho116G18H121B51.6S19
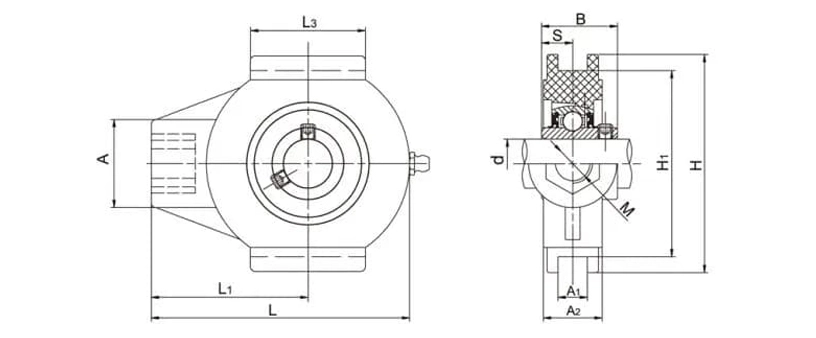
TP-SUCT210 Thermoplastic Housing Units
Dimensions(mm)L149A240A116L190H116H1102MM20A50L385B51.6S19
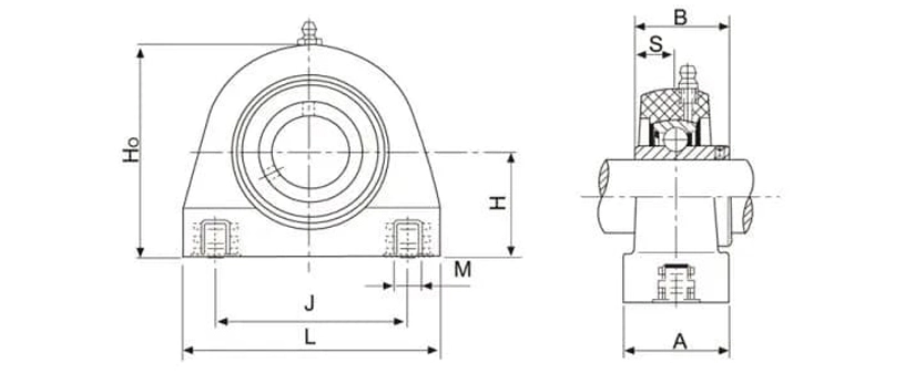
TP-SUCTB210-31 Thermoplastic Housing Units
Dimensions(mm)H57.2A54Ho115J101.6L135M5/8-11B51.6S19
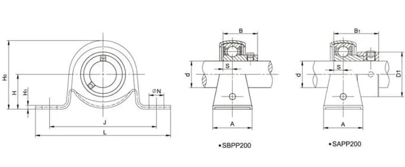
SAPP202 Stamped Housing Units
Dimensions(mm)L86J68H22.2H12.4Ho43.4N9.5A25d128.6B128.6S6