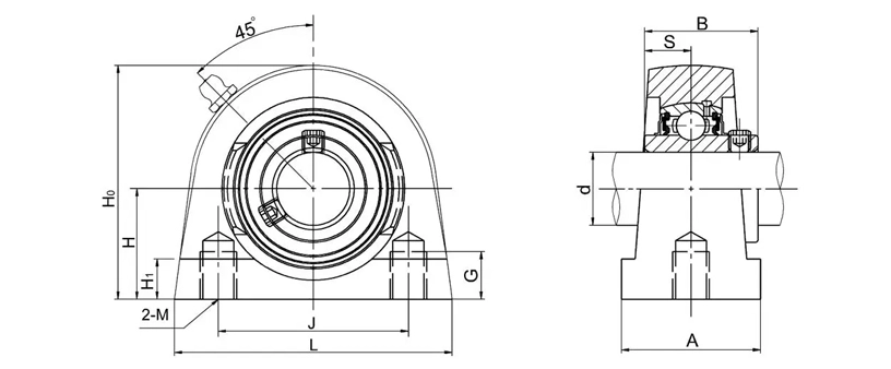
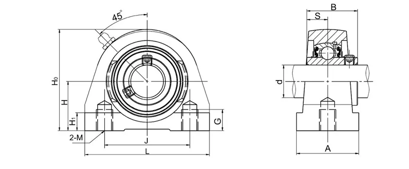
UCAK210-31 Pillow Block Bearings 2 Bolt Bearing Housing
Dimensions (mm)H55.6L203J159A57N15N119H122Ho113B51.6S19
SBLP205 Pillow Block bearings 2 Bolt Bearing Housing
Dimensions (mm)H36.5L130J100A29N11.5N116H115Ho69.5B27S7.5
UCPA209-28 Pillow Block Bearings 2 Bolt Bearing Housing Tapped Base
Dimensions (mm)H54.2L120J90A54G25H113Ho108MM14B49.2S19
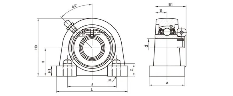
UEPA212-36 Pillow Block Bearings 2 Bolt Bearing Housing Tapped Base
Dimensions (mm)H69.9L150J114A68G25H117Ho138MM16B166.6S25.4
UCPW210-31 Pillow Block Bearings 2 Bolt Bearing Housing Tapped Base
Dimensions (mm)H57.2L135J101.6A54MM16G22Ho115H118B51.6S19
UCPG210-31 Pillow Block Bearings 2 Bolt Bearing Housing Tapped Base
Dimensions (mm)H57.2L135J95A60MM16G21H114Ho114B51.6S19
UCTB210-31 Pillow Block Bearings 2 Bolt Bearing Housing Tapped Base
Dimensions (mm)H57.2L140J101.6A51H114H0117G22M5/8-11UNCS19B51.9
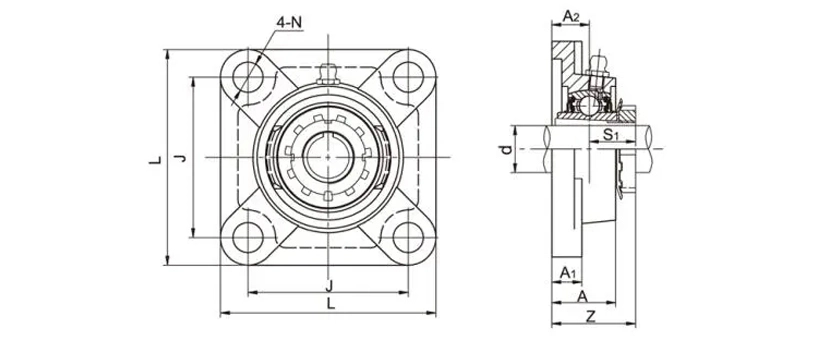
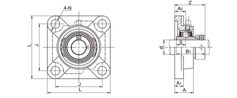
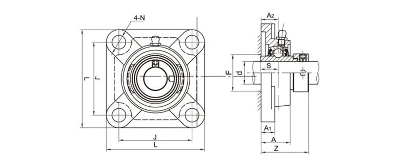
UCF209-28 Flange Bearing Units 4 Bolt Bearing Housing
Dimensions (mm)L137J105A222A118A38N16B49.2S19BZ52.2A357
NAF209-27 Flange Bearing Units 4 Bolt Bearing Housing
Dimensions (mm)L137J105kz22A118A38N16S21.4Z56.9F—
UEF212-36 Flange Bearing Units 4 Bolt Bearing Housing
Dimensions(mm)L175J143A229A120A48N19B166.6S25.4Z70.2
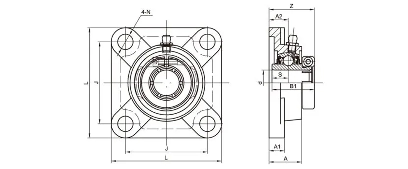
UKF216+H2316 Flange Bearing Units 4 Bolt Bearing Housing
Dimensions (mm)L208J165A234A122A58N23S139Z73
UCFX12 Flange Bearing Units 4 Bolt Bearing Housing
Dimensions (mm)L187J149A234A121A59N19B65.1S25.4Z73.7
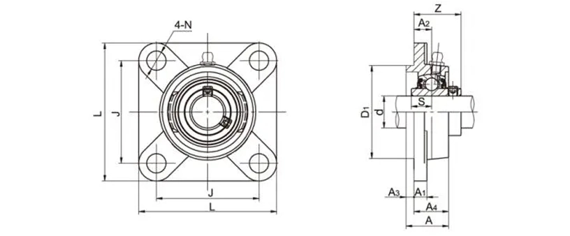
UCFS314-44 Flange Bearing Units 4 Bolt Bearing Housing
Dimensions (mm)L226J178A218A143A61H18H125N25D1185S31Z65
NAFS209-27 Flange Bearing Units 4 Bolt Bearing Housing
Dimensions (mm)L135J105A224A118A40N16B156.3S21.4Z58.9
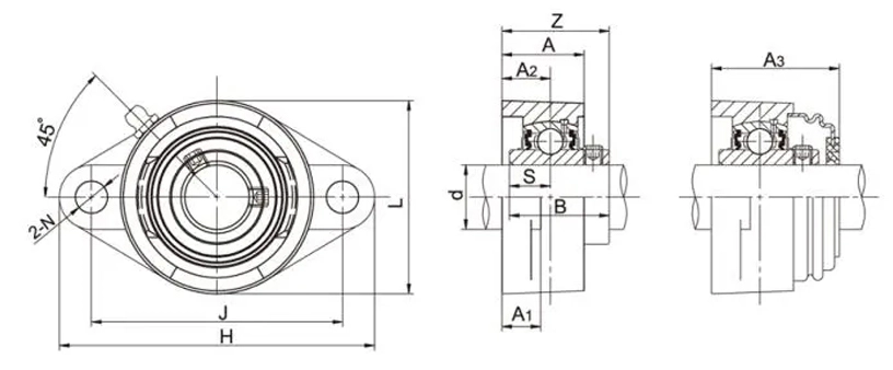
UCFL209-28 Flange Bearing Units 2 Bolt Bearing Housing
Dimensions(mm)H188J148A222A116A38N19L108B49.2S19Z52.2A357