TP-SUCF212 Thermoplastic Housing Units
Dimensions(mm)L175J143A229Al19A48N17B65.1S25.4z68.7
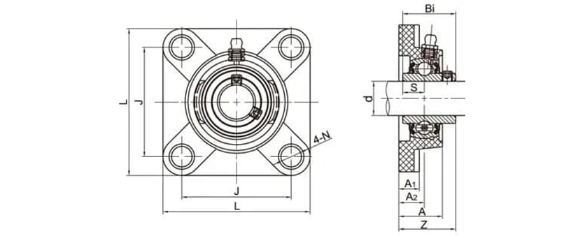
TP-SUCFL212 Thermoplastic Housing Units
Dimensions(mm)H250J202A229A120A48N18L140B65.1S25.4Z68.7
SAPP205-15 Stamped Housing Units
Dimensions(mm)L108J86H28.6H14Ho56.5N11.5A32d138.1B131.5S7.5