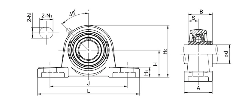
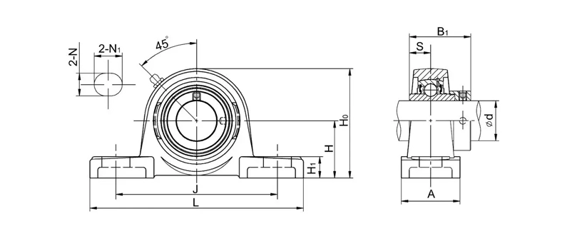
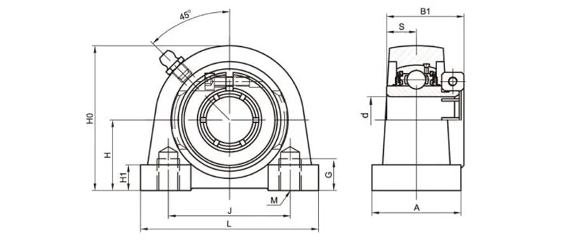
UCP209-28 Pillow Block Bearings 2 Bolt Bearing Housing
Dimensions (mm)H54L190J146A54N17N121H120Ho106B49.2S19A370
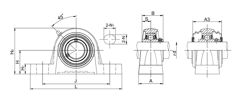
NAP211-32 Pillow Block Bearings 2 Bolt Bearing Housing
Dimensions (mm)H63.5L217J172A60N20N125H123Ho125B171.4S27.8
UEP212-39 Pillow Block Bearings 2 Bolt Bearing Housing
Dimensions (mm)H69.9L238J186A70N20N125H124Ho137B166.6S25.4
UKP216+HE2316 Pillow Block bearings 2 Bolt Bearing Housing
Dimensions (mm)H88.9L292J232A78N25N130H130Ho174B378S139
UCPX12-39 Pillow Pillow Block Bearings 2 Bolt Bearing Housing
Dimensions (mm)H76.2L286J203A83N25N128H134Ho151B65.1S25.4
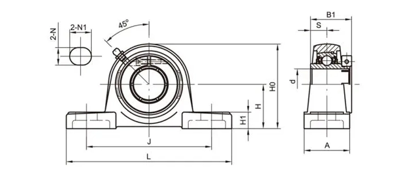
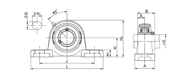
UCPE211 Pillow Block Bearings 2 Bolt Bearing Housing
Dimensions (mm)H63.5L219J171A60N20N125H122Ho126B55.6S22.2A376
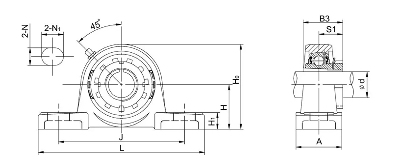
UCAK211 Pillow Block Bearings 2 Bolt Bearing Housing
Dimensions (mm)H61.9L232J181A60N20N124H125Ho125B55.6S22.2
SBLP205-15 Pillow Block bearings 2 Bolt Bearing Housing
Dimensions (mm)H36.5L130J100A29N11.5N116H115Ho69.5B27S7.5
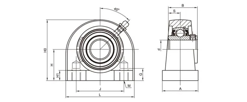
UCPA210-30 Pillow Block Bearings 2 Bolt Bearing Housing Tapped Base
Dimensions (mm)H57.2L130J94A60G25H114Ho116MM16B51.6S19
UEPA212-39 Pillow Block Bearings 2 Bolt Bearing Housing Tapped Base
Dimensions (mm)H69.9L150J114A68G25H117Ho138MM16B166.6S25.4
UCTB211 Pillow Block Bearings 2 Bolt Bearing Housing Tapped Base
Dimensions (mm)H57.2L140J101.6A51H114H0117.5G22M5/8-11UNCS22.2B55.6
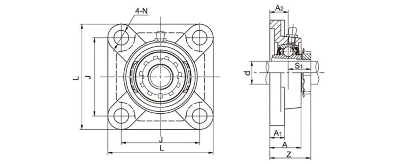
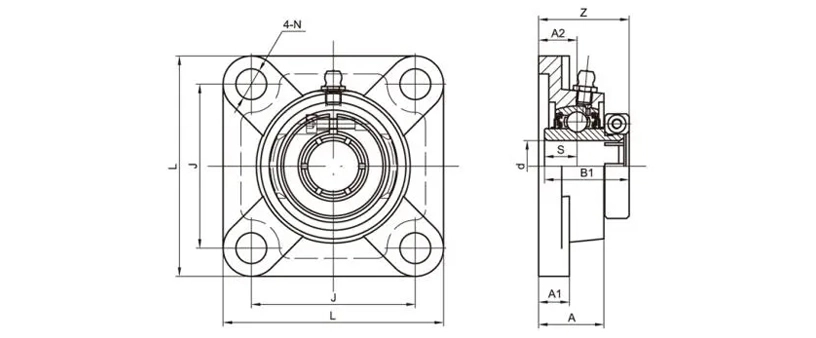
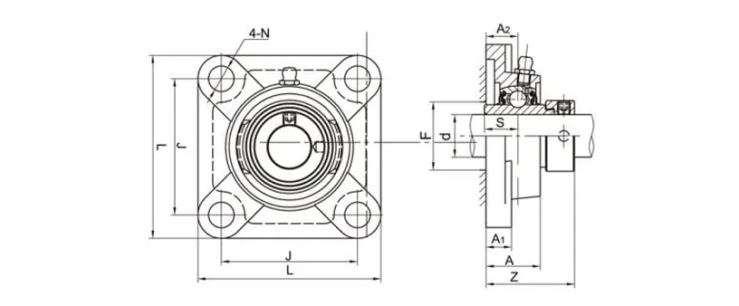
UCF210-30 Flange Bearing Units 4 Bolt Bearing Housing
Dimensions (mm)L143J111A222A118A40N16B51.6S19BZ54.6A360
NAF210 Flange Bearing Units 4 Bolt Bearing Housing
Dimensions (mm)L143J111kz22A118A40N16S24.6Z60.1F64
UEF212-39 Flange Bearing Units 4 Bolt Bearing Housing
Dimensions(mm)L175J143A229A120A48N19B166.6S25.4Z70.2
UKF216+HE2316 Flange Bearing Units 4 Bolt Bearing Housing
Dimensions (mm)L208J165A234A122A58N23S139Z73