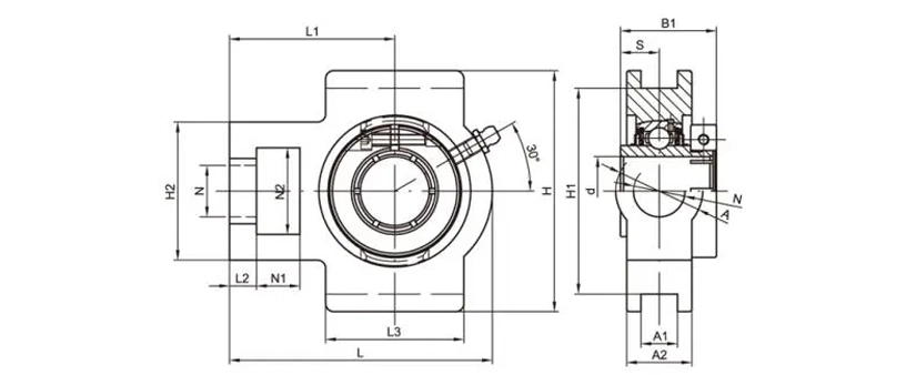
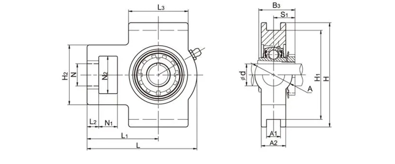
UET212-39 Take Up Bearing Units Bearing Housing
Dimensions(mm)N132L219H2102N264N35L3102A122H1130H146L194A64A242L1119B166.6S25.4
UKT217+H2317 Take Up Bearing Units Bearing Housing
Dimensions (mm)N138L229H2124N273N48L3157A130H1173H198L260A73A254L1162B382S140
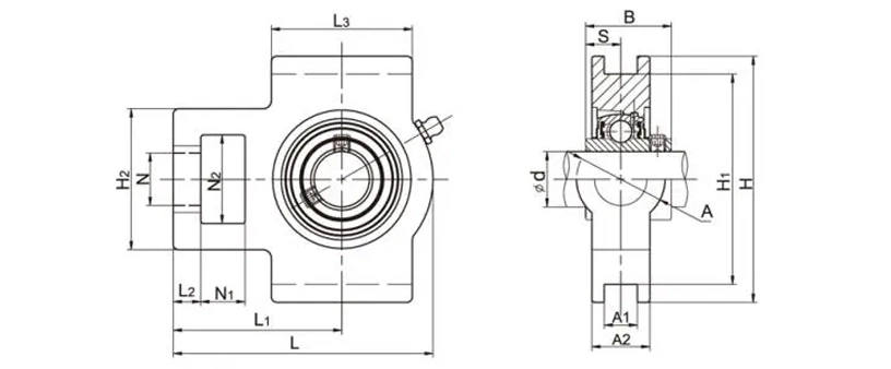
UCTX12-39 Take Up Bearing Units Bearing Housing
Dimensions (mm)N132L223H2111N270N41L3121A126H1151H167L224A70A248L1137B65s25.4
UCST211-32 Take Up Bearing Units Bearing Housing
Dimensions (mm)N125L219H2102N264N35L395A127H1130H146L171A64A238L1106B55.6S22.2
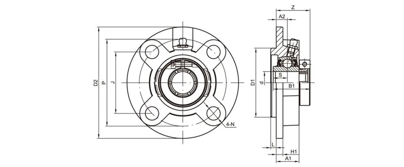
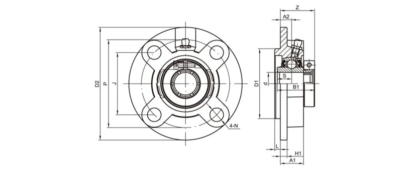
UCFC211 Flange Cartridge Bearing Units 4 Bolt Bearing Housing
Dimensions(mm)D2185P150J106.1A213N19L12H115A130D1125B55.6S22.2Z46.4
SSUCP212-39ESB Stainless Mounted Bearing
Dimensions(mm)H69.9L238J184A70N20N125H125Ho137B65.1S25.4
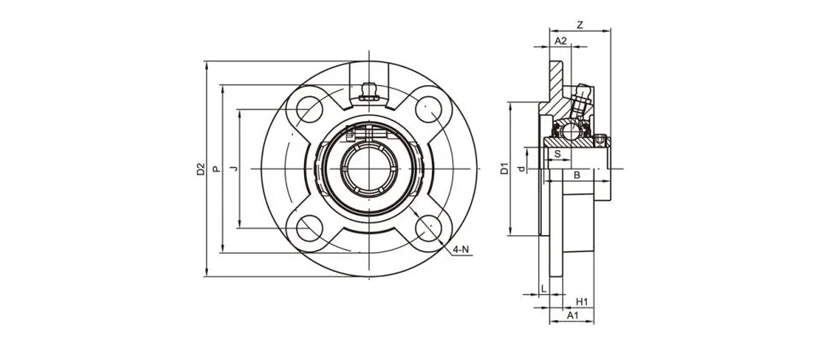
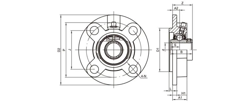
NAFC210 Flange Cartridge Bearing Units 4 Bolt Bearing Housing
Dimensions (mm)D2165P138J97.6A210N16L12H114A128D1110S24.6z48.1
UEFC212-39 Flange Cartridge Bearing Units 4 Bolt Bearing Housing
Dimensions(mm)D2195P160J113.1A217N19L12H115A135D1135B166.6S25.4Z58.2
UKFC216+HE2316 Flange Cartridge Bearing Units 4 Bolt Bearing Housing
Dimensions (mm)D2240P200J141.4A218N23L16H118A142D1170S139Z57
SSUCP212-39A Stainless Mounted Bearing
Dimensions(mm)H69.9L238J184A60N20N125H125Ho137B65.1S25.4
SSUCF212-39EHB Stainless Mounted Bearing
Dimensions(mm)L175J143A229A118A48N19z68.7B65.1S25.4
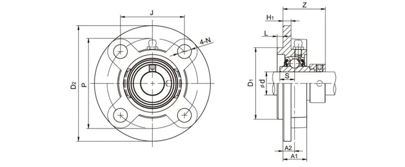
UCFCX12-39 Flange Cartridge Bearing Units 4 Bolt Bearing Housing
Dimensions (mm)D2194P165J116.7A211N16L20H114A133D1140B65.1S25.4Z50.7
UCFCS214-43 Flange Cartridge Bearing Units 4 Bolt Bearing Housing
Dimensions (mm)D2193.7P165.1J116.74A210.9N14L20H114A133.3D1139.7S25.4B74.6Z55.3
UCFCSX13-40 Flange Cartridge Bearing Units 4 Bolt Bearing Housing
Dimensions (mm)D2193.7P165.1J116.74A210.9N14L20H114A133.3D1139.7S30.2B74.6Z55.3
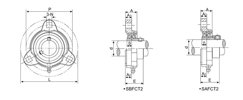
SAFCT206 Flange Mounted Bearings 3 Bolt Bearing Housing
Dimensions (mm)L113P90.5A112A22A212s10.3n9E38.7